|
跟着新型电视机的层出不穷,配备无线耳机又给用户带来了新的利便。着实,对付电子喜爱者想拥有一副无线耳机并不是难事,通过本身建培育能如愿。在此,笔者向各人先容一款调频型无线耳机供有乐趣者尝试建造。
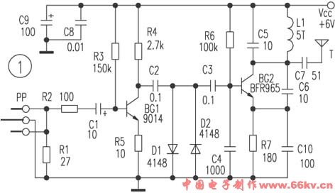
图1是该无线耳机的发射电路,经立体声耳机插头pp从电视机耳机插孔获得的音频信号经BG1放大,D1、D2、C2、C3构成的限幅电路限幅后送到BG2等元件构成的高泼魅振荡器,调制后的调频信号经C7耦合到天线向外发射。 图2为吸取电路,以专用调频吸取模块IC1 TDA7021T为焦点,经解调后的音频信号从{14}脚输出,送到IC2 LM386作功率放大,敦促耳机发声。三极管BG 9018等构成高频放大级,以进步吸取迅速度。调理可调电容器C23可以改变吸取频率,使其瞄准发射机的发射频率。
元件选择 因为电路事变在高频状态,全部无极性电容均选用高频瓷介电容器,线圈L1、L2用∮1mm的镀银线在∮4mm的圆棒上绕5T脱胎而成,发射天线用长10cm的粗铜线直立在发射机上,吸取天线用恰当长度的胶质线绕在耳机带环上即可,其余元件无非凡要求。 电路调试 电路调试很简朴,将发射电路中的三极管BG1、BG2的集电极电流调理在0.5mA,吸取电路中BG的集电极电流调理在0.3mA,使其正常事变。之后再调理C23,使发射机和吸取机的频率瞄准即可投入行使。有一点要留意,假如在耳机中听到的声音有失真,声名发射机的输入信号过大,应调小电视机的音量。 (责任编辑:admin) |


















