|
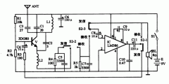
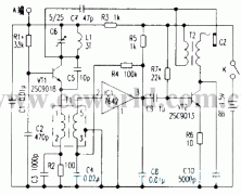
PARASET电台是二战期间,英国空投到德国霸占区的特工电台,过后来说体积小巧6伏直流电池供电,合适特工人员利用。 目前,,国内上有许多HAM热衷于复制这部电台,看过许多网站资料后有了制造的冲动,通过预备、筹划、装置、调试,近日终于和大家见面了,宿愿青睐的HAM多提意见! 在这里一并对此次制造给予大力反对的BG9GY、BG9LJ、BG9GVL、BG9HT以及矿坛帮我画度盘的“线圈加矿石”至于衷心的感谢和崇高的敬意 与原版不同的地方: 1.机箱尺寸有所变动,缩小了几个毫米,另外面板的结构做了调整,长边是下出来的,而短边搭在机箱上(短边稍长),这样面板不至于掉到机箱内。 2.收发转换开关,原机用旋转波段开关,实践任务时不好操作,现改为左右搬动的钮子开关,便于单手操作。 3.面板上一切的文字改为中文(除电子管型号外)。 4.电键改为机装繁难电键。 5.因为找不到原机电源插座,改为4芯航空插座。 6.电子管6V6改为罕见的6P6P。 7.3只电子管由金属管全改为玻璃管。 8.电源滤波电路在原电路上添加一只10UF/450V电容,并添加了电源批示灯。 9.添加了有源蜂鸣器,作为发报时的侧音
|


















