廉价不消线圈的无线发话器电路
岂论是收集上照旧册本上都有很是多简介无线发话器的电路或文章,但99%都是无一破例都是用LC振荡器或石英晶振电路组成的。许多初学者一想到绕线圈就认为烦.本文将先容的是一种不消电感,线圈的无线发话器电路.
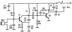
众所周知,与非门具有放大(指小信号前提)及倒相的浸染,以是只要用三个与非门,首尾相接,便组成一个环形振荡器(可能五个、七个、九个等奇数;级数多则频率低),再配上调频电路,同样也可做成一个无线发话器。电路图如下图所示:
74LS04是一块TTL集成电路,内有六个单端输入的与非门。笔者用个中三个与非门做成一个振荡器。当电源电压为5V时其振荡频率约为90MHz,电源电压低落时频率低落;电源电压升高时频率也升高。虽然其振荡幅度亦会随之改变,但影响不大。这样,笔者行使改变电源电压的步伐来改变频率(即到达调频)。详细做法是用一块音频放大集成电路BA328的输出,作为它的供电电源。
BA328是一块灌音磁头的放大电路,当用于磁带信号作赔偿及平衡时应该在第、脚之间接一个RC串并收集,但这里是用于线性放大,故只需接一只100kΩ~130kΩ的电阻即可。BA328输出端(脚)的电压应便是脚(供电)电压的二分之一,若供电电压为12V,则应有6V输出,假如差池,应调解此电阻。其它图中的1kΩ电阻是调理放大倍数的,减小它则增益进步。
对着驻极体发话器谈话时,输出端(脚)的电压能在5.8V到6.2V之间急速变革,此电压送到74LS04的脚上便能使它发生调频信号,再经第四个与非门放大、断绝而送往天线。
此无线发话器的供电电压也可改成6V或1.5V。其它,它的输出功率较小,读者可增进一级高频放大以改进。

(责任编辑:admin) |