制作自制便携式45~470MHz调频接收机
时间:2013-01-01 16:35来源:网络 作者:网络整理 点击:
次
免费提供各种电子制作文章、资料、图纸
|
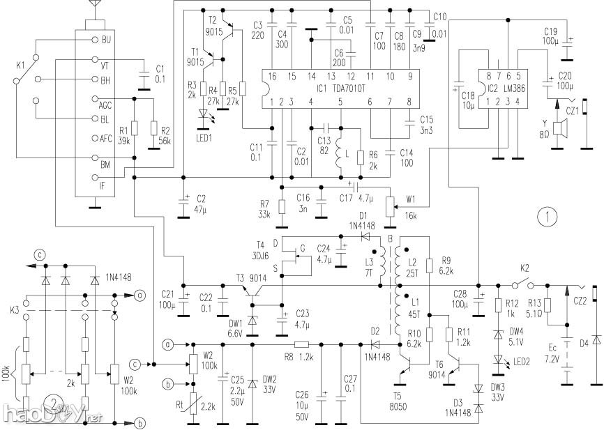
该吸取机具有吸取迅速度高,线路简朴,易于安装调试,由电池供电,事变不变,耗电少,体积小,便于携带等特点。电道理图见图1。 事变道理:由高频头将天线吸取到的薄弱调频信号举办放大和混频,混频后发生的31.5MHz伴音中频信号由IF端输出。IC1为调频吸网络成块(因为高频头具有精采的调谐吸取机能,而TDA7010T是专用调频吸取IC,吸取迅速度达3μV,从而担保了整机具有很高的吸取迅速度),中频信号输入IC1的{11}脚,经IC1举办中频放大、调频检波后由{2}脚输出音频信号,IC2用于音频信号功率放大。T1、T2及LED1等构成调谐指示电路。T3、DW1、T4及相干元件构成6V稳压电路,为高频头及IC1提供不变事变电压。T5、T6、B及相干元件构成升压逆变电路,通过T6、D3、DW3检测输出电压,以节制T5的振荡强度,到达稳压节能的目标。逆变电路输出>V调谐电压,供高频头调谐选台之用。Rt为温度赔偿电阻,用于赔偿开机初始因电容初充电造成>V调谐电压稍微不敷(极稍微,用万用表丈量不出)。图2为预选台电路,与K1共同行使。 元件选择与建造: 高频头可选用TDQ-3型470MHz全填补高频头,AFC脚留空,R1、R2、C1选用微型或贴片元件,可直接焊接在高频头屏障盒内。调谐电位器W2选用100kΩ多圈电位器,使调谐选台更利便,更不变。IC1外围电路宜选用贴片元件安装,L用∮0.4mm漆包线在∮3mm的圆珠笔心上密绕23匝而成。升压逆变器B用∮10mm小磁环作磁心(可从旧电子镇流器上拆用),用透明胶布包一层作绝缘处理赏罚,用∮0.25mm漆包线绕制,数据见图1上标注的数值。L3的浸染是为6V稳压电路提供比电源电压略高(约0.8V)的偏置电压,以担保当电池电压降落至6.2V时,仍有6V不变电压输出。T4作恒流管用,DW1提供不变的偏置电流。因为电源供电电路采纳了响应法子,使6V输出电压和>V调谐电压很是不变,担保了高频头和中放鉴频电路的高不变性。电源选用6节7号镍氢充电电池或两块锂充电电池,CZ2为外接电源插孔。喇叭选用∮50mm内磁式,整机可安装在14.5cm×8cm×2.2cm的塑料盒内。 调试: 本吸取机独一必要调试的就是IC1的吸取频率。为了担保其调谐为31.5MHz,可用正常吸取的电视机共同调试:即用导线毗连电视机高频头IF端与TDA7010T的天线输入端(即{11}脚),并毗连地线;调解L,使之能收到伴音信号即可。测升压逆变电路事变电流约12mA;整机静态电流应小于45mA;电源电压在6.2~9V之间变革时,整机电流根基稳固。 行使结果: 本吸取机经笔者半年多的行使和检讨,结果令人很是满足。吸取迅速度很高(吸取内地调频广播和电视台信号只需几厘米长的天线即可),事变不变靠得住,功耗低,小巧玲珑,令人爱不释手。因为高频头采纳了低电压供电方法,使其事变电流大为降落。因此整机事变电流很小,从而利于用电池供电。本吸取机的不敷之处是开机初始需颠末约3秒钟时刻才气进入不变事变状态。

(责任编辑:admin) |
织梦二维码生成器
------分隔线----------------------------