本文先容一种用6Pl功放电子管组装的发射机。
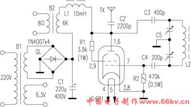
电路见下图:个中B1、B2、G、R1、R2、C2、C3、C4、C5都用拆机品。因嫌机内的电源滤波电容体积太大,以是另用了一个彩电滤波电容。L1选用22mm的漆包线在MX-2000的磁环上绕100匝。L2抉择电台的发射频率。假如频率选在中波波段时,L2可选用35mm的漆包线在中波磁棒上30 +50匝,或选用13mm的漆包线在25mm的纸筒上密绕90匝。这样发射频率会落在550-1650kHz之间。假如选用短波波段时,L2可用 0.5mm的漆包线在16mm的纸筒上间绕9匝。这样组成的振荡器频率就落在6~18MHz之间。C5为氛围双联,其容量为360pFx2。B1为原机电源变压器。高压部门整流改用4只IN4007。B2为原输出变压器。C2、C3、觉得机内拆得的云母电容,个中C2、C3耐压以大于400V为佳。R1、 R2也可本身购水泥电阻。因牦散功率较大,其功率选≥IW。TX为1/4天线,可用一段粗导线取代,‘长度约为发射波长的1/4。笔者选用的是3mm、 8m长的漆包线。整个电路安装无需行使敷铜板,直接用一块胶木板,在其上钻.孔,搭棚焊接即可。只要元件精采,装好后电路即会起振,起振时G内能看到浅蓝色的电子流,并伴有“咝咝”的声音。假若有前提,可做一个简朴的场强仪,通过调理R2使发射场强到达最大。天线可通过绝缘子垂直安装在墙上。接上天线后在 B2处输入5W阁下的音频信号,将一个收音机和发射机的间隔拉远,收音机应能清楚地收到信号,失真度也不该很明明。若发射时交换声太大,接地便能办理。经实测,发射功率有4.5W之大,以是尝试时务必遵守国度无委会的有关划定。

(责任编辑:admin) |