|
很多无线电喜爱者都但愿建造一台调频发射器,出格是在87~108MHz的调频波段,可操作现成的FM收音机来吸取,因而受到各人的青睐。 在很多刊物中都先容有调频发射器的实例,但大大都回收电容三点式电路和克拉泼振荡电路。这种电路虽简朴,但它的频率不变度不高,出格是在业余前提下,轻微动动电路板或天线位置,频率就改变了。在此笔者先容一款用晶振稳频的调频发射器。 电路道理
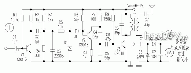
如图1所示,由V1及相干阻容元件构成一级音频放大电路,为调制级提供足够强度的音频信号。D1是变容二极管,其等效电容量跟着南北极所加的反向电压变革而变革,从而使晶振及外围电路构成的振荡器中心频率随之变革,到达调频目标。振荡器输出的信号经V3倍频、放大,再由调谐变压器完成匹配与滤波后输出。 该电路用了调谐变压器,因而在建造完后要调解其磁心,使之匹配。其要领是建造一个浅显场强电路(如图2所示),接至变压器的输出端,调解磁心,直到电流表指示值最大为止。电路中所用元器件只管行使高频特征好的元器件。晶振选用标称值为29~36MHz之间的晶振,D1可用MV2105,变压器需廉价,可选用电视中周作骨架,去掉屏障罩,用∮0.2mm阁下的漆包线在骨架上低级绕3匝,次级绕1匝。天线可用1/4波长的软导线代用。 (责任编辑:admin) |

























