|
MAX2606是MAXIM公司出产的新型调频发射芯片,该芯片内部集成了由变容二极管构成的压控振荡器,只需外接少量元件就能构成一台高品格调频发射机。 MAX2606回收SOT23-6微型封装,其形状如图1所示MA2606的①脚外接电感用于均匀频率(中心频率)调解,改变该电感的值,可以调解MAX2606的均匀频率,犹如2所示。MAX2606的③脚为事变频率调解端,调解该脚的直流电压即可改变MAX2606内部电路的振荡频率,进而到达调解发射频率的目标。③脚电压与发射频率相关如图3所示。
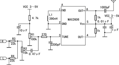
MAX2606构成的MP3无线调频转发器电路道理图见图4,该电路简朴,机能不变,易于建造,它的均匀频率由L1配置,电感L1可将均匀频率设定在100MHz。调理电位器RP1则可以在88-108MHz的FM波段选择一个频道作为发射输出频率输出功率对50Ω的天线约为-21dB阁下声道音频信号各通过22kΩ电阻相加,再经电位器RP2衰减后,由1脚送入MAX2606的内部振荡电路,颠末调制后的射频FM信号从⑥脚输出到发射天线,因为MAX2606输入端的信号幅度高于60mV时将发生失真,因此行使电位器RP2将信号衰减到该电平下。
假如没有尺度的FM发射天线.可以用一段750mm的电线充当发射天线。此时发射间隔约为50m,为担保最佳访问结果,它最好与吸取天线平行安装。 MAX2606可事变于3-5V的单电源,但最好回收不变的电压,尤其是0.01uF的退耦电容不能省略,以镌汰频率漂移和噪声。 (责任编辑:admin) |




















