|
最近做了一台使用喇叭放音的两管再生机,使用了两只草帽管,收音效果不错。在晾台能够收听20个台,有十个很响亮。
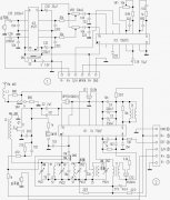
晚上在室外的花园内将收音机贴在耳边竟然收到了49个台,其中还有两个外文台。 使用元件如下: BG1 3AK23 放大倍数60倍 BG2 3AX5J 放大倍数50倍 R1 32K R2 4.7K R3 300 R4 5.1 C1 270P介质双联 C2 0.01 C3 180P C5 47微法电解 C6 100微法电解 检波二极管使用了三只2AP10,个人感觉增加一只二极管能够提高音量,使用镊子短封两只串联的二极管时音量明显变小。 输入变压器的初级使用0.05漆包线2000匝,次级使用0.07漆包线1000匝 输出变压器的初级使用0.12漆包线600匝,次级使用0.31漆包线80匝 电源使用两节锂电池7.2V ![]() 输入变压器使用这个绕线机做的。 ![]()
(责任编辑:admin) |


















