最好的电子音响科技diy制作网站

haoDIY_音响电子电脑科技DIY小制作发明

自制大环天线矿石收音机,请指点

时间:2017-04-27 14:42来源:www.crystalradio.cn 作者:zhaohaitao99 点击:
本帖最后由 qg2007 于 2011-10-12 14:53 编辑 自小喜欢无线电,但后来还是从事了别的行业,对电路图一知半解,似懂非懂。来矿坛也很长时间了,久闻麦老师、梁老师、李老师、老矿友老师、qg2007老师、龙虾老师......等各位老师和前辈的大名,也在友谊电子张大
本帖最后由 qg2007 于 2011-10-12 14:53 编辑

自小喜欢无线电,但后来还是从事了别的行业,对电路图一知半解,似懂非懂。来矿坛也很长时间了,久闻麦老师、梁老师、李老师、老矿友老师、qg2007老师、龙虾老师......等各位老师和前辈的大名,也在友谊电子张大哥(老板)那里买过不少元件。
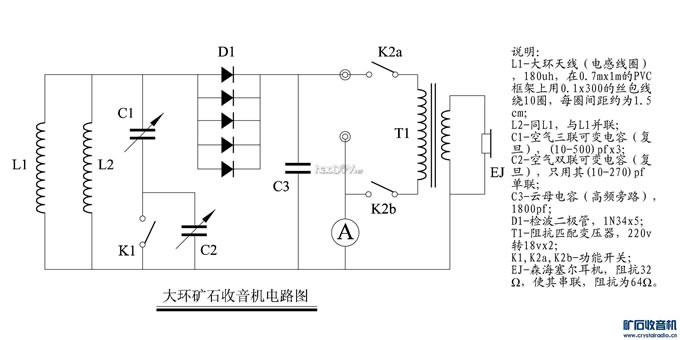
平时工作很忙,忙里偷闲自己制作了一台环形天线矿石收音机,能收到5~6个台,弱台8~10uA,强台能到30~35uA,但信号有些串台,选择性不太好。请各位老师和前辈指教,审查我做的矿机,提出改进的意见和建议,以使大环矿机获得最佳性能,在此先感谢各位老师和前辈了。
真诚希望与各位坛友成为好朋友。
自制大环天线矿石收音机,请指点
自制大环天线矿石收音机,请指点
自制大环天线矿石收音机,请指点
自制大环天线矿石收音机,请指点
自制大环天线矿石收音机,请指点
电路图, 电子, 工作, 收音机, 无线电
 

20111010321.jpg (93.61 KB, 下载次数: 34)

 

自制大环天线矿石收音机,请指点
 

20111010322.jpg (107.44 KB, 下载次数: 29)

 

自制大环天线矿石收音机,请指点
 

20111010323.jpg (105.46 KB, 下载次数: 25)

 

自制大环天线矿石收音机,请指点
 

20111010324.jpg (87.72 KB, 下载次数: 14)

 

自制大环天线矿石收音机,请指点
 

Crystal Radio Circuit.jpg (171.92 KB, 下载次数: 35)

 

自制大环天线矿石收音机,请指点

(责任编辑:admin)
织梦二维码生成器
顶一下
(0)
0%
踩一下
(0)
0%
------分隔线----------------------------
发表评论
请自觉遵守互联网相关的政策法规,严禁发布色情、暴力、反动的言论。
评价:
表情:
用户名: 验证码:点击我更换图片
栏目列表
推荐内容