六十年代比赛得奖的无电源收音机
时间:2017-04-29 21:49来源:www.crystalradio.cn 作者:mak1939 点击:
次
六十年代比赛得奖的无电源收音机 四十多年前,大概是 1963 至 1965 年之间,在报纸上看见了一则广州市无线电俱乐部的公告,要举办业余无线电创作比赛。作品类型广泛,要求是参赛者本人的制作,性能优越,有创造性,成本低。 我按时完成了一台无电源收音机和
六十年代比赛得奖的无电源收音机
四十多年前,大概是 1963 至 1965 年之间,在报纸上看见了一则广州市无线电俱乐部的公告,要举办业余无线电创作比赛。作品类型广泛,要求是参赛者本人的制作,性能优越,有创造性,成本低。
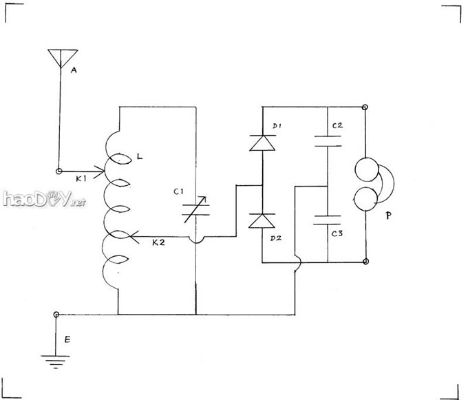
我按时完成了一台无电源收音机和一台单管低压电池再生式中短波收音机参加比赛。 事过境迁,我已经没有任何资料保存下来。只能凭记忆向大家介绍一下这台无电源收音机。 收音机的线路很简单,是单回路倍压检波的矿石机:

零件说明:
L: 用英制 18 号漆包线绕制的间绕式空心线圈
K1: 天线的滑键式调节器
K2: 检波器的滑键式调节器
C1: 360 微微法空气绝缘单连可变电容器
D1,D2: 半导体检波二极管
C2,C3: 约 0.01 微法固定电容器(试验决定最佳数值)
我用半导体检波二极管代替了天然矿石,但是为了美观和方便,把它们装在固定矿石筒里面。
为了使用不同天线时调谐范围仍然能够覆盖中波广播波段而调谐较为细致,不采用抽头式线圈而用滑键调节。检波器也用滑键调节在线圈上的位置,以便适应不同阻抗的耳机或扬声器。
从一些参考资料里,得知线圈采用空心间绕,而且直径与高度的比例是 2:1 的时候,它的品质因数( Q值 ) 比较高,同时为了适应机箱面板的形状,把线圈设计成 20 X 10 公分直径的椭圆型,用英制 18 号漆包线间绕 50 圈。
线圈绕制的过程比较困难。先在一块木板上固定8条排列成椭圆型的圆木柱,一边绕漆包线圈,一边用相同线径的塑胶线在漆包线之间交叉穿越固定,使每一圈保持相同的间距。完成后拆去圆木柱,用四对窄长的绝缘胶板夹紧,再用快乾胶粘紧。线圈左右两边和滑键接触的位置要刮掉绝缘漆。
滑键式调节器用废旧材料自制,以方型金属杆支撑,滑键可以在金属杆上前后滑动但保持良好接触。滑键上焊了一块从继电器拆下来的弹性接触铜片,可以紧压在线圈上。
机箱的面板、后盖板、侧面和顶盖都用废弃的 78 转黑胶唱片制造。先用冷水浸泡这些废唱片,小心除去中心的纸标签。再按照设计好的尺寸锯成所需的形状并钻孔。因为唱片全是同心型的条纹,裁切时必须保持形状对称。顶盖两旁是弯曲的,要先用热水浸泡,等它变软后按所需角度压弯,使它和面板及后盖板的形状吻合。
箱脚用木条锯好打磨。 可变电容器是藏在线圈的中央前半部。为了美观和机箱尺寸的限制,只好牺牲一点线圈的品质因数了。
机箱面板的零件布置如下图:

参赛之后几个月接到通知,无电源收音机经过测试评判得到三等奖。单管机只评得 58 分,差两分没有达到三等奖最低标准。
过了一段时间,又通知说要开这次创作比赛的展览会,要求我写一份无电源收音机的作品介绍供展览会用。我想把收音机拿回家再试验取得测量的数据,便到郊区天河机场的无线电俱乐部去。
天河机场远原是军用机场,后来成为国防体育运动的活动中心。我看到里面有一座很高的跳伞训练塔。一个大圆环可以被塔顶垂下的钢缆拉上放下。圆环正放下在地面上。我灵机一动:为什么不利用这圆环和钢缆做天线,试验我的无电源收音机呢?
无线电俱乐部同意让我试验。我把大金属圆环用几块大石头垫起离开地面,接一条电线连上收音机当做天线,再埋了一条地线试机。
收到本地最强的广播电台之后,拆下耳机换上万用电表再慢慢调整滑键和可变电容器,我简直不敢相信,最高的直流电压竟达到 10 伏特以上。
这台无电源收音机有很高的灵敏度和选择性,关键在于线圈的品质因数高。由于线圈横放有方向性,当调整到最好位置的时候,不接天、地线可以听到广播。但是限于条件,我始终未能用测量的数据证实倍压检波有什么好处。
这台无电源收音机在展览馆里吸引了不少业余无线电爱好者。在家里我长期接上喇叭听广播。
*****
补充一点资料: 最近在两种不同的美国业余无线电手册和其他资料中都看到,线圈的 Q 值在直径与长度比例接近 1:1 的时候最高。因此上述的线圈直径与高度比例为 2:1 时 Q 值比较高的说法是错误的。
***** |
Re:[原创]六十年代比赛得奖的无电源收音机
有一点希望不要误会了: 电压表所显示的10伏直流电压,是检波器调幅检波后量得的空载电压(这时没有接上耳机)。这时电流是非常小的。假定万用电表的内阻是20000欧/伏,电流就只达到微安的数量级。如果接上耳机,电压将会降低很多。
至于线圈的品质因数Q,在线圈直径与线圈高度(单層线圈所有导线一圈一圈绕上去之后的总宽度)的比值为2:1的时候比较高,我是当时从书本上看到的,记得还有曲线图表说明。我很希望能再找到这方面的资料,因为还在计划试验提高矿石机的效率。 |
(责任编辑:admin) |
织梦二维码生成器
------分隔线----------------------------