最好的电子音响科技diy制作网站

haoDIY_音响电子电脑科技DIY小制作发明

山寨 劳斯莱斯 矿机

时间:2017-05-09 15:13来源:www.crystalradio.cn 作者:5188 点击:
本帖最后由 5188 于 2013-6-27 11:58 编辑 上图先! 其实 网线 和有机薄膜可变 用好的方案 你是可以感觉到 一不小心 台就会溜掉 要慢慢调 同步的慢慢调 。。选择性很好! 另此款矿机 适合 长天线配合。。我的天线是8米长的天线 线路图来了 其实这个也不用几
本帖最后由 5188 于 2013-6-27 11:58 编辑

上图先!山寨 劳斯莱斯 矿机   
山寨 劳斯莱斯 矿机山寨 劳斯莱斯 矿机山寨 劳斯莱斯 矿机山寨 劳斯莱斯 矿机山寨 劳斯莱斯 矿机山寨 劳斯莱斯 矿机山寨 劳斯莱斯 矿机山寨 劳斯莱斯 矿机山寨 劳斯莱斯 矿机山寨 劳斯莱斯 矿机

其实 网线 和有机薄膜可变 用好的方案 你是可以感觉到 一不小心 台就会溜掉 要慢慢调 同步的慢慢调 。。选择性很好!

另此款矿机 适合 长天线配合。。我的天线是8米长的天线 
 

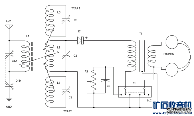
线路图来了  山寨 劳斯莱斯 矿机山寨 劳斯莱斯 矿机
 
其实这个也不用几天时间 业余时间绕一个就好了。。小的和大的制作方法一样的 都用身边的材料。。

制作方法如下:

山寨 劳斯莱斯 矿机山寨 劳斯莱斯 矿机山寨 劳斯莱斯 矿机山寨 劳斯莱斯 矿机山寨 劳斯莱斯 矿机都是些容易的到的材料。。

终于完工了

山寨 劳斯莱斯 矿机山寨 劳斯莱斯 矿机山寨 劳斯莱斯 矿机山寨 劳斯莱斯 矿机山寨 劳斯莱斯 矿机山寨 劳斯莱斯 矿机


陷波器 真好用!不用挨着 靠近 10--15公分效果最好。。。太近损失信号!。。

有空你也玩一个 哈哈山寨 劳斯莱斯 矿机

(责任编辑:admin)
织梦二维码生成器
顶一下
(0)
0%
踩一下
(0)
0%
------分隔线----------------------------
发表评论
请自觉遵守互联网相关的政策法规,严禁发布色情、暴力、反动的言论。
评价:
表情:
用户名: 验证码:点击我更换图片
栏目列表
推荐内容