最好的电子音响科技diy制作网站

haoDIY_音响电子电脑科技DIY小制作发明

【参赛】仿留声机号角喇叭的矿机及智能声力扩音机

时间:2017-05-29 14:54来源:www.crystalradio.cn 作者:cheungbx 点击:
【参赛】仿制留声机号角喇叭的矿石收音机及智能电话声力扩音机 这是一架矿石收音机,也是一部智能电话声力扩音器及充电器。设计也时尚也复古,用了仿制留声机的号角喇叭,自制矿石乃检波器单元,首创同轴双刀分线器无源或再生收听中短波及FM广播。一直想把矿
【参赛】仿制留声机号角喇叭的矿石收音机及智能电话声力扩音机

这是一架矿石收音机,也是一部智能电话声力扩音器及充电器。设计也时尚也复古,用了仿制留声机的号角喇叭,自制矿石乃检波器单元,首创同轴双刀分线器无源或再生收听中短波及FM广播。一直想把矿石收音机生活化,今次的作品可以说是完了这个梦。

【参赛】仿留声机号角喇叭的矿机及智能声力扩音机【参赛】仿留声机号角喇叭的矿机及智能声力扩音机【参赛】仿留声机号角喇叭的矿机及智能声力扩音机 
视频:
http://player.youku.com/player.php/sid/XMjUyMDUyNzgxNg==/v.swf



设计重点:

机身设计:
采用时尚的设计,色调以黑色为主,金色作为点缀,机身正前面尽量简单,只有一个调台的旋钮。机身背面采用仿古的设计,放置其他自制的分线器,按钮和接线柱等,金光闪闪,带来不少古典味道。

机身上方有四个20毫米的洞,分两组,第一组的两个洞在机箱末端,用来安放自制的仿留声机号角喇叭为矿石收音机或智能电话作声力放大。
【参赛】仿留声机号角喇叭的矿机及智能声力扩音机【参赛】仿留声机号角喇叭的矿机及智能声力扩音机 

仿制留声机的号角喇叭为智能手机作声力放大:
平时可把此机放在卓子上,接上充电插头来为智能电话充电或扩音。把数字喇叭插在最后的第二个洞上,把智能电话放到锅机身上的一个槽上,经过PVC管接到仿留声机号角啦叭,声音经过仿留声机号角啦叭的物理放大作用,可放大数倍,我试验了几款不同的号筒啦叭,发现不同的物料和形状会提升某一音域,例如长而窄的会加强低音,短而阔的会加强高音,用来播放管弦乐时音乐仿似是从号角啦叭吹奏出来一样,听来十分悦耳。

用仿制留声机的号角
这个号角啦啦叭也可用来听收音机,把它插在最后的一个洞,这洞连接到机箱内的SHH1话筒或小型Hifi啦声,可以令矿石收音机的声音在一两米内听到,如接上足够长度的良好的天线(如20米)及地线,整个10平方米房间也可听到。收音机的天线可使用中波短波广播,用了3支200毫米高Q的R40C1磁棒,也可无天地线用磁棒收台,亦可外接大环线圈,作无天地线收台。

用仿制留声机的号角喇叭FM广播:
FM方面,用3毫米毛细管铜管做天线,采用双拉杆天线可增强输出。用同一个可变电容器的不同档位去做FM和中短波的调谐,可减少按钮,但却有互相干扰的忧虑。所以决定利用可装拆的检波器来决定聆听FM或是听中短波广播。自动的检波器插,把它插在中短波的检波器插孔(机身上最前方的第二个洞)中,就可以减少干扰也可减少一个FM和调幅的选择安纽。

自制矿石乃检波器单元:
调频调幅电路统一采用这种用途的亚克力管和铜管做的20x40毫米检波单元,可以装上矿石(带弹簧钧丝固定矿石),二极管,LED,3DQ或比较复杂的检波器线耦合的倍压检波电路或直接的双二极管和高频扼流圈组成的电路)。用五个小插针分别把检波器接到检波回路的地,输入(调谐线圈抽头),输出,调谐线圈热端及地。设计考虑到二极管及矿石在中波和FM电路中的不同接法,当二极管检波单元安放在中波检波器插孔时一端接在调谐线圈抽头,另一端接输出。当二极管检波单元安放在FM检波器插孔时,只须把它180度旋转再插上令一端接在调谐线圈热端,另一端仍然接输出.3DQ和其他比较复杂的检波器线路的接收法在中短波和FM时相同,不需要换。


首创同轴双刀分线器:
用户名:密码:用户名:密码:用户名:密码:忘记密码?用户名:密码:忘记密码?用户名:密码:忘记密码?用户名:密码:忘记密码?其中KBP-02阻延匹配变压器的选择开关是双刀单轴设计,短刀控制输入阻抗,长刀控制输出阻抗,减少不少空间。



再生作用:
当讯号太弱时也可凭着内部的3V电池,变成一架再生收音机,把讯号放大,用仿制留声机的号角喇叭收听。

请看简介及测试视频:


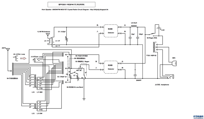
线路设计:
这部分收音机分为调频(FM)和调幅(中短波)两个部分,经开关选择那组电路输出到耳机,另设设开关选择接3DQ时串接电池产生再生加强输出。
【参赛】仿留声机号角喇叭的矿机及智能声力扩音机【参赛】仿留声机号角喇叭的矿机及智能声力扩音机【参赛】仿留声机号角喇叭的矿机及智能声力扩音机【参赛】仿留声机号角喇叭的矿机及智能声力扩音机
调频(FM)
先把S1调频/调幅选择开关设在调频。
再把S2再生/无源选择开关设在无源。
本机采用双拉杆天线,一支接在L4,另一支直接接地。调理两支拉杆天线的长度和角度以达到最佳的接收效果,发两个天线一长一短比一样长度更好。
调频信号经过拉杆天线进入线圈L4耦合到L1和C1组成的FM高Q谐振电路,选到的电台信号经L2热端进入检波电路,进行斜率检波,检波元件可以选择矿石矿),二极管(我用的是1SS 86)或3DQ,检波电路的输出经过C3,C4及L6,L7组成的带通滤波器,将高频讯号隔开,只须让音频通过,这样可提高效能择性又可减减人体对于谐振电路的干扰。音频通到耳机转化为声音,人们便可听到FM电台的广播。

调频(FM)
把S2再生/无源选择开关设在再生。
把3DQ检波器安装好。
3DQ的输出经过L3Q(反绕)返迈到谐振电路中再次经3DQ检波,3伏CR2032电池被串联到耳机和3DQ的漏极(D)之间,提供足够电压令3DQ产生再生作用,把信号循环放大多次,令输出增强数十倍,如阻扩匹配,可推动仿留声机啦叭。
用再生接收FM时,我把天线收短或拆下天线,这样会令再生强度增加,输出更大。

调幅(中波,短波)电路:
先把S1调频/调幅选择设在调幅。
再把S2再生/无源选择开关设在无源。

把天地线接上。我用的是15米,鱼杆天线从高楼垂下,以及自来水管地线。
再把S5中波/大环/短波选择开关设在适适位置把谐震电路接上中波,大环,短波线圈上。
调幅信号经过天线进入天线线圈,耦合到由调谐线圈和C2组成的谐振电路,
调整S4天线线圈抽头分线器去匹配天线的阻扩,调整S6调谐线圈抽头分线器去匹配检波电路的阻扩。
选择的电路信号经过调谐线圈的热端进入检波电路进行检波,检波元件可以选择矿石(我用的是黄铁矿),二极管(我用的是1SS86,2AP9等),LED点亮)或3DQ,检波电路的输出经过C5把高频讯号旁路,只是让音频通到耳机转化为声音,便可听到电台的广播。

调幅(中波,短波)
把S2再生/无源选择开关设在再生。
把3DQ检波器安装好。
3DQ的输出经过反射的源极(S)线圈返迈到谐振电路中再次经过3DQ检波,3伏CR2032电池被串联到耳机和3DQ的漏极(D)之间,提供足够电压令3DQ产生再生但过大的再生会产生鸟鸣声,可利用VR1可变电阻调整再生的强度,令声音更响而避免鸟鸣声。




做法:
机箱做法:买一个长300毫米的木盒子,扫上黑漆,钆洞做机箱。

波段开关做法:
用设计软件把圆形画好给细分成每个接点。
再把图纸贴在板上,钻孔,然后把短的半球形的铜铆丁贴上,再用铜片展出小刀钻孔加上弹簧用带子和母固定。
【参赛】仿留声机号角喇叭的矿机及智能声力扩音机【参赛】仿留声机号角喇叭的矿机及智能声力扩音机【参赛】仿留声机号角喇叭的矿机及智能声力扩音机【参赛】仿留声机号角喇叭的矿机及智能声力扩音机【参赛】仿留声机号角喇叭的矿机及智能声力扩音机【参赛】仿留声机号角喇叭的矿机及智能声力扩音机【参赛】仿留声机号角喇叭的矿机及智能声力扩音机【参赛】仿留声机号角喇叭的矿机及智能声力扩音机【参赛】仿留声机号角喇叭的矿机及智能声力扩音机【参赛】仿留声机号角喇叭的矿机及智能声力扩音机


检波器架子做法:
在机箱上钆两个20毫米的洞,一个安放中短波,一个安放FM检波器架子。贴上一小段PVC管,在管的底部安放一块圆型多洞板,在板的中央焊接一个五洞的输入(调谐线圈抽头),输出,调谐线圈热端及地。


检波器做法:
用18毫米直径的亚克力管代替玻璃管,再在两歂安装两段20毫米直径的铜管做盖子。
【参赛】仿留声机号角喇叭的矿机及智能声力扩音机【参赛】仿留声机号角喇叭的矿机及智能声力扩音机【参赛】仿留声机号角喇叭的矿机及智能声力扩音机【参赛】仿留声机号角喇叭的矿机及智能声力扩音机【参赛】仿留声机号角喇叭的矿机及智能声力扩音机【参赛】仿留声机号角喇叭的矿机及智能声力扩音机【参赛】仿留声机号角喇叭的矿机及智能声力扩音机【参赛】仿留声机号角喇叭的矿机及智能声力扩音机【参赛】仿留声机号角喇叭的矿机及智能声力扩音机【参赛】仿留声机号角喇叭的矿机及智能声力扩音机 

矿石检波器:
在铜管做的上盖中用铜珠安放一棵穿过洞的铜珠,把穿进一支2毫米铜枝,在其顶部焊接由一段弹簧做的矿石蠋针。
在铜管做的下盖中安放一块圆型铜片用来盛矿石,用铜笛穿过铜管固定矿石,在圆型铜板下安放一块圆型多洞板,在板的中央焊接一个五针的插头。把输出脚焊接到铜管做的下盖
把输入脚焊接到铜管做的上盖。插头要求的位置一定要在中央,使检波器180度转动后仍然令五针的插头插入机箱的插孔中。

二极管检波器:

在铜管做的下盖下安放一块圆型多洞板,在板的中央焊接一个五针的插头。将输出脚焊接到铜管做的下盖。
把输入脚焊接到铜管做的上盖。插头要求的位置一定要在中央,使检波器180度转动后仍然令五针的插头插入机箱的插孔中。
在五针插头上焊接两个插孔,一个接输入,一个接输出。

3DQ检波器:
在铜管做的下盖下安放一块圆型多洞板,在板的中央焊接一个五针的插头。将输出脚焊接到铜管做的下盖。
把输入脚焊接到铜管做的上盖。插头要求的位置一定要在中央,使检波器180度转动后仍然令五针的插头插入机箱的插孔中。
在五针插头上焊接3DQ,S接输入,D接输出.G2调谐线圈热端,G1接地。



仿留声机啦
可以用厚纸板,软㬵皮做,我用的是黄铜片。依照图纸剪出8个花瓣,用胶纸贴好外部,再用胶水固定内部,加上20毫米的铜管做个向上45 degree倾斜的颈部再接上一段20毫米的垂直的铜管。在机箱想转了两个洞东来安装一个22号买的管套用来固定垂直的管子,一个接智能电话的插槽作声力圹音,另一个接上用螺丝和亚克力片压缩在机箱内的SHH1话筒,也可换成用其他不同的发声组件,例如小型Hi-Fi喇叭,画好筒喇叭发声器。
【参赛】仿留声机号角喇叭的矿机及智能声力扩音机【参赛】仿留声机号角喇叭的矿机及智能声力扩音机【参赛】仿留声机号角喇叭的矿机及智能声力扩音机

IMG_2095.JPG (91.55 KB, 下载次数: 0)

下载附件

2017-4-4 00:34 上传

 
【参赛】仿留声机号角喇叭的矿机及智能声力扩音机【参赛】仿留声机号角喇叭的矿机及智能声力扩音机【参赛】仿留声机号角喇叭的矿机及智能声力扩音机【参赛】仿留声机号角喇叭的矿机及智能声力扩音机

电路选用以下元件:
S1调频/调幅选择
S2再生/无源选择
S3再生副开关付在VR1可变电阻上。
S4天线线圈抽头分线器
S5中波/大环/短波选择
S6调谐线圈抽头分线器
S6调谐线圈抽头分线器
S7高低端

VR1 5K音量/再生强度,付开关S3。当3DQ-S对线圈电阻最小时S3开路。

C1 3pf-20pf小型铜制空气可变电容
C2空气可变电容,330pf。
C3 33pf陶瓷电容
C4 100pf陶瓷电容
C5 2000pf陶瓷电容
J1大环(ext。Loop)插孔
J2耳机插孔,用2x300欧舌簧或助听器耳机串联

再生电池3V CR2032
FM线圈:
L1用3亳米毛细管铜管(或3枝1毫米镀银铜线绞合成一支)22亳米外径饶3圈,
拉长成30亳米
L2用1亳米镀银铜线22亳米外径,顺饶1圈(相对于L1)
L4外接拉杆天线阻矿匹配线圈,用1亳米镀银铜线25亳米外径,饶1圈

L5用1.5M 1 / 4W电阻作骨架0.07至0.1毫米漆包线乱绕30匝

L6,L7用1.5M 1W电阻作骨架,0.07漆包线乱绕100匝。
谐幅线圈:
此机的调幅部分可以接大环线圈,也可接磁棒线圈。
磁棒中波线圈:
把3枝200毫米R40C1磁棒中波线圈放入一段30ml塑料针筒内。在针筒上绕线圈:
L10用175x0.04李滋线绕42圈,然然反绕14圈
 L11用175x0.04李滋线绕10圈。

磁棒短波线圈
把1枝150毫米R40C1磁棒中波线圈放入一段
10mm塑料针筒内。在针筒上绕线圈:
L12用1亳漆包绕绕12圏,然后反绕4圈
L13用1亳漆包线绕4圏

大环:中波线圈
L8用660x0.04李滋线绕在1个1米直径铁氟龙管做的圈外面间绕6圈
L9用660x0.04李滋线绕在同一个铁氟龙管做的圈外面反绕1圈

大环:短波线圈
L8用12亳米铜管屈曲成一个直径1米的线圈
L9用9亳米铜管屈曲成一个直径0.5米的线圈,和L8反绕



接收效果:
请看测试视频:


FM测试:
利用双拉杆天线有效增强接收,无源时基本都能清除哨的收到所有在本地的FM台,因距发射站有15公里之。
有源再生时FM音量大选择性好,收到所有在本地的FM台,且音量大足够推动舌簧喇叭。

短波测试
利用15米天线接上短波磁环。不再再生已能收到多个短波电台,音量勿大勿小,启动再生后,多收到了来自韩国泰国中国等电台。

中波测试:
利用用李滋线绕在铁氟龙管的直径1米大环线圈能收到本地强台声音大
波段开关S4拨到MW / SW再生,此时音量大增,收到多个弱台和东南亚中波电台且音量大。
利用15米天线接上中波磁环。不再再生已能收到多个中波电台,音量大。




补充内容 (2017-4-6 20:02):
更正视频:
http://v.youku.com/v_show/id_XMj ... rfeed.5!8~5~5~5!2~A
(责任编辑:admin)
织梦二维码生成器
顶一下
(0)
0%
踩一下
(0)
0%
相关文章
------分隔线----------------------------
发表评论
请自觉遵守互联网相关的政策法规,严禁发布色情、暴力、反动的言论。
评价:
表情:
用户名: 验证码:点击我更换图片
栏目列表
推荐内容