最好的电子音响科技diy制作网站

haoDIY_音响电子电脑科技DIY小制作发明

【参赛】我制作的大线圈矿石收音机(3)

时间:2017-05-28 21:41来源:www.crystalradio.cn 作者:llllllxing 点击:
(95.78 KB, 下载次数: 1) P1205758.JPG (123.4 KB, 下载次数: 4) P1205757.JPG (155.3 KB, 下载次数: 2) P1225764.JPG (118.5 KB, 下载次数: 7) P1225761.JPG (117.95 KB, 下载次数: 3) P1225763.JPG (106.1 KB, 下
 (95.78 KB, 下载次数: 1)

 

【参赛】我制作的大线圈矿石收音机
 

P1205758.JPG (123.4 KB, 下载次数: 4)

 

【参赛】我制作的大线圈矿石收音机
 

P1205757.JPG (155.3 KB, 下载次数: 2)

 

【参赛】我制作的大线圈矿石收音机
 

P1225764.JPG (118.5 KB, 下载次数: 7)

 

【参赛】我制作的大线圈矿石收音机
 

P1225761.JPG (117.95 KB, 下载次数: 3)

 

【参赛】我制作的大线圈矿石收音机
 

P1225763.JPG (106.1 KB, 下载次数: 4)

 

【参赛】我制作的大线圈矿石收音机

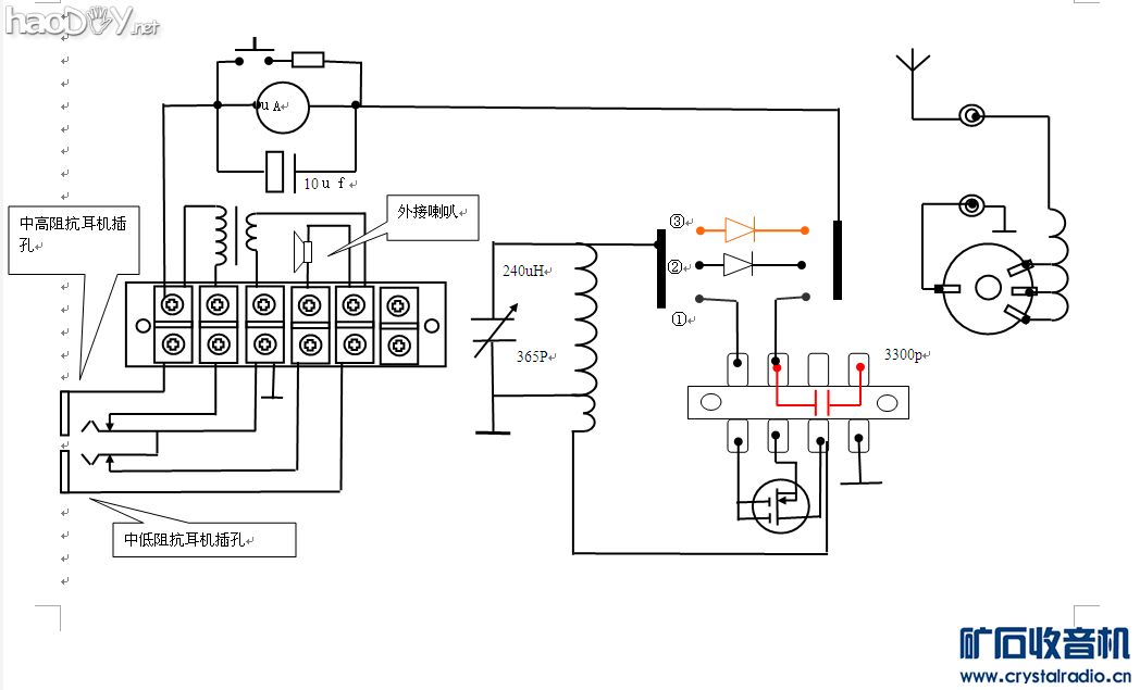
重发大线圈矿石机原理图。本人地处宜兴,处于太湖西岸边。没有本地中波电台,但基本位于周边城市的圆心位置,所以周围城市如杭州,苏州,无锡,常州,南京等等,所以虽然离得远,但还是能收到这些城市的中波电台,有六七个电台音量相对大一些,还有许多电台能收到,只是音量轻一些,线圈直径越大,收到的电台越多,音量也越大,比较以前做的不同直径的线圈比较,感觉直径二十厘米的线圈效果还是不错的,以前做的直径较小的线圈收台少也就好理解了,所以,想要接收效果好,线圈的直径还是能尽可能大些的好,当然,想做得小巧的是另外一回事,下次准备再做个直径五十厘米左右的大线圈矿石机,看看效果能提高多少。现在做的这个直径二十厘米级别的矿石机,周围的城市近的也有八九十公里,远的上百公里以上,还是能收得比较好,相信采用直径五十厘米级别的大线圈矿石机,效果还会提高的。等制作出来后再进行比较。另外就是相对弱电台场管效果有一定优势,但信号较强时,场管和二极管矿石效果就相差不太大了,可以通过选择开关让矿石机在二种工作模式之间转换。天线就是拖在屋顶的几十米的电线,地线也是普通的单芯电线,以前装的七点五厘米矿石机,不用地线收不到电台,这个大线圈矿石机,不用地线也能收到,就是音量小些。但不用天地线的话,收不到台。因为必究电台离得过远。不依靠天线接收不到足够的能量。
 

QQ图片20160221221401.png (62.96 KB, 下载次数: 2)

 

【参赛】我制作的大线圈矿石收音机
 

QQ图片20160221223314.png (79.46 KB, 下载次数: 1)

 

【参赛】我制作的大线圈矿石收音机


 

(责任编辑:admin)
织梦二维码生成器
顶一下
(0)
0%
踩一下
(0)
0%
相关文章
------分隔线----------------------------
发表评论
请自觉遵守互联网相关的政策法规,严禁发布色情、暴力、反动的言论。
评价:
表情:
用户名: 验证码:点击我更换图片
栏目列表
推荐内容