最好的电子音响科技diy制作网站

haoDIY_音响电子电脑科技DIY小制作发明

当前位置: 主页 > 音响DIY > 音箱DIY > 分频音箱 >

最近完成的一对大型三分频落地音箱,有图有真相(2)

时间:2012-12-16 16:51来源:bbs.hifidiy.net 作者:伦音 点击:
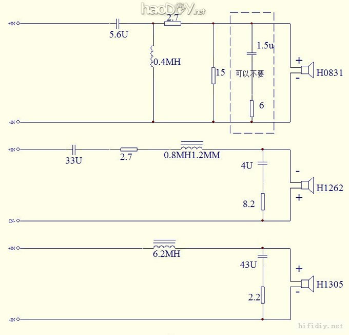
下载次数:8 2012-7-30 11:44 分频器来了,兄弟们对分频器很感兴趣,分频器是很重要,但是整体调试也是很重要不可或缺的 下载 (107.26 KB) 2012-7-30 23:32 下载 (47.47 KB) 2012-7-30 23:32 频响曲线:200-10K起伏

 

最近完成的一对大型三分频落地音箱,有图有真相


分频器来了,兄弟们对分频器很感兴趣,分频器是很重要,但是整体调试也是很重要不可或缺的
最近完成的一对大型三分频落地音箱,有图有真相


最近完成的一对大型三分频落地音箱,有图有真相



最近完成的一对大型三分频落地音箱,有图有真相


频响曲线:200-10K起伏在正负1.5dB以内,相当不错了,曾经试过使用更复杂的分频器还可以更好,不过没必要了,低频测试可以到30HZ,基本平坦,因为环境有些影响,只适合有经验人士在多方位多次测试下评估,曲线就不上了

 

最近完成的一对大型三分频落地音箱,有图有真相听感:全频很通透,由于箱体的特殊造形驻波很小,瀑布图后沿衰减很干净(图在另

一台老电脑没拿出来今晚就不上了),频响曲线拉得非常平,中高频细腻轻妙恰到好处,能够轻易重现微小细节,低频干净稳重,量感适中。SEAS H系列的涂胶盆喇叭初听起来非常平和,没什么艳丽的感觉。但是听进去了才知道染色很少,味道很好。
适应性:对功放的要求还是相当高的,功放越好她就越好,功放不好韵味可能难出来一些,功放控制能力要有中上水平。
上个完整的成品图。介绍完毕!
最近完成的一对大型三分频落地音箱,有图有真相

最近完成的一对大型三分频落地音箱,有图有真相

 

(责任编辑:admin)
织梦二维码生成器
顶一下
(7)
58.3%
踩一下
(5)
41.7%
------分隔线----------------------------
发表评论
请自觉遵守互联网相关的政策法规,严禁发布色情、暴力、反动的言论。
评价:
表情:
用户名: 验证码:点击我更换图片
栏目列表
推荐内容