最好的电子音响科技diy制作网站

haoDIY_音响电子电脑科技DIY小制作发明

慢慢就学懒了!不腐蚀了,洞洞板一个cd47017 4路音源切换

时间:2012-08-27 20:35来源:未知 作者:admin 点击:
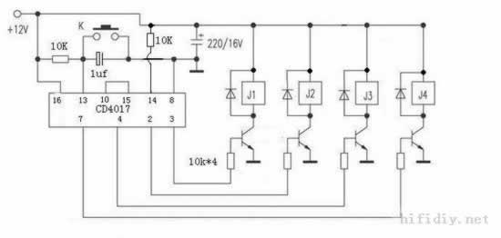
功放需要接好几路信号,有电脑、机顶盒、一个FM收音板还有一个测试用的。。。。整天拔来拔去的,烦的慌 前段时间看论坛上一位大侠发了个4017做的单按键5路音源切换电路,嘿嘿!正好能用到,后来学习了这个ic的基本参数,小改了一下成4路的如下 试验上图发现只
功放需要接好几路信号,有电脑、机顶盒、一个FM收音板还有一个测试用的。。。。整天拔来拔去的,烦的慌   

前段时间看论坛上一位大侠发了个4017做的单按键5路音源切换电路,嘿嘿!正好能用到,后来学习了这个ic的基本参数,小改了一下成4路的如下
慢慢就学懒了!不腐蚀了,洞洞板一个cd47017 4路音源切换


试验上图发现只要关机再开,会自动向下跳转一挡。好像不是很爽啊!!!继续改改,如下
改过后即便是关机,再开机还是关机前的那个声道,呵呵!有点成就感了  
慢慢就学懒了!不腐蚀了,洞洞板一个cd47017 4路音源切换


还是喜欢用ic的实际脚位来画图,这样方便制作。同时把驱动三极管位置也改了一下,这样ic的输出电阻也省了
慢慢就学懒了!不腐蚀了,洞洞板一个cd47017 4路音源切换

发现这几天论坛上动口帖好像多过动手贴了,这不我来给动手一族打打气
买了几个一般般的12v双刀继电器,我也不知道叫“双刀”对不对
慢慢就学懒了!不腐蚀了,洞洞板一个cd47017 4路音源切换
和我用的其他继电器好像触片动作方式有少许不同
慢慢就学懒了!不腐蚀了,洞洞板一个cd47017 4路音源切换

安装过程中
慢慢就学懒了!不腐蚀了,洞洞板一个cd47017 4路音源切换
慢慢就学懒了!不腐蚀了,洞洞板一个cd47017 4路音源切换
还没有完工,就急着试试效果如何。。。结果是肯定的

慢慢就学懒了!不腐蚀了,洞洞板一个cd47017 4路音源切换
慢慢就学懒了!不腐蚀了,洞洞板一个cd47017 4路音源切换
慢慢就学懒了!不腐蚀了,洞洞板一个cd47017 4路音源切换
裁去多余部分后,成品终于完工

慢慢就学懒了!不腐蚀了,洞洞板一个cd47017 4路音源切换
慢慢就学懒了!不腐蚀了,洞洞板一个cd47017 4路音源切换
如果反过来,输出当输入也是可以的,这样可以把原来的4组输入作为输出慢慢就学懒了!不腐蚀了,洞洞板一个cd47017 4路音源切换
(责任编辑:admin)
织梦二维码生成器
顶一下
(0)
0%
踩一下
(0)
0%
相关文章
------分隔线----------------------------
发表评论
请自觉遵守互联网相关的政策法规,严禁发布色情、暴力、反动的言论。
评价:
表情:
用户名: 验证码:点击我更换图片
栏目列表
推荐内容