|
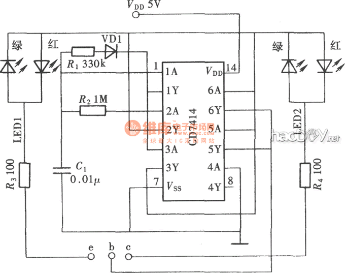
晶体管是电子电路中最常用的器件之一,测试它的优劣是常常碰着的事,行使万用表来测试偶然异常贫困。本仪器制作简朴,测试结果相等不错,完全可以满意一样平常行使的要求。其电路道理如图所示。
(责任编辑:admin) |
|
晶体管是电子电路中最常用的器件之一,测试它的优劣是常常碰着的事,行使万用表来测试偶然异常贫困。本仪器制作简朴,测试结果相等不错,完全可以满意一样平常行使的要求。其电路道理如图所示。
(责任编辑:admin) |
原创首发 黑科技,不用任何IC 只用分立器件的白菜QC2.0诱骗器,命名为:白菜诱骗器,...
抽空做了个简单的激光测距的小东西,这个方案简单易实现,而且可以用现有的opencv库很...
DIY是我的终身爱好,综合测试对我来说能做的也就是这个样子了,几乎所有东西都是老旧...
做好很久了一直没有时间完善。前几天终于用3R33升压把LED及稳压管测试搞好了。稳压部...
这个小工具是我在做一个用单片机+DDS模块组成的信号发生器时完成的.当时我在调试这个...
有一次在网际网络上搜寻测试与量测资料时,偶然间发现了一个很棒的测试设备资源回收计...
51单片机DIY的锂电池容量测试仪
更新:2015-06-15
改造万用表供电方式,线性变压器
更新:2017-05-11
世界上最小的DS18B20温度计
更新:2013-01-30
自制实用的晶振测试电路
更新:2013-01-13