|
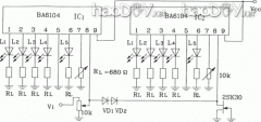
BL6124五位LED电平表驱动集成电路根基应用电路
当事变电压高于9V时,在LED电流端应加一电阻分流,详细Vcc值差异时的电路见图所示。
|
|
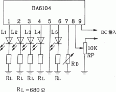
BL6124五位LED电平表驱动集成电路根基应用电路
当事变电压高于9V时,在LED电流端应加一电阻分流,详细Vcc值差异时的电路见图所示。
|
原创首发 黑科技,不用任何IC 只用分立器件的白菜QC2.0诱骗器,命名为:白菜诱骗器,...
抽空做了个简单的激光测距的小东西,这个方案简单易实现,而且可以用现有的opencv库很...
DIY是我的终身爱好,综合测试对我来说能做的也就是这个样子了,几乎所有东西都是老旧...
做好很久了一直没有时间完善。前几天终于用3R33升压把LED及稳压管测试搞好了。稳压部...
这个小工具是我在做一个用单片机+DDS模块组成的信号发生器时完成的.当时我在调试这个...
有一次在网际网络上搜寻测试与量测资料时,偶然间发现了一个很棒的测试设备资源回收计...
向论坛大师们学习,跟风仿造一个
更新:2017-07-09
diy制作微型信号发生器
更新:2013-02-13
diy制作音频信号发生器
更新:2013-04-01
改造9205万用表(自锁开关变成拨
更新:2017-05-16