|
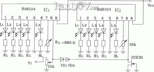
2块BA6104五位LED电平表驱动集成电路组成的10点LED电平表现电路由两块BA6104组成的10点LED电平表现电路见图所示,调理IC1第7脚的Vref,使IC1中L1~L5 5只LED全亮;调理IC2第7脚的Vref使IC2的L1~L5 5只LED全亮,此亮灯电压是IC1的2倍,发光次序为IC1的L1~L5到IC2的L1~L5。
(责任编辑:admin) |
|
2块BA6104五位LED电平表驱动集成电路组成的10点LED电平表现电路由两块BA6104组成的10点LED电平表现电路见图所示,调理IC1第7脚的Vref,使IC1中L1~L5 5只LED全亮;调理IC2第7脚的Vref使IC2的L1~L5 5只LED全亮,此亮灯电压是IC1的2倍,发光次序为IC1的L1~L5到IC2的L1~L5。
(责任编辑:admin) |
原创首发 黑科技,不用任何IC 只用分立器件的白菜QC2.0诱骗器,命名为:白菜诱骗器,...
抽空做了个简单的激光测距的小东西,这个方案简单易实现,而且可以用现有的opencv库很...
DIY是我的终身爱好,综合测试对我来说能做的也就是这个样子了,几乎所有东西都是老旧...
做好很久了一直没有时间完善。前几天终于用3R33升压把LED及稳压管测试搞好了。稳压部...
这个小工具是我在做一个用单片机+DDS模块组成的信号发生器时完成的.当时我在调试这个...
有一次在网际网络上搜寻测试与量测资料时,偶然间发现了一个很棒的测试设备资源回收计...
自制食物食品腐烂腐败程度检测
更新:2013-01-12
ICL7107方案数字表头拆机+误差调
更新:2017-05-28
汽车专用试灯电笔制作方法
更新:2015-06-20
自制新版M328元件测试仪
更新:2017-07-14