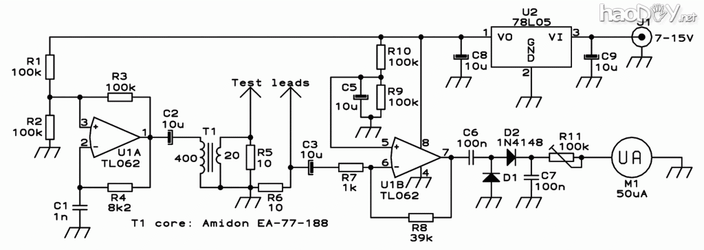
内部图片![]() 测试了些老电解, 有些电阻确实有些大了. 日本化工,100UF450V的测试 ![]() 表头是100微安85C1,表头刻度自己画的,打印到纸上剪下来拿胶水粘到了原来表盘的背面 线路图,实际制作略有修改。 ![]() ESR测试国内资料不多,但是国外资料非常丰富,我只是找个线路简单的试试效果,还有两款简单电路的也会试试。 发现老外很注重测试工具的制作,国内相关的资料不多,比如电解漏电测试,小电容测试扩展电路等。有本美国的《电子技术完全实践》里面的测试仪器自制就有几款,准备用得上的都试试 我做的这个ESR测试仪 用9808胜利表测试频率在79~82KHz变动,平均为80KHz,测试端开路的输出电平用福禄克8025B的交流毫伏档测试是70.7MV。 我校准就是用多个1/4W的 1欧电阻分别找出100微安表头对应的位置如1欧,2欧,3欧。。。,然后重新绘制的表盘。这里假定1欧电阻本身就是无感纯电阻了 (责任编辑:admin) |


















![[实用DIY]用小闹钟改装锂电池容](/uploads/allimg/170524/220GQ443-0-lp.jpg)


