自制CD4040手机电磁辐射演示实验电路
时间:2013-01-13 15:25来源:网络 作者:网络整理 点击:
次
免费提供各种电子制作文章、资料、图纸
|
手机在行使进程中都向外辐射电磁波。尤其是GSM制式的手机,辐射信号更强。本电路可以演示手机在行使进程中电磁辐射状况。
1.电路先容
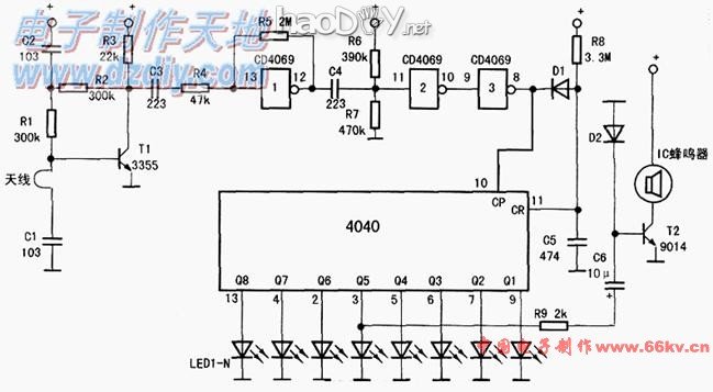
电路图如下图所示电路由手机信号吸取及整形、脉冲计数及表现、自动清零、声音提示等4部门构成。
2.电路说明
高频三极管T1对天线吸取到的手机电磁辐射信号举办放大、检波,然后输出到CD4069构成的整形电路酿成脉冲信号,输出到4040计数器。T1宜选用高频管C3355.用9018也可以。三极督事变点的不变由直流反馈电阻R1、R2提供;为了担保放大倍数,电容C2将反馈信号中的交换因素旁路。检波后的手机信号由CD4069的非门1构成的线性放大电路放大。
在没有吸取得手机的电磁辐射信号时,CD4069非门2的11脚被电阻R6、R7节制.为高电平;颠末两级非门转换。非门3的8脚输出高电平。CD4040计数器CR清零端被上拉电阻R8节制,为高电平,以是计数器全部的输出均为零,表现二进制计数功效的LED均为熄灭状态。一旦吸取得手机电磁辐射信号。
颠末三极管T1检波的手机信号输入到非门1。再颠末整形,脉冲信号由非门3输入到CD4040计数器:同时二极管D1导通并输出低电平,导致清零端电位为低电平,计数器开始事变,发光二极管点亮;同时蜂鸣器发出中断的呜叫。声音提示的驱动信号由计数器的Q5端输出,再由二极管D2整流,敦促三极管T2。可使单音有源蜂鸣器发出约半秒周期的“嘀一嘀一”声。
当手机电磁辐射信号消散时,非门3输出高电平。二极管D1不导通;CD4040的CR端电位由R8、C5节制,颠末1秒钟后酿成高电平,CD4040计数器被清零。

CD4040的12个输出不必然都用到。但必然要从低位开始用,一样平常不少于8位即可。
电源可回收4.5~6V,电路组装无误不需调解即可事变。
天线的制作较量非凡,只需在T1的基极直接用一个带有几毫米长引线的0.01u的电容接地即可:也就是说,无论是在面包板上插接本电路。照旧在印刷电路板上焊接,都不必要其它安装一个“天线”——电容C1自己就是天线。
3.手机电磁辐射演示尝试
(1)本手机电磁辐射演示器探测间隔尝试将一部手机安排间隔本机1m阁下的处所,拨打手机举办调查;改变本作品与手机的间隔,可确定作品的最大探测间隔。每个手机的辐射强度是差异的:按照行使情形的差异,一个手机辐射电磁信号的强度也是差异的;本作品对GSM制式的手机探测迅速度约莫为5m。
(2)各类制式手机辐射强度较量尝试
手机制式有GSM、CDMA、3G等,哪一种手机电磁辐射大?通过尝试可知,GSM制式手机辐射强度最大。但从另一方面思量,CDMA手机并没有节电的结果,这表白GSM手机事变时发射的是脉冲信号,瞬时功率大;其均匀功率与CDMA手机区别不大。
(3)手机吸取短信辐射尝试
尝试可知,手机吸取短信息时也向外发射电磁信号。
(4)手构造机时电磁辐射尝试
把手机按措施关机,会发明关机的同时发生了电磁辐射。这是手机向基站发出本构造机的信息。
-

-
手机来电感应提示提醒闪灯 电磁场辐射检测仪 电子diy制作pcb套件
(责任编辑:admin) |
织梦二维码生成器
------分隔线----------------------------