自制指针万用表30μA,32K/V,55档有~A和DΩ,交直流共用一个刻度(3)
时间:2013-02-12 13:55来源:http://www.crystalradio.cn 作者:gxygxy123456789 点击:
次
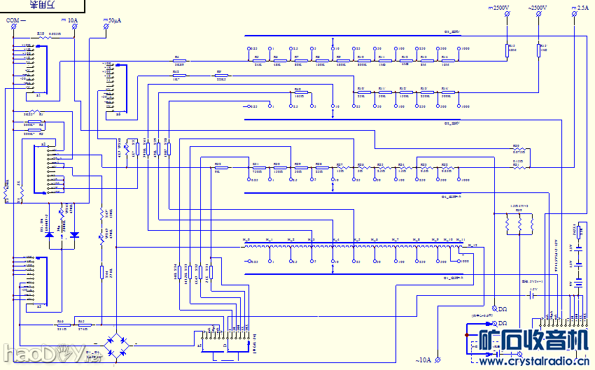
2.焊好后一定要检查接线正确,各个元件一定要准确。 3.电阻最好是五环的。 4.最好用1.0级表头。 七. 后期制作 1.最后完成~2500V和-2500V档,如图23。 2.重新喷漆。 3.俺这个是1.5级的表头,等待更换1.0级的。 八. 总
2.焊好后一定要检查接线正确,各个元件一定要准确。
3.电阻最好是五环的。
4.最好用1.0级表头。
七. 后期制作
1.最后完成~2500V和-2500V档,如图23。
2.重新喷漆。
3.俺这个是1.5级的表头,等待更换1.0级的。
八. 总结
1.从表盘刻度的40至100(举例指100满度的档)这个区间的准确度非常令人满意,压刻度线的读数可与数字表媲美,各档表现均好。
2.感觉阻尼大了一些,指针摆动慢了一点点。
3.指针表的体积比较适中。
4.俺虽然有五块指针表和六块数字表,可总是爱用这个自制的指针表。





(责任编辑:admin) |
织梦二维码生成器
------分隔线----------------------------