|
最近抽了点时间,把代码基本完善了下。 主要功能:直流电压、直流电流、电阻、4线电阻,TF卡数据记录,蓝牙无线串口
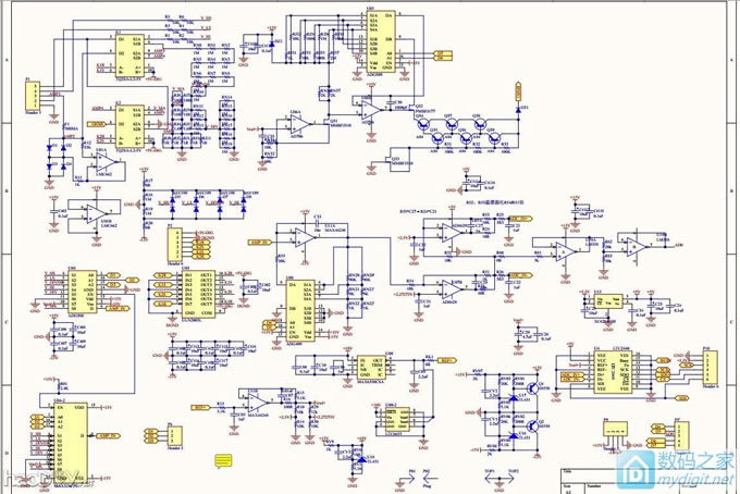
录了2个视频,简单展示下5V和短路的性能 http://v.youku.com/v_show/id_XMTU3Mzg3MTg4MA==.html?from=y1.7-2 http://v.youku.com/v_show/id_XMTU3Mzg0MjI0MA==.html?from=y1.2-1-176.3.1-2.1-1-1-0-0 电路:
局部电路:
主板:
MCU板
[attachment=7977850] 装好后的样子:
测试数据:
(责任编辑:admin) |













































