|
大家的PCB都做的很精美嘛。。。 我虽然手上也有制版的全套家伙,无奈沉迷飞线无法自拔。。。 放上成品图。。。名字嘛,我一般手边有什么就起什么名了,不要在意。。。
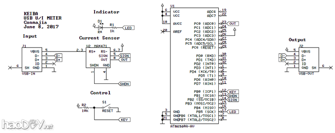
一直想弄个USB的电流表测测看D的小玩意儿们到底耗多大电,前两天看到一帖说做电流表,用的MAX471,回头我就买了一堆,可是那帖子却找不着了。。。还是自己站撸一发。。 MAX471,来自美芯的高精度电流传感器:
非常EASY的电路,重点是采样电阻2K(1%),没有精密电阻的我在几十只5%的电阻里挑了个1999Ω的,先凑个阻值精确再说吧。。。 这只电阻在电路上预热1min、1hr、24hr后阻值变成了1998Ω,希望ppm不会太高。。。 接下来再撸只单片机就O了。。
照猫画虎,照图焊电路。。 焊台:白光937配2mm扁头 温度:370℃ 焊锡:AlphaMetals 0.81mm Telecore Plus 完成。 正面
背面
MAX471
单片机
搭上LCD
硬件搞定。。。 接下来就是AD+显示,先做几个负载便于校准。。。
一顿测之后发现实测值比计算值低十几毫安。。。
拟合一下。。上面是计算值,下面是实测值,单位mA
比较符合,精度挺高,拟合误差小数点后5位开外。。
算一算测量误差,16.5mA的样子。。
用对数拟合,样本太少了。。。
拟合误差挺大的。。不过呢,也就小电流的时候对校准需求比较迫切,大电流情况下10几mA的误差那都不叫事儿。。
得到修正值方程
不管了,反正MAX471测量精度不甚高,自己的误差就在mA级,而且我的2K电阻稳定度还指不定多少。。。 直接撸程序,mega8容量太小了。。
接下来就差不多OK了,实测一下:
开机 ![]() 空载电流0.00A(不计算测量电路消耗的电流) ![]() 毫安显示模式 0mA ![]() 插上手机,充电电流0.5A ![]() USB连接正常。。 ![]() 然后怼上标签。。。 ![]() 细节 ![]()
(责任编辑:admin) |
















































