最好的电子音响科技diy制作网站

haoDIY_音响电子电脑科技DIY小制作发明

当前位置: 主页 > 电子DIY > 工具仪表 > 仪器仪表 >

全硬件的数显锂电池容量测量仪

时间:2013-03-23 10:08来源:www.crystalradio.cn 作者:280445671 点击:
由于现在国内市场出售的锂电池(主要包括手机电池、数码相机电池、PDA电池等)的质量良莠不齐,很多电池的容量虚标,实际容量与标示的容量相差甚多。所以欲设计一种成本低、性能高的锂电池容量测量装置。 经过反复思考,确定基本思路如下:设计一种装置,能
由于现在国内市场出售的锂电池(主要包括手机电池、数码相机电池、PDA电池等)的质量良莠不齐,很多电池的容量虚标,实际容量与标示的容量相差甚多。所以欲设计一种成本低、性能高的锂电池容量测量装置。

经过反复思考,确定基本思路如下:设计一种装置,能将事先充满电的锂电池进行恒定电流的放电。在放电的同时,用一个匀速走字的计数器作为计数元件。通过微调脉冲发生器的振荡频率来改变计数器的走字速度,使任一时刻计数器上的数字恰好等于电池已放出的电量。随着放电的进行,电池电压会逐渐下降,当电压下降到某一值时可视为电量放尽,此时电路自动停止放电,同时使计数器停止走字。此时计数器上的数值即为测得的电池容量值。

结合设计思路,通过认真思考和分析,设计出系统工作框图。如下图所示。
全硬件的数显锂电池容量测量仪 

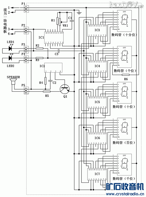
结合设计思路,及系统工作框图,设计出电路图。电路分两大部分,分别称为“控制板”和“ 显示板”。
全硬件的数显锂电池容量测量仪 
全硬件的数显锂电池容量测量仪 


控制板所用元件参数说明:

元件序号        参数说明
K1        电源开关(250V/1A)
T1        220V→15V变压器
D1-D4        1N4007
D5        1N4148
D6        1N4007
IC1        LM7812
IC2        LM7805
IC3        LM393
(责任编辑:admin)
织梦二维码生成器
顶一下
(1)
50%
踩一下
(1)
50%
------分隔线----------------------------
发表评论
请自觉遵守互联网相关的政策法规,严禁发布色情、暴力、反动的言论。
评价:
表情:
用户名: 验证码:点击我更换图片
栏目列表
推荐内容