|
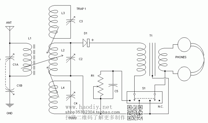
劳斯.莱斯级的矿石收音机 世界上有很多国家的无线电爱好者常常举行矿石收音机的 DX (或称 DXing,即远距离传讯)竞赛。许多醉心于高性能矿石机制作的无线电爱好者不断研究和改良他们的矿石机,提高选择性和灵敏度。其中有很多宝贵经验值得借鉴。 在矿石收音机网页 http://www.crystalradio.net/crystalsets/lyonodyne/index.shtml 里面,介绍了几台参加美国 DX (远距离传讯) 竞赛得奖的高级矿石收音机。其中一台由迈克.特高 (Mike Tuggle)设计,命名为 Lyonodyne-17 的矿石机比较特别,它使用高质量的零件和不同于传统理论的电路设计,性能超群,造型美观大方。 ![]() 大家都知道英国著名的劳斯.莱斯 (Rolls-Royce) 汽车吧?我觉得称这台收音机为矿石机里面的劳斯-莱斯亦不算过分。 Lyonodyne-17 是经过多年进化而来的高级 DX 矿石收音机。它曾连续得到 2000 年和 2001 年的 DX 公开赛第一名。在 2003 年,则由于使用了铅碲化物矿石做检波器的不利因素,只得到了第二名。这台收音机结合了 “Tuggle” 前级(将会在后面介绍)和使用非常高质量的零件。 以下是 Lyonodyne-17 的创作者迈克.特高为这台矿石收音机写的文章: Lyonodyne 17 型矿石接收机 概要 Lyonodyne-17 是大约 1974 年开始的一系列 DX 矿石接收机进化而来的更高级版本。自从 1959 年当我第一次发现用矿石接收机能够做真正的 DX 以后,我就对此特别感兴趣。 它是完全无源的接收机 — 没有放大器,在检波器上没有偏压。电路是双回路,使用超高质量的元件:镀银的可变电容器和高 Q 值李兹线的花篮式线圈。单独的线圈 Q 值在整个中波段是 700,而在大部分中波段超过 1000,当然,在机内的 Q 值比较低。耳机是高质量的剩余物资 — 舌簧式 “Sound Powered*” 元件,用一个高质量的线间变压器和高阻抗的次级回路 / 检波器匹配。检波器是单个的 12101 3RT,在 Radio Shack* 以 1N34 的型号出售。它是到目前为止我找到的最好的一个。 连带所有的附件,这接收机占据了桌面的大部分。 (注: Sound Powered Unit: 以声音产生动力的元件。战时利用这种元件为美国海军设计了船用高灵敏度舌簧式耳机和话筒组成的无电源通信系统。详细资料请参考上述网页 crystalradio.net 里面的 Sound Powered 部分。 Radio Shack: 美国的一家到处可见的无线电元件零售连锁店。) 说明 在某种理论强力暗示的困扰下,经过几次可怜的实验失败之后,我断定那个关于调谐电路的不可思议的 “高电感对电容比值” 是胡说八道。就是那个原因,再加上由 200 条 44 号线 (现在是 660 条 46 号线) 组成的李兹线线圈所获得的高 Q 值,令我重新考虑接收机的设计和构造。 这导致一个完全改造的矿石接收机 — 同样的电路,但按照以下的原理重新设计元件: (1) 按实际经验设计最低的电感对电容比值。 (2) 用可能得到的最高质量的可变电容器。 (3) 必要时,用高质量的空气式微调电容器和可变电容器并联,以便达到最低的频率和伸展高端的调谐范围。(4) 选择在中波范围的中间其 Q 值最高的线圈设计 — 接近自谐振频率的操作是没有用的。 现在的版本使用质量优良的调谐电容器 (镀银并有陶瓷支架)。我选用的两个主要调谐电容器,一个是 500 pF,另一个是每组 470 pF 的双连。都是镀银极片和陶瓷绝缘 (用 Boonton 260-A 型 Q 表测量,标准的并联漏泄电阻是 20 兆欧)。因此,接收机是根据这两个电容设计的。 线圈的设计应该归功于奥克拉荷马州的 Bill Bowers。他对我解释优良的多股李兹线对中波频率的功效,提出采用大的线圈直径与长度比率 (大约是 5 比 1) 的理论建议和 “上-1,下-1” 的绕线模式。这种方式和我应用多年的 “上-2,下-1” 的模式比较没有那么漂亮,在尺寸相同的情况下有比较低的电感,但是实质上有更高的 Q 值。 耳机的选择应该归功于 Al Klase。他向我传教, 滔滔不绝地宣传 “Sound-Powered” 式耳机的优点,最后我只好听从了 — 尽管我坚定地确信永远没有东西能够胜过 Brush 牌的矿石机耳机。“Sound-Powered” 确实令人耳目一新,是无可置疑的巨大改进。 有一段时间天线是长 50 英尺,4线平排,每线相隔 1 英尺,大概高 25 英尺。在我以前居住的地方,我曾用过一条 105 英尺的长线,但是强风吹倒了在另一端的树。比较短的平排天线效果很好,因此我把它带到长天线对于房地产是个额外负担的夏威夷。只有它能够优美地适应这一块土地。 电路详细资料 ![]() 天地线系统由初级回路 L1-C1 调整,通过 L1-C1 松散的耦合 (实际距离 3 至 4 英寸) 交连到次级回路 L2-C2。当两个 QRM 陷波电路线圈 (高 Q 值并联 L-C 电路) 轴向耦合到 L2 的时候,L1 对 L2 是呈放射状的位置(侧面对侧面)。L1 实际上对 L2-C2 的调谐和 Q 值没有影响,但是 QRM 陷波电路会影响调谐,尤其是接近 QRM 频率的时候。因此,当仍然允许接收引起注意的电台的时候,它们的耦合保持到最小限度。这接收机有能力接收频率很接近本地强台的电台。低阻抗的 Sound Powered 耳机与次级回路 L2-C2、检波器和 UTC A-27 型1 00KΩ 变换到 200 Ω 的输入变压器的阻抗匹配。估计单个的 12101 二极管检波器在正向呈现 200 KΩ 的电阻。这些串联的阻抗允许把检波器和耳机直接连接在调谐电路两端而不会有不适当的负载。陷波电路在过去使用是一团糟,尤其是用李兹线的情况下。此外,它们破坏线圈的 Q 值,在所有可能的情况下应避免使用。 Lyonodyne-17 的零件 (在2001年2月5日) C1: 双连可变电容器,每组 15-470 pF,高并联漏泄电阻 Rp。 C2: R/C (或 TRW) 公司的 15-497 pF 直线频率式可变电容器,标称并联漏泄电阻 Rp 是 20 兆欧。型号 107-C-522。工厂序号 5910-546-9239。Fair Radio 销售目录号码 C123/URM125。 C3: 与 C2 相同。 C4: 与 C2 相同。 C5: 0.02 uF 聚苯乙烯固定电容器。 D1: 收听挑选的 Radio Shack 12101 3RT 型锗二极管。 L1: 51 圈 100/44 号李兹线,绕在 5/8 英寸直径,1-3/16 英寸长的铁氧体磁棒上,u(eff)= 10.33。线圈长 1-35/64 英寸。电感 L= 146.6 uH,潜布电容 Co = 4.54 pF,Q 值在 0.5 MHz = 649。 L2: 36 圈 660/46 号李兹线,花篮式 “上-1,下-1” 的绕线模式。直径 5 英寸,13 点格式,长 1.9375英寸。电感 L= 185.6 uH,潜布电容 Co = 7.40 pF,Q 值在0.8 MHz = 1134。 L3: 36 圈 660/46 号李兹线,花篮式 “上-1,下-1” 的绕线模式。直径 5 英寸,13 点格式,长 1.9375 英寸。电感L= 185.6 uH,潜布电容 Co = 7.40 pF,Q 值在 0.8 MHz = 1060。 L4: 42 圈 660/46 号李兹线,花篮式 “上-1,下-1” 的绕线模式。直径 4.25 英寸,13 点格式,长 2.25 英寸。电感 L= 186.7 uH,潜布电容 Co = 6.45 pF,Q 值在 0.8 MHz = 1082。 R1: 500 KΩ 电位器 S1: DPDT 小型双开关 (责任编辑:admin) |



























