|
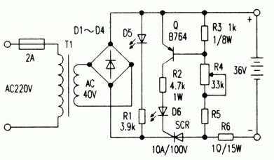
笔者经重复试验,制作了一款靠得住的电动自行车充电器,电路如附图所示。
一、电路特点 1.输出电压设定好后(譬喻36V),若被充电瓶极板脱落断开,造成某组电池不通,或呈现短路,则电瓶端电压即低落或为零,这时充电器将无输出电流。 2.若被充电瓶电压偏离设定电压,如设定电压为36V,误接24V、12V、6V电瓶等,充电器也无输出电流,若设定为24V误接为36V电瓶,因为充电器输出电压低于电瓶电压,因而也不能向电瓶充电。 3.充电器两输出端若短路时,因为充电器中可控硅SCR的触发电路不能事变,因而可控硅不导通,输出电流为零。 4.若行使时误将电瓶正负极接反,则可控硅触发电路反向截至,无触发信号,可控硅不导通,输出电流为零。 5.回收脉冲充电,有利于延迟电瓶寿命。因为低压交换电经全波整流后是脉动直流,只有当其波峰电压大于电瓶电压时,可控硅才会导通,而当脉动直流电压处于波谷区时,可控硅反偏截至,遏制向电瓶充电,因而流过电瓶的是脉动直流电。 6.快速充电,布满自停。因为刚开始充电时电瓶两头电压较低,因而充电电流较大。当电瓶即将富裕时(36V电瓶端电压可达44V),因为充电电压越来越靠近脉动直流输出电压的波峰值,则充电电流也会越来越小,自动变为涓流充电。当电瓶两头电压被充到整流输出的波峰最大值时,充电进程遏制。经试验,三节电动车蓄电池36V(12V/12Ah三节串联),用该充电器只需几个小时即可布满。 7. 电路简朴、易于制作,险些不消维护及维修。 二、电路道理 AC220V市电经变压器T1降压,经D1-D4全波整流后,供应充电电路事变。当输出端按正确极性接入设定的被充电瓶后,若整流输出脉动电压的每个半波峰值高出电瓶的输出电压,则可控硅SCR经Q的集电极电流触发导通,电流经可控硅给电瓶充电。脉动电压靠近电瓶电压时,可控硅关断,遏制充电。调理R4,可调理晶体管Q的导通电压,一样平常可将R4由大到小调解到Q导通能触发可控硅(导通)即可。图中发光管D5用作电源指示,而D6用作充电指示。 三、元件选择 电源变压器可用BK200型节制变压器,输出电压用36V挡,亦可用4090型200V环形变压器,选次级电压为22Vx2或20V×2挡串联行使。笔者行使的4090型环变,其次级电压为24Vx2、12Vx2、0-6-23V三组,若将其24Vx2挡串联(48V),则输出电压太高,充电电流过大(给36V电动车蓄电池充电时,串上电流表丈量均匀充电电流约为1.5-1.8A,此为均匀值,这时的峰值电流可达5-7A以上),为低落变压器输出电压,将别的的12V×2和O-6V两组线圈顺向串接于低级线圈中,使次级输出电压低落为空载40V,满载(均匀充电电流为1.2A时)为36V,可满意行使。因为4090型环形变压器市售价值仅为23元阁下.可以低落制作本钱。喜爱者也可自行绕制变压器。 其它,电路中整流全桥D1-D4可选用8-10A方形全桥,中间有一圆形安装孔,可安装在铝板上以便散热。可控硅可用1OA/100V金封单向可控硅,将其同整流桥用螺母牢靠在统一散热铝板上。触发三极管Q的参数为Vceo≥60V,IM=1A,可选用2SB536、B564、B1008、B1015或2SA684、A720等管子。R6用作限流掩护浸染,若变压器次级输出电压吻合,充电电流(均匀值)不高出1.5A,该电阻亦可省去不消。 该充电器若用于其他电压的蓄电池充电(如24V、12V等),则可选取变压器的次级输出电压别离为22V-26V、12V-14V等范例,同时恰当减小R2和R5的阻值,也可用波段开关别离节制次级交换电压和阻值转换,使该充电器有更大的行使范畴。 (责任编辑:admin) |









![[原创] DIY便携数码充电伴侣 (MC34063应用)](/uploads/allimg/170518/1_051Q0542252X.jpg)












