|
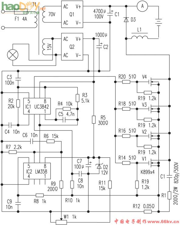
该充电机回收机能精良的脉宽调制专用IC UC3842为节制焦点,恒流节制回收单电源双运放LM358,功率调解用4只大功率管并联,可充12V~48V蓄电池,额定充电电流10A。因电路事变于开关状态,整机服从较高。 市电经T1降为70V后由Q1、C1整流滤波,经蓄电池、场管的漏源及R12形成充电主回路;15V经Q2、C2整流滤波后为整机提供事变电源。IC1为脉冲形成及脉宽调制电路,IC2为恒流节制取样处理赏罚,由R5、D2、C7构成稳压电路为IC2提供电源。IC1的电源从⑦脚输入,②、①脚为内部运放的正、负输入端,恒流节制电平从②脚输入,③脚为过载掩护输入端,④脚为时钟振荡端,振荡频率f=1.8/C4?R2,本机振荡频率约12kHz,⑥脚为脉宽调制输出,调制后的脉冲经防振电阻(R14、R16、R18、R20)别离注入四只场管的栅极,用调制的脉宽节制场管的导通时刻,即改变输出端的电压,以此节制输出电流,⑥脚的脉冲宽度受控于②脚的电压,该脚电压越高脉冲越窄,反之越宽。⑧脚为5V基准电源。IC2为双运放LM358,将R12上的电压经R8送至同相输入端⑤脚,经放大后从⑦脚输出至IC1的②脚,IC2⑥脚为调流节制端。D3为续流二极管,其浸染是在功率管截至时,为L1提供放电回路,防备L1的尖峰击穿场管,L1串在充电回路中,用于缓冲充电电流。W1为限流调解电位器,中心抽头向右充电电流大,向左则小。
变压器T1容量应大于600VA,可用40mm×100mm的铁心,低级用∮1.00mm漆包线绕310匝,次级用∮2mm漆包线绕100匝。Q1用200V、25A全桥,功率节制场管用400V 15A的四只并用,留意散热面积要足够,栅极连线要只管短,源极电阻R12为5W无感电阻,也可用3根5cm长2kW的电炉丝取代。D3用大于200V 8A的快规复二极管三只并联,散热面积不小于50mm×100mm(料厚4mm)。L1回收EE42型磁心,用∮0.57mm的漆包线8股并绕10匝,磁心间用绝缘板垫0.5mm的间隙,并用环氧树脂封牢。其他元件按图选用。 本机调解简朴,将W1调至图示的最左端,接上48V蓄电池,开启电源,细调W1使电流表A至10A,用数字万用表丈量R12两头电压,调解R11使W1两头电压便是R12两头电压即可。若无电流输出,先用万用表直流电压挡丈量IC1⑥脚有无电压(一样平常为几伏),若无可断开R3后测⑧脚5V电压是否正常,不然应改换IC1。之后测IC1②脚电压,一样平常为2V阁下,至此电压正常后该机可行使了。本机只要变压器容量足够,调解R11即可使充电电流扩至15A,其他元件不需窜改,但要增进调解管散热面积。 (责任编辑:admin) |





















