|
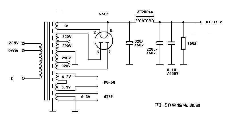
作者:lyna33 出处:胆艺轩论坛 刚开声,交流声基本上不可闻。相信经过煲机及效声后会有好的表现。 内部布线: 电路图,各电压值为实测值,不知是否正确,请指正。 电源图: 参考电路:将6J8P改为6H8C,感觉上低频比6J8P好些,人声温暖,耐听。咐电路图,请大家指正 (责任编辑:admin) |
|
作者:lyna33 出处:胆艺轩论坛 刚开声,交流声基本上不可闻。相信经过煲机及效声后会有好的表现。 内部布线: 电路图,各电压值为实测值,不知是否正确,请指正。 电源图: 参考电路:将6J8P改为6H8C,感觉上低频比6J8P好些,人声温暖,耐听。咐电路图,请大家指正 (责任编辑:admin) |
用2毫米厚铝板自己动手制作了小机壳,沙金片输出牛装了一台小单端,声音感觉还不错...
首先感谢白居不易老师!再谢谢直热胆老师还有sun26210老师!他们的指导和帮助!!! ...
很久很久以前~~~那时候喜欢音乐 喜欢单机甜美醇厚通透的音色,所以自己做啦一个,当时...
灯丝电压0-15V可调,两个317并联可达4A.B+现用变压器加调压0-450V,准备改用开关电源,电...
以前做了个6P1,但摆在那里总觉得不爽,于是就把它推倒重来。这台机全是用旧物品作,...
两年多以前,我无意间闯入了本坛,恰巧这时我弟弟给了我两对配好对的6L6和2只用C型铁...
最近调试的300B牛推845电子管胆
更新:2013-01-24
6sn7+el34+805单端胆机
更新:2012-10-11
国庆期间制作的单端胆机Dynaco S
更新:2012-10-17