|
朋友要一个用6550做放大的功放。
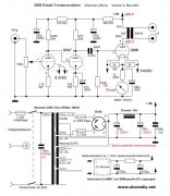
条件是好看,好装和简单。 选用6SN7GT做前级,中缪双三极管。放大因数20.屏阻6.7~7.7K。双三极管可有两级放大。 选用此管的目的只有一个,与6550高挑的身形相匹配。 6550功放管:所谓的集射功率管。音色偏柔和。此管据说是在甲乙类推挽电路中表现不菲。 朋友的目的是推动桌面监听级小音箱。故仅利用它的400V阳极高压提供足够的动态范围。 整机由于上面的原因,采用单声道模块化结构。两个单元用两组模块,三声道用三组模块。 电源为高频开关电源。灯丝使用直流方式。 线路为普通线路。故不上图叨扰。 零件面丝网 焊接面 阻焊点 地线 前置级 推动级 灯丝 高压 ![]() 零件布局(纯粹为了美观) ![]() ![]() 虚拟装配 管子就是这个样子的。 还有这个样子的。 灯丝用6.3V直流(交替使用) 四个立式电解电容只为美观,还有一个没有阻值的电阻仅仅是占位(也可以和上面的电阻配对,阻值加大一倍) 用了四只发烧级别的同轴电容依旧是为了美观。 至于效果,让别人慢慢的磨合去吧,估计不会有太不堪的表现。 据说完成后是这个样子的: ![]() 已有方案。 ![]() 作为业余选手自备的三四级民用电子管收音机前级的后续放大,好听不是第一位的。 好看才是需要认真对待的。 好看的同时用好弄的方式提供平台,其实就是现代版的胆式2P3呀! ![]() 看到这个实物摆位了吗?我连胆和牛都没有,电阻也配不齐。好听不好听就全靠后面的人去打理了。
(责任编辑:admin) |





































