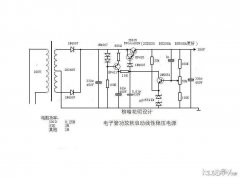
手中有几只小塑壳,一直想做点小东西玩玩。![]() ![]() 看到坛子里网友们做的6N1、6F2、6J5等微型小功放很感兴趣,于是一直想动手做一台。首先要准备材料、元器件,必须尽量利用手中的破烂,实在没有再去买。 胆要求数量要少,电牛也要小,不然塑壳装不小。 手中只有一小盒垃圾管:6N1、6P1、6F2、6N3、6N2、6N7P等。 只有一只小电牛,次级电压两组:170V、6.3V,就想利用它了。 ![]() 由于此电牛原来用于6N3前级,只能供6N3两只电子管工作,电流很小,要做电脑功放,手中的管子都不合适。 淘宝上看到6T1这个冷门管,3元一只,不贵,查手册是用于推挽输出,阳级150V,双四极管,对它产生好奇心,我这个小电牛推一个6T1完全可以,就买它了。 ![]() 输出变压器没有,就向求是买了两只小输出。 ![]() 翻箱倒柜找了一些阻容件,看到一只以前黑白机上的帧阻流圈,想不出能做啥用?扔了也舍不得,就用在电源电路里吧。权当它寄存在这个塑壳内。 ![]() ![]() 整流二极管据说用拆机的比较保险,报废的电动自行车充电器有好几只,拿了一只,看到上面的滤波电路完好,利用一下我想不会有坏处的,于是干脆锯下滤波电路部分。其余几只拆下68U/400V电解电容用于电源电路上。 ![]() ![]() 接下来要画出6T1电路,发现坛子里有师傅装过,于是就模仿了,再结合自己的元器件,图有所改动。 先加入“纸板党”试搭电路,用CD放音,音量虽然不大,但也够用了。 ![]() 整理后的电路图如下: ![]() 由于电脑、CD、MP3等音源都有音量控制,所以电路图中就省去了音量电位器了。 接下来要想办法装入塑壳内,本人要求: 一、塑壳面上不允许有螺钉孔。 二、凸出电子管形象。 三、面板要简洁。 于是先纸上谈兵,排出了位置图: ![]() 由于位置比较紧凑,小电牛高度正好能容入塑壳内,输出牛要与电牛保持垂直,于是拆去输出牛的包夹重新用不锈钢皮做了两只包夹,包夹制作过程如下: 先量出输出牛的尺寸,用三维CAD软件的钣金功能绘出包夹图: ![]() 点一下“展开命令”就立即变成展开图: ![]() 转出二维CAD图,一比一打印出来: ![]() ![]() ![]() ![]() ![]() ![]() ![]() 下来的事情是如何焊接?塑壳内搭棚焊接难度很大,于是就做一块印版吧: ![]() ![]() 接下来就是焊接、装配: ![]() ![]() ![]() ![]() ![]() ![]() ![]() ![]() ![]() ![]() ![]() ![]() ![]() ![]() ![]() 试接CD或电脑放音,没有听到噪声、交流声,还算幸运。 接上自制的MP3放音,声音很小,找到一件“Fiio”耳机放大器串于中间,声音正好!一口气听了三个小时,摸摸机壳仅有点微温。
(责任编辑:admin) |








































(责任编辑:admin)












