最好的电子音响科技diy制作网站

haoDIY_音响电子电脑科技DIY小制作发明

当前位置: 主页 > 音响DIY > 胆机DIY > 后级DIY >

老牛搭建的小型6au6+6F6单端胆机后级

时间:2012-10-19 10:13来源:胆艺轩 作者:海啸 点击:
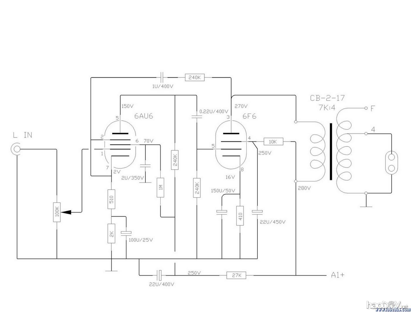
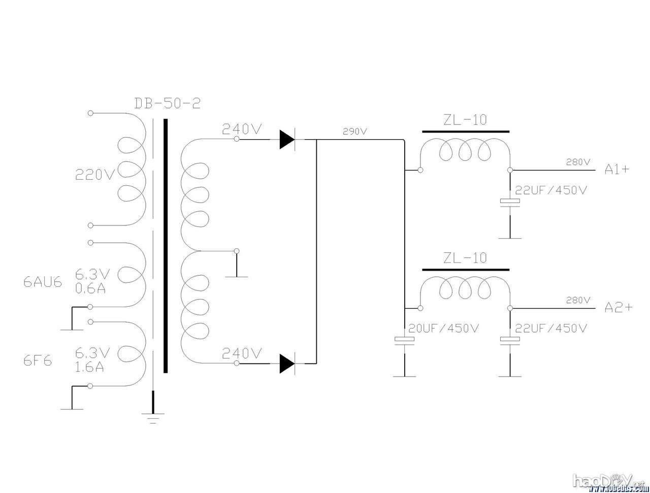
那尽显苍桑的老牛在书架下摆放了多年,拿上手都是 上海 二十七厂老 变压器 ,曾是 L-601 开盘录音机的主要元件。看到老牛身满是厚厚尘埃,就有那种将它们重新投入工作,物尽其用的想法。DB-50-2 电源 牛、 CB-2-17 输出 牛、 ZL-10-9 扼流圈,花了几天时间用
那尽显苍桑的老牛在书架下摆放了多年,拿上手都是上海二十七厂老变压器,曾是L-601开盘录音机的主要元件。看到老牛身满是厚厚尘埃,就有那种将它们重新投入工作,物尽其用的想法。DB-50-2电源牛、CB-2-17输出牛、ZL-10-9扼流圈,花了几天时间用这几只老牛及手头的国产元件搭建一台小型单端后级。

老牛搭建的小型6au6+6F6单端胆机后级

CB-2-17输出牛的初级阻抗(7K)及电源牛高压绕组的参数(全波240V\DC 75MA),选用6F6作为功率输出管,晶体管全波整流,现有两个扼流圈,两声道则分别滤波、退耦;

老牛搭建的小型6au6+6F6单端胆机后级 

 元件除老牛外,基本是国产老元件:滤波(退耦)电容采用“和平”牌电解电容;级间耦合电容采用CZM-J2系列;屏极反馈电容采用CZ40系列;音量电位器采用WT100KX2等

按6F6及6AU6参数,画了一个电路图,供参考
老牛搭建的小型6au6+6F6单端胆机后级

电原牛用6F6整机电流就在70MA左右.
电源部分图

 

老牛搭建的小型6au6+6F6单端胆机后级


都是手头现成的老牛,输出牛感觉不错,试听时低频还是较丰厚的,听感还是不错的

(责任编辑:admin)
织梦二维码生成器
顶一下
(0)
0%
踩一下
(0)
0%
------分隔线----------------------------
发表评论
请自觉遵守互联网相关的政策法规,严禁发布色情、暴力、反动的言论。
评价:
表情:
用户名: 验证码:点击我更换图片
栏目列表
推荐内容