最好的电子音响科技diy制作网站

haoDIY_音响电子电脑科技DIY小制作发明

当前位置: 主页 > 音响DIY > 胆机DIY > 后级DIY >

燈絲緩衝、高壓緩送的6EM7+em800胆机真空管後級

时间:2012-09-15 21:13来源:www.diysong.com 作者:wensan 点击:
wensan-- 2005/5/19 餅乾盒音響 大概從國小升國中那時候開始,我對收音機、擴音機這些音響電子產品感興趣,又從 舊書攤找到幾本「無線電技術」、「電子情報」、「音響技術」雜誌,便開始裝起電 晶體收音機、電晶體放大器來,還把家裡的真空管電唱機拆開來研究
wensan-- 2005/5/19


燈絲緩衝、高壓緩送的6EM7+em800胆机真空管後級
餅乾盒音響

大概從國小升國中那時候開始,我對收音機、擴音機這些音響電子產品感興趣,又從
舊書攤找到幾本「無線電技術」、「電子情報」、「音響技術」雜誌,便開始裝起電
晶體收音機、電晶體放大器來,還把家裡的真空管電唱機拆開來研究。

如今這個電唱機就只剩下下面照片中這個「殘骸」了。

燈絲緩衝、高壓緩送的6EM7+em800胆机真空管後級


那時候家裡的經濟狀況也不是很好,我的零用錢很少,所以常常餓肚子不吃午餐,把
父母親給我買午餐的錢省下來,拿去買電子零件。


在這種情況下,要湊錢買電子零件已經很勉強了,根本沒有錢買機箱,但音響放大器
沒有機箱屏蔽也不行,所以當時製作的放大器都是裝在鐵製的餅乾盒、糖果盒裡。


燈絲緩衝、高壓緩送的6EM7+em800胆机真空管後級

二、三十年過去了!最近由於在DiySong和電光火石網站上推出了一個「緩衝啟動、
喇叭保護器」套件,有很多人問說這個套件能不能做為真空管放大器的「延遲送電裝
置」,或是「燈絲緩衝電路」?我覺得這當然可以,只是原來的電路要如何修改,還
是得拿個實際的真空管放大器來實驗看看才行!正好阿犬兄在DiySong網站上推出
「6EM7真空管放大器」套件,就跟阿犬兄A了一套過來,可惜沒A到機箱,剛好看到
書架上有個禮舫喜餅的餅乾盒(我八年前結婚時的喜餅),拿PC板來比一下尺寸大
小,似乎蠻合適的,於是就決定把「6EM7真空管放大器」裝在這個餅乾盒裡。

燈絲緩衝、高壓緩送的6EM7+em800胆机真空管後級


級進音量控制器

裝配這個「6EM7真空管放大器」PC板上的零件很容易,大概半個小時就銲好了,不
過要在餅乾盒上挖孔卻是大工程,花掉我好幾天的時間才搞好!


在阿犬兄原來的套件裡,附了一個50K的VR做為音量控制之用,但我既然在
DiySong和電光火石網站上推出了「級進音量控制器」的套件,當然要換上我的「級
進音量控制器」來試試效果如何囉!



我推出的「級進音量控制器」套件,分成「10KΩ梯子型Ladder Type VR」、
「100KΩ梯子型Ladder Type VR」、「10KΩ串列型Serial Type VR」、
「100KΩ串列型Serial Type VR」四種規格。這個「6EM7真空管放大器」可以搭
配「10KΩ梯子型Ladder Type VR」或「10KΩ串列型Serial Type VR」皆可。


「梯子型Ladder Type VR」用在非平衡式放大器為二聲道音量控制器,「串列型
Serial Type VR」用在非平衡式放大器為四聲道音量控制器,「串列型Serial Type
VR」若用在平衡式放大器則為二聲道音量控制器。

燈絲緩衝、高壓緩送的6EM7+em800胆机真空管後級燈絲緩衝、高壓緩送的6EM7+em800胆机真空管後級


【梯子型Ladder Type級進音量控制器】

「6EM7真空管放大器」並不是平衡式放大器,不過也可以用四聲道「串列型Serial
Type VR」,接線的時候只要接「串列型Serial Type VR」中的兩聲道,剩下的兩
聲道空接即可。

燈絲緩衝、高壓緩送的6EM7+em800胆机真空管後級燈絲緩衝、高壓緩送的6EM7+em800胆机真空管後級


【串列型Serial Type級進音量控制器】

我把「梯子型Ladder Type VR」跟「串列型Serial Type VR」兩種音量控制器都
裝上去試聽看看,聽來聽去,似乎比較不出什麼差別來!但我最後還是選用「串列型
Serial Type VR」,雖然「梯子型Ladder Type VR」的接法在網路上被炒得很
熱,但我心理還是覺得「串列型Serial Type VR」的接法雖然訊號路徑會經過多個電
阻,但只會經過一個開關接點,而「梯子型Ladder Type VR」的接法,訊號路徑會
經過兩個開關接點,而且我為「串列型Serial Type VR」訂製體積很小的1/8W低雜
音金屬皮膜電阻,裝配起來非常小巧緊湊,所以才會比較偏愛「串列型Serial Type
級進音量控制器」。


 

燈絲緩衝、高壓緩送電路

真空管的燈絲之所以須要開機緩衝,是因為燈絲跟傳統的鎢絲燈泡一樣,它的電阻特
性是屬於正溫度係數的電阻材質,查6EM7的規格資料可查出其燈絲電壓為6.3V,燈
絲電流為0.925A,換算其正常工作時的電阻值為6.8Ω,但我在室溫下,拿未工作、
仍在低溫狀態的6EM7,用電表歐姆檔量它的電阻值,才1.2Ω而已,如果1.2Ω的阻
值接上6.3V的電壓,會有5.25A的電流,是它正常工作電流的5.67倍。EM800的燈
絲電壓為6.3V,燈絲電流為0.3A,換算其正常工作時的電阻值為21Ω,量在低溫狀
態的EM800燈絲的阻值才3.4Ω,當它在低溫狀態接上6.3V的燈絲電壓,瞬間會有
1.85A的燈絲電流,是正常工作電流的6.17倍。

燈絲緩衝、高壓緩送的6EM7+em800胆机真空管後級

【LM317 Data Sheet中的電壓緩升應用電路範例】

由於真空管燈絲在開機瞬間會有比正常工作電流大上5、6倍的湧衝電流產生,因此一
般燈絲穩壓電路都會有電壓緩升的設計,像上圖便是LM317 Data Sheet中的電壓
緩升應用電路範例。也有人為了解決真空管燈絲的開機湧衝電流的問題,而以恆流電
路來點量真空管的燈絲,讓真空管的燈絲不管是在高溫還是低溫的狀態、燈絲阻值是
大還是小,流過燈絲的電流都固定。


燈絲恆流雖然也可以解決真空管燈絲的開機湧衝電流的問題,但我覺得這是因噎廢
食、矯枉過正的做法,因為燈絲就是真空管的加熱器(Heater),目的是為了將真
空管的陰極加熱產生游離電子。


由於燈絲是屬於正溫度係數電阻,燈絲的電阻值會隨燈絲的溫度上升而增加,燈絲穩
壓的好處就在於燈絲電阻的正溫度係數,當燈絲的溫度升高,電阻就變大,使電流變
小,形成一個自我調整的控溫機制,可以使燈絲的工作溫度穩定下來。


燈絲如加上恆流就完全破壞了這個控溫機制,因此當燈絲受環境溫度影響而使溫度過
高時,由於恆流的關係,電流不變,但燈絲電阻卻變大,使得消耗功率更大,發熱更
多,會使燈絲溫度更高!


當燈絲受環境溫度影響而使溫度過低時,由於恆流的關係,電流不變,但燈絲電阻卻
變小,使得消耗功率變小,發熱變少,會使燈絲溫度更低!


所以燈絲恆流使燈絲溫度容易受環境散熱條件所影響而偏高或偏低,燈絲溫度較不穩
定!


燈絲即使進入工作時的熱平衡狀態,燈絲的溫度還是會受環境的散熱條件所影響,而
會有穩定在較高的溫度或較低的溫度的差別,燈絲穩壓的自我調整的控溫機制可以讓
這個差別減小,要知道,燈絲的溫度影響到陰極游離電子的數量,對真空管的特性、
工作點會有影響。



至於燈絲恆流還是穩壓,哪一種的聲音比較「好聽」?

其實燈絲恆流跟穩壓同樣都是以直流加熱燈絲,在燈絲上的漣波透過雜散電容或電
場、磁場的感應,混入放大電路或對訊號造成調變效應上,燈絲恆流跟穩壓的條件都
一樣,除非裝配者對恆流跟穩壓電路的處裡能力不同,不然沒有理由說哪一種會比較
「好聽」!


再不然,各種恆流電路跟穩壓電路一大堆,哪一種電路產生的漣波會讓聲音比較「好
聽」實在也無從討論起。


要解決真空管燈絲的開機湧衝電流的問題,除了燈絲電壓緩升穩壓電路或燈絲恆流電
路之外,其實也可以像電晶體放大器加上緩衝啟動電路一樣,為真空管燈絲加上緩衝
啟動!


我的「緩衝啟動、喇叭保護器」套件是原本是設計給電晶體擴大機使用的,使用
5Ω/7A NTC熱敏電阻三個串聯做為開機緩衝之用,對於真空管放大器的燈絲緩衝而
言,緩衝電阻的阻值太小,起不了緩衝保護的功能。經過幾番實驗之後,針對這個
「6EM7真空管放大器」,決定將緩衝電阻改為100Ω/5W的水泥電阻,各位可以視
真空管放大器的燈絲耗電狀況,選用47Ω/5W~220Ω/5W的水泥電阻做為燈絲緩衝
電阻。

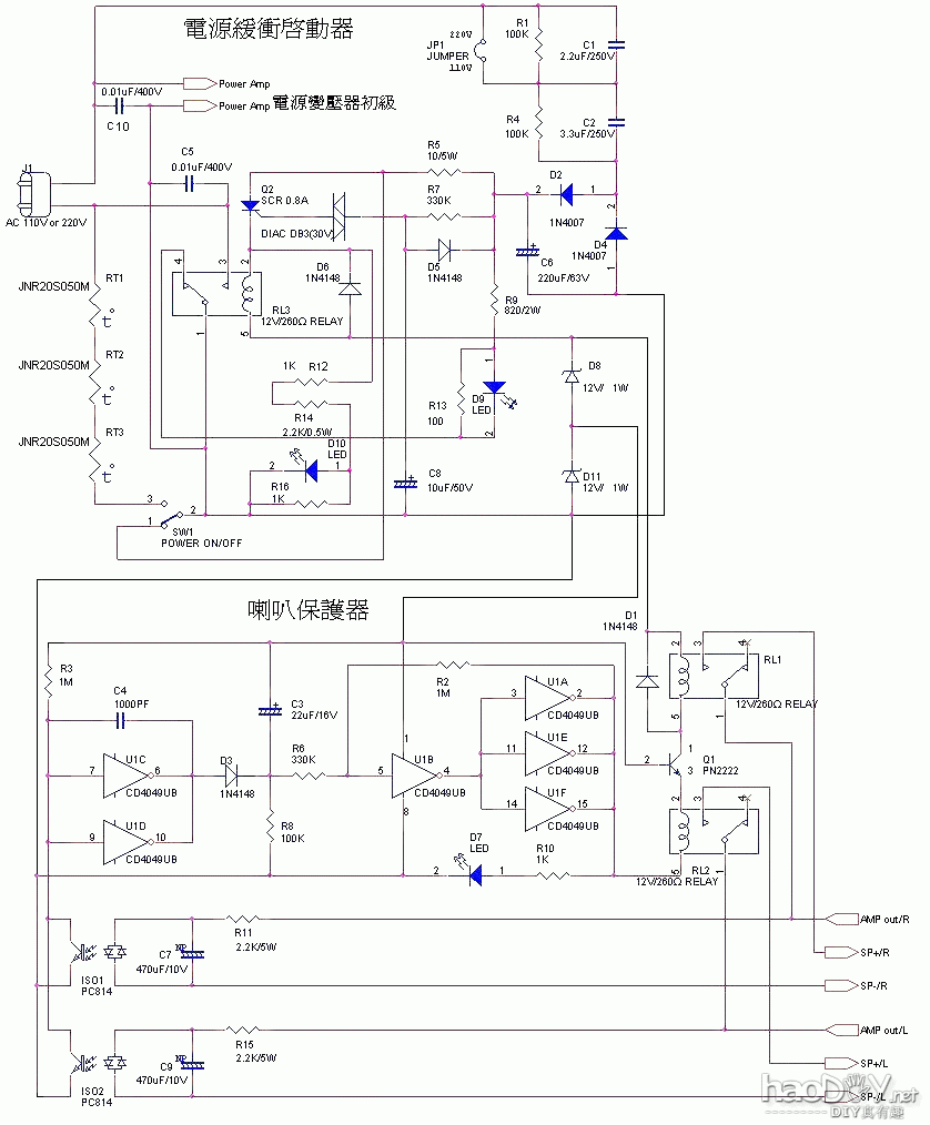
燈絲緩衝、高壓緩送的6EM7+em800胆机真空管後級


【原本「緩衝啟動、喇叭保護器」的電路圖】

真空管放大器高壓緩送的部分由原本「緩衝啟動、喇叭保護器」中的喇叭保護器來負
責。


由於不需要做直流偵測的動作,所以PC814光隔離器及470uF/10V無極性電容、
2.2K/5W電阻不接,這樣喇叭保護器電路就成為單純的延遲開關電路。


電路中的RL1、RL2兩個繼電器原本透過Q1 PN2222電晶體串聯一起動作,但為了
將真空管放大器的高壓加上緩衝保護,所以Q1 PN2222電晶體不接,PC板上Q1
PN2222電晶體接腳位置的三個孔用跳線短路起來,這樣RL1繼電器就會比RL2繼電
器早幾秒鐘動作!將RL1、RL2兩個繼電器的開關接點串聯起來,在RL2繼電器的開
關接點並上270Ω/5W的水泥電阻,就成為高壓緩衝電路。


真空管放大器的高壓電源之所以要加上緩衝,是因為在高電壓的狀況下,繼電器接點
在開關的瞬間如果有大電流流過,會產生很大的火花放電現象,對繼電器的接點損傷
極大,繼電器的接點用不了多久就報銷了!其實繼電器的絕緣能力絕對能承受上千伏
的高壓,但繼電器的接點卻無法在高電壓的狀況下,在開關的瞬間承受大電流流過。


所以用兩個繼電器跟電阻接成緩衝電路,讓繼電器接點在開關的瞬間不會流過大電
流,便可以有效保護繼電器接點。


因為「緩衝啟動、喇叭保護器」套件所使用的繼電器外殼是透明的,各位可以實驗比
較看看,高壓電源不加上緩衝時,繼電器接點在開關的瞬間,由於濾波電容充電的大
電流,會導致繼電器接點產生很大的火花。但加上緩衝之後,火花放電的現象就不見
了!


高壓緩衝電阻的阻值大小,可以視真空管放大器的高壓濾波電容大小,選用
100Ω/5W~470Ω/5W的水泥電阻做為高壓緩衝電阻。
 
燈絲緩衝、高壓緩送的6EM7+em800胆机真空管後級

【改成「燈絲緩衝、高壓緩送」電路的電路圖】

燈絲緩衝、高壓緩送的6EM7+em800胆机真空管後級
【「燈絲緩衝、高壓緩送」電路零件裝配圖】

燈絲緩衝、高壓緩送的6EM7+em800胆机真空管後級
【「燈絲緩衝、高壓緩送」電路銲接面,注意圖中標示的接點要短路起來!!!】

燈絲緩衝、高壓緩送的6EM7+em800胆机真空管後級
【「燈絲緩衝、高壓緩送」電路配線圖,注意圖中標示須要修改的地方!!!】

燈絲緩衝、高壓緩送的6EM7+em800胆机真空管後級

 

 

6EM7真空管放大器的串音問題

把6EM7真空管放大器裝好之後,少不了要測一測它的性能。所以就拿了一個
8Ω/40W的水泥電阻接在待測聲道的輸出端,代替喇叭做放大器的假負載,另一聲道
只拔掉輸入訊號線,輸出端仍接著喇叭。結果將待測聲道輸入1KHz方波時,竟聽到
另一聲道的喇叭發出聲音,聲音雖然不大,卻很清楚!這很顯然是串音的問題。


雖然在實際聆聽音樂時,並不覺得有串音的問題,但是用示波器一測,串音的波形一
清二楚。
燈絲緩衝、高壓緩送的6EM7+em800胆机真空管後級

【還未將濾波、退交連分開時的串音波形,上方為未輸入訊號那一聲道的輸出,下方
為輸入1KHz方波訊號那一聲道的輸出】


技術本位的我,當然要設法改善串音的問題。看一看PC板的Layout,驅動級的電源
比較好改,因此從驅動級的電源下手,開始割銅箔,將驅動級的穩壓電源兩聲道分別
加上1KΩ電阻跟22uF/200V電解電容的退交連電路,用示波器測出的串音波形只是
稍有改善而已,由於驅動級的電源本來就已經加上穩壓了,再加上退交連電路的效果
有限也是理所當然。


燈絲緩衝、高壓緩送的6EM7+em800胆机真空管後級
【將驅動級的穩壓電源兩聲道分別加上退交連電路後的串音波型】

驅動級的電源已經改掉了,接下來就只好改輸出級的電源,剛好原來的濾波電路是兩
個20Ω/2W電阻跟兩個560uF/400V電解電容做成兩級RC濾波電路,我把它分開來
兩聲道各用一級RC濾波電路,再用示波器測試,串音波形大有改善。


燈絲緩衝、高壓緩送的6EM7+em800胆机真空管後級
【將輸出級的濾波電路兩聲道分開後的串音波型】

 

增加貓眼管的擺幅

剛裝好6EM7真空管放大器放音樂試聽時,就發覺EM800的擺幅很小,平常聆聽音樂
時的音量大小根本看不出EM800的擺動,上網找到EM800的資料,發現要-8V~-
10V的電壓才能將EM800驅動到滿格,EM800的驅動訊號接輸出變壓器的8Ω輸出端
時,訊號擺幅實在太小,便找來100KΩ電阻和0.1uF/250V電容串聯,動手將
EM800的驅動訊號由輸出變壓器的8Ω輸出端,改成經由100KΩ電阻和0.1uF/250V
電容串聯接到3KΩ輸入端。


輸出變壓器的阻抗比3KΩ:8Ω,換算成電壓比為
19.36:1,也就是說輸出變壓器3KΩ輸入端的訊號電壓比8Ω輸出端大了將近20
倍,用來驅動EM800可以大幅增加擺動的靈敏度,而且3KΩ並上幾百KΩ電阻時,相
差近百倍,負載效應非常小,不會對輸出信號有不良影響。


燈絲緩衝、高壓緩送的6EM7+em800胆机真空管後級
【將EM800的驅動訊號由輸出變壓器的8Ω輸出端改接到3KΩ輸入端】

 

加上負回授

這個6EM7真空管放大器原本是開環路、無回授的設計,不知道改成負回授放大器的
效果怎樣?心想要玩就玩個徹底,變動手為它加上負回授,交連電容與陰極旁路電容
也都加大。


經過幾番測試修改,最後將電路改成如下圖所示:

燈絲緩衝、高壓緩送的6EM7+em800胆机真空管後級

一般為真空管放大器加上負回授的方式,都只是以一個回授電阻將訊號由輸出拉回到
驅動級的陰極,這樣回授電路的阻抗較大,相當於驅動級的陰極有個蠻大的陰極電
阻,使驅動級的放大率降低。所以我是以150Ω和51Ω電阻分壓,再經由
2200uF/10V的電解電容,將回授訊號耦合到驅動級的陰極。


電路中的電解電容電壓低的就並上0.1uF基層電容,電壓高的就並上0.1uF/250V金
屬皮膜電容。


加上負回授時,必須注意輸出變壓器的相位問題,最好在開環路的狀況下確認好輸入
訊號跟輸出訊號同相之後,再把負回授接上去!

 

輸出變壓器與頻率響應

在改成負回授放大器的過程中,用1KHz方波下去測方波響應時,卻發現方波響應有
不小的鈴振現象,我從輸出級的屏極拉補償電容到驅動級的陰極,補償電容加大到
2200PF/250V後,方波響應仍然有明顯的過衝,而方波前後緣的上升下降速度已經
大受影響。


後來跟阿犬兄聯絡後,才知道原來這批套件跟Look-T兄訂製的輸出變壓器的數量有所

不足,所以李站長就拿了兩顆一般的輸出變壓器給我充數,跟Look-T訂製的輸出變壓器頻率響應比較好。

燈絲緩衝、高壓緩送的6EM7+em800胆机真空管後級
【使用一般輸出變壓器無補償電容時的1KHz方波響應】

燈絲緩衝、高壓緩送的6EM7+em800胆机真空管後級
【方波前緣】

燈絲緩衝、高壓緩送的6EM7+em800胆机真空管後級
【方波後緣】


燈絲緩衝、高壓緩送的6EM7+em800胆机真空管後級
【使用一般輸出變壓器加上2200PF/250V補償電容時的1KHz方波響應】

燈絲緩衝、高壓緩送的6EM7+em800胆机真空管後級
【方波前緣】

燈絲緩衝、高壓緩送的6EM7+em800胆机真空管後級
【方波後緣】

 

從阿犬兄那邊弄不到6EM7專用的輸出變壓器,只好找源頭Look-T兄,幸蒙羅兄致贈
兩顆輸出變壓器,我才可以好好比較一下輸出變壓器的差異!


燈絲緩衝、高壓緩送的6EM7+em800胆机真空管後級
【Look-T輸出變壓器】

 

換上Look-T兄的輸出變壓器一測,立刻分出高下!
從下面幾張方波響應的波形圖可看出,在不加補償電容的情況下,方波響應已經相當
完美,把波形拉開來才看到極微小的鈴振,加上680PF/250V補償電容後,鈴振便完
全消除,方波的上升下降波形都非常理想,可見輸出變壓器的好壞對真空管放大器的
影響有多大了!


燈絲緩衝、高壓緩送的6EM7+em800胆机真空管後級
【使用Look-T輸出變壓器無補償電容時的1KHz方波響應】

燈絲緩衝、高壓緩送的6EM7+em800胆机真空管後級
【方波前緣】

燈絲緩衝、高壓緩送的6EM7+em800胆机真空管後級
【方波後緣】


燈絲緩衝、高壓緩送的6EM7+em800胆机真空管後級
【使用Look-T輸出變壓器加上680PF/250V補償電容時的1KHz方波響應】

燈絲緩衝、高壓緩送的6EM7+em800胆机真空管後級
【方波前緣】

燈絲緩衝、高壓緩送的6EM7+em800胆机真空管後級
【方波後緣】


燈絲緩衝、高壓緩送的6EM7+em800胆机真空管後級
【使用Look-T輸出變壓器加上680PF/250V補償電容無負回授時的1KHz方波響應】

燈絲緩衝、高壓緩送的6EM7+em800胆机真空管後級
【方波前緣】

燈絲緩衝、高壓緩送的6EM7+em800胆机真空管後級
【方波後緣】

 

 

燈絲緩衝、高壓緩送的6EM7+em800胆机真空管後級
【使用Look-T輸出變壓器無補償電容無負回授時的1KHz方波響應】

燈絲緩衝、高壓緩送的6EM7+em800胆机真空管後級
【方波前緣】

燈絲緩衝、高壓緩送的6EM7+em800胆机真空管後級
【方波後緣】

整個改機完成後,實測的開環路增益是6倍,回授比例是1/4,閉環路增益是2.4倍。


燈絲緩衝、高壓緩送的6EM7+em800胆机真空管後級
燈絲緩衝、高壓緩送的6EM7+em800胆机真空管後級

最後,我還是把Look-T的輸出變壓器拆下慎重的收藏來,換裝回一般的輸出變壓器。
這麼好的輸出變壓器,等以後搞個「直交6EM7真空管放大器」再拿出來用!



(责任编辑:admin)
织梦二维码生成器
顶一下
(1)
100%
踩一下
(0)
0%
------分隔线----------------------------
发表评论
请自觉遵守互联网相关的政策法规,严禁发布色情、暴力、反动的言论。
评价:
表情:
用户名: 验证码:点击我更换图片
栏目列表
推荐内容