|
去年刚开始玩胆机时,就在网上读各类文章。某天误入一胆坛,看了一篇关于6AR6的文章。因入此道时间不长,根基浅,很容易被呼悠。这不,看了这文章,不知咋的,就想搞几个6AR6玩玩。还好,这年头想买什么都能买到。也加上此管不贵,就顺手买了几个。(当然,和我后来买管相比可贵多了). 然后就有了下面这个制机过程。 1。管子篇。 6AR6是4极束射功率管,不是很普及。在材料网上也几乎没有见过(也就免了枪手之嫌)。所以先把管子的来历交代一下。据网上说,此管的前身是WE350B。此管由WE,即后来的贝尔实验为军方设计。天梭从WE买了生产权。据说阴极材料和纯度都是按WE的标准(这些就足够将我这样的新人呼悠起来了)。6AR6的屏耗是19W,6AR6WA/6098的屏耗是21W。6AR6是椭圆屏,而6AR6WA是长方屏。下面两张照片是6AR6WA和807及6L6GC的比较。6AR6的屏极比807要大1/4,807的屏耗是25W。6AR6的屏极比6L6GC大,而6L6GC的屏耗是30W。所以,21W的屏耗是应该来说是比较保守的。而且,灯丝电流是1。2A,比807和6L6GC都大。和EL34相当。
作为4极管,这个管子线性不是很好。这从管子的输出特性曲线可以看出。买的时候不懂,买回来以后才发现。没办法,亡羊补牢,只能看看有什么办法来用它了。下面是6AR6三极管接法的输出特性曲线。从这曲线来看,线性还是不错的。特别是管子的输出阻抗低,只有1k欧姆,大大低于807和6L6GC的三极管接法。和EL34的三极管接法相当。尽管它的屏耗低于807和6L6GC很多。作为三极管接法,
它的输出功率要比807和6L6GC大.而EL34在屏压350伏以上,屏耗线已经进入输出特性线的弯曲段(不同的等栅压线不平行);而6AR6在350伏屏压上,屏耗线仍是在管子的直线区域,不同的等栅压线基本平行。所以,高屏压下工作它要比EL34线性好。当然,这不如2A3#p#分页标题#e#,但和EL34相比,6AR6更接近于2A3。而这个管子(NOS)价钱是EL34(NOS)的1/10,不到2A3(NOS)的1/10。对我这样的新手,拿这样的管子玩玩还真不错。烧坏了也不心痛。所以这回成了歪打正着,可以用它来做一台三极管接法的单端玩玩。去年出差在上海,有机会在丽影广场(南京路浙江路附近)听过2A3,当时的感觉是声音很园润,很自然,没有一点毛刺感。不过听的是童丽的歌。所以动态是谈不上了。第一次听2A3,感觉还不错的。 2。设计篇。 决定了做什么机器。第一件事就是要设计一个电路。做过不少的电路设计,就是没有设计过电子管的电路。听过做过的机器也不多,至于管子和元件应该如何搭配就没有任何概念了。所以这个设计完全是基于一般功率放大器的设计思想和设计过程。电路的设计就是用管子的特性曲线。设计时只计算失真,至于那个管子好声坏声就没有办法考虑了。如有错的请大家指正,这也是我的一个学习过程。
音频功率放大器的设计首先要满足如下几个基本指标。 1。获得最大的不失真功率。 2。有足够的增益。 3。有足够宽的频率响应。 4。尽量高的信噪比。 从系统的角度来讲。功率放大器的设计由下面几个步骤组成。 1。功放级设计 单端功放级的设计相对来说是比较简单,因为:1。结构简单,几乎没有什么变化;2。要满足的参数比较单一,主要就一个,不失真功率。所谓后级出力,主要是力。而当功放管决定以后,所谓设计就是一个优化过程. 因为功放管决定输出功率,工作电压,工作电流,负载阻抗,推动电压及失真度。 就以6AR6为例。 首先是选管子的静态工作点。这个点由两个因素来决定,1。电压电流的乘积必须低于管子的最大屏耗;2。工作点要在特性曲线的线性区域,这可以通过变化电流电压的比例来定。。对6AR6取最大屏耗21W,这样可以得到最大的输出功率。因为这管子的余量比较大,选用21W不会有大问题。最后工作点的选择应该和负载阻抗同时进行优化。计算过程在J版发的文章里有详细的介绍。这里就发一些图来说明结果。 ![]()
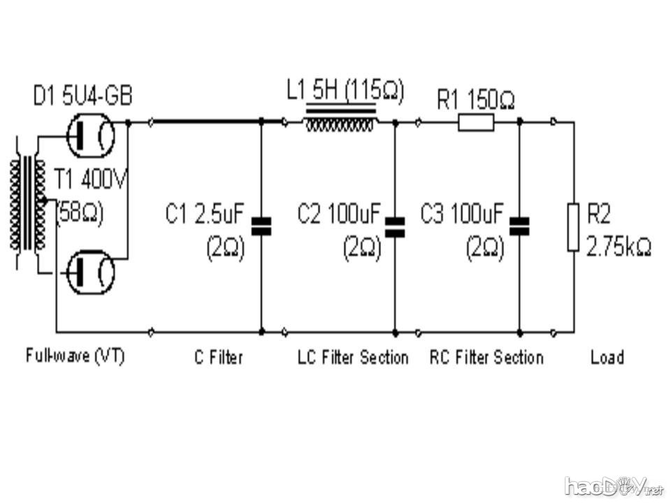
从最后这张图可以看出几点; 1。对同一阻抗,屏极电压越高,功率就越大,这是一个好理介的结果。2。对同一电压,阻抗越低,功率也越大,但同时失真变大。特别是当阻抗低于3K以后,失真加大快于功率增大,得不偿失。所以,负载阻抗不应低于3K。阻抗太高,尽管失真小,但输出也小。而且高阻输出变压器要难于低阻输出变压器。3。3条功率曲线随电压几乎是等间隔的,说明功率随电压线性增长;而3条失真曲线,320V和350V相隔要比350V和380V小很多。这就是表明从320V到350V失真增大小于350V到380V。尽管380V功率大了,但失真的增大也快了。权衡失真和功率,最后选3K的负载,工作点为350V,60mA。这一条件下可得到5W的功率,2次谐波失真为6%左右。相比较,2A3是3。5W的功率和5%的失真,EL34是6W的功率和8%的失真。对这么一只如此便宜的管子来说,这是非常不错了。实际上在3。5W输出时,失真会比2A3还要低。 选定工作点的同时也决定了输入电压的摆幅,由此可以得到对推动级增益的要求。 功率级的偏置电路在电源设计时在考虑。 2。推动级的设计。 推动级的设计是比较好玩的。种类繁多,五花八门。大家可以各显神通。从管子上讲,有三极管,五极管。从电路上讲,有单级,有多级。多级的还有,阻容耦合,直耦。SPRR,Cascode.还可以阴极跟随,等等。如果做一排列组合,肯定不下十几种可能。各庄都有各庄的高招。我没做过很多,所以选电路只能根据手头的管子再加上自己的偏爱。 从推动级的基本要求来看,要满足下面几个要求。 1。足够且合适的增益。增益太低。推不满功放级。而增益太高,也会很容易使功放级输入过载而引起失真。增益太高的电路也不稳定,容易自激。 2。频宽越宽越好。 3。噪声越低越好。 4。失真越小越好。 所有这些都和电路的选择和设计密切相关。所以前级和推动级的设计应该比较好玩。从管子的角度讲,手头没有合适做推动的五极管。所以,只能用三极管推动。从功放级的输出电压要求来看,推动级需要至少50倍以上的放大。而三极管的Miller电容大,这样大的电压放大倍数会有很明显的Miller效应以至高频变差。所以只能是两级放大才能有足够的电压增益。手头有12AX7和6SN7的前级管。12AX7已经在我的6V6单端用过。这回就打算试一下口碑不错的6SN7。电路来说本人偏好Cascode。原因如下:1.Miller电容很小,所以输入回路有很宽的频响。2。输出阻抗高所以容易得到比较高的电压增益。6SN7的Cascode电路表现有点类似单级的12AX7放大,但有更小的Miller电容和更高的输出阻抗。所以可以获得更大的电压增益但又有比12AX7更宽的频响。当然,电路上稍微复杂一点,主要是系统的主电压要高。另外,J版的纯2很受好评。纯2的推动级就是Cascode电路加局域负反馈。原来也想就用纯2的推动级,但担心增益不够,所以就决定从头设计一Cascode的推动级。#p#分页标题#e# 1。共阴级偏置点的设计。共阴级的阴级电压不能太高,太高会造成大信号输入的过载饱和失真。但阴级电压也不可太低。推动级应该是纯甲类放大,所以要有足够的静态电流。如果阴级电压太低,势必要提高屏压来得到足够的电流。但Cascode的电路是共阴共栅,屏压是串联分配在两个管子上。共阴级屏压高了,共栅级屏压就上不去了。所以,共阴级的阴级电压的选择应该以避免大信号输入过载饱和为出发点。一般的CD机输出小于1Vrms,最大峰值小于1.4V。所以取阴极电压为1.3V。 2。偏置电流的选择。对Cascode放大器来说,共阴级和共栅级是串联的,所以共阴级的电流和共栅级的电流是一样的。偏置电流的选择受几个因素的限制。1。从声音的角度来说,电流大一点好声,这是网上看的,也许不对。但从特性曲线来看,电流大一点线性好。2。电流大一点则管子的跨导也大,可以有大一点的电压增益。3。电流大管子的输出阻抗下降,这又会使电压增益下降。4。大电流会使屏级电阻上的压降增大,以至于推动级没有足够的屏压。所以这也是一个优化的过程。其目标是选一个偏置电流和屏级负载电阻以得到合适的增益。下面是基本的计算方法。 1。 计算推动级的跨导。从等效电路可以得到 Gm=gm1. gm1是共阴级的跨导。 2。 计算推动级的输出阻抗。同样,在等效电路里设输入级对地短路, 可以得到。 Ro=ro1+ro2+gm2*ro1*ro2 式中gm2是共栅级的跨导,ro1和ro2是两个三极管的屏阻。 Au=Gm*Ro//Rp Au是电压增益。Ro//Rp是输出阻抗和屏级负载电阻的并联。(这里功放级的输入阻抗忽略不计) Vp2=Vp-Iq*Rp Vp2是共栅级的屏极电压。Vp是推动级的工作电压。Iq是偏置电流。 用这几个公式,我们可以计算在不同电流的条件下,屏极负载电阻对增益和屏压的关系。由此可以得到优化的偏置电流。要注意的是在小电流工作的情况下,管子的跨导和内阻都是电流的函数。所以,必须用管子数据中跨导和内阻随电流变化的关系曲线。还要说明的是这里没有考虑电流随屏压的变化。但在比较大的屏压范围内还是可行的,因为我们还没有决定共栅级的栅负压。 在我的系统里,推动级的工作电压是340V,取偏流3mA和5mA. 计算增益和屏压随屏极负载电阻的关系。计算结果如图所示。 ![]() 很明显,尽管管子的内阻随电流下降,这个效应被跨导的增加抵消了。电流大,增益就高。所以3mA情况的增益低于5mA情况的增益。第二点,增益随屏极负载增加而增加。但大的偏流导致在屏极负载上压降增加。系统实际上不会工作的。所以要根据实际情况作决定。 就6AR6来说,工作点设在350V。60mA。相应的栅偏压是44V。如果CD输入为1V,我至少需要44倍的电压增益把6AR6推满。从曲线可以看出,3mA和40K的负载电阻可以得到49.5倍的放大倍数。基本满足要求。而屏压为220V,比较合理。本着在屏压合理的情况下用最大电流的原则,我最后选偏流为3.33mA, Rp为39K。这时屏压为210。电压增益为51.8. 偏置电流决定以后,直流电路的设计就十分简单了。 共阴级的阴极电阻。 Rk=1。3V/3。33mA=400ohm. 由栅负压和偏置电流可以从特性曲线找到相应的屏压,65V。因为共栅级的屏极电压为210V,共栅级的屏阴电压为145V。 由偏置电流可以在特性曲线中定出所需的栅负压为60V。这个栅偏压可以由电阻分压从340V的工作电压产生。因为我的系统B+是360V,没有很多电压上的余量,所以我选用了高阻的分压。 R1=1MOhm R2=210KOhm Vg2=340*(210/(1210))=60V. 高阻分压的优点是电流消耗比较小,也可以用小容量的交流旁路电容。缺点是比较容易引入噪声。 共栅级的栅级必须交流接地,这由一个并联在R2上的旁路电容来实现。容量可用下式计算。 C=1/2pi*f*R2 f为低频3dB点。取3dB点为10HZ,计算得C为0。08uF. 实际上用0。1uF就可以了。 作为完整的电路设计。我们还要计算输入阻抗,输出阻抗。输入电路的频宽和输出电路的频宽。 1。输入阻抗。输入端是由栅漏电阻和栅阴电容,共阴级的Miller电容并联。因为是Cascode电路,Miller电容很小。在音频端可以看成开路,所以,输入阻抗就是栅漏电阻和音量电位器并联。 2。输出阻抗。输出阻抗是推动级的内阻和共栅级屏极负载电阻屏联。因为Cascode的内阻高。输出阻抗主要由共栅级屏极负载电阻决定。在偏流为3。33mA时,内阻为253K,负载为39K,输出阻抗为34K。 3。输入回路频响。输入回路是一阶低通网络,所以只要计算3dB高频点就可以了。这就需要计算共阴级的Miller电容。首先计算共阴级的电压增益。 Av1=gm1*Rin. Rin为共栅级的输入阻抗。 Rin=(1/gm2)+Rp/(gm2*ro2) 因为共阴级共栅级电流相同,有 gm1=gm2=gm. 可得: Av1=1+Rp/ro2 这里,Rp=39K,ro2=13K。 Av1=4. 这样, Cm=Cgp*Av1=16pF Cghk=2.2pF 总输入电容为18。2pF. 设音量电位器为100K,栅漏电阻为1M。 高频3dB点为 f=1/(2*pi*(100k//1M)*18.2pF)=96kHz. 这个结果说明了Cascode放大器的频率响应明显优于单级放大器。如果是单级50倍的电压放大。高频3dB点为#p#分页标题#e# f=1/(2*pi*(100k//1M)*200p)=8.7kHz. 4。输出回路的频响。输出回路频响稍微复杂一些。它是一个2阶带通网络。推动级的耦合电容是高通的零点而功放级的输入电容是低通的极点。虽然功放管的屏栅电容大,但3极管的电压增益比较低。就6AR6来说,就在5倍左右。所以,这个高通网络可以忽略。我们只要计算低端的3dB点就可以了。 f=1/(2*pi*(Ro+Rl)*Cc) Ro是推动级的输出阻抗;Rl是功放级的输入阻抗(就是栅漏电阻)。Ccs是耦合电容的容量。 这里,栅漏电阻是270K,Ro是34K. 取Cc为0。2uF时,3dB点为3Hz. 到此推动级的设计计算结束 3。电源的设计。 首先说明,因为不会绕牛,电源变压器只能从上网上买。刚开始玩胆的时候就在网上瞎买了一套电源变压器(一个电牛加两个电感)。电感是5H/200mA。电牛有400V和440V输出。 高压组还有一个85V的抽头。低压的有6。3V,5V 和2。5V。因为是玩胆,也就选了胆整流。手头有几个5U4GB。就打算用它了。 先回过来谈谈功放级的偏置电路,因为它决定B+要取多少。功放级有固偏和自偏两种选择。当然也可以混合使用,不过不在本文的讨论范围。如果是固偏,B+=350V+Vt.Vt是输出变压器的直流压降。我的变压器直流电阻是136ohm。 当偏流为60mA时,Vt是8V。所以B+是358V。固偏的好处是少用两个功率电阻和两个大的电解电容。但它需要另一个直流电源。还有就是网上说声音没有自偏好。自偏的B+比较高。B+=350+44+Vt=402V.自偏的好处是B+高。对Cascode来说比较好。人说声音也比较好。省了一直流电源但多了两个功率电阻和两个电解电容。我最后是选了固定偏置。这基于下面几个原因。1。我做的6V6是自偏。反正是玩,就玩不同的。2。手头没有大功率电阻。3。不知道电解电容到底有什么影响,想想是不用最好。反正电源变压器有一个85V的抽头,正好拿来做固偏电源。 这样,电源的设计参数就决定了。 高压组:B+ 360V。 电流 为 130mA. 固定偏压: -44V。 几乎没有电流。 电源的设计我是偷懒了。根据我做6V6的经验,网上的电源模拟软件用得好是比较准确的。所以,具体计算我就完全依赖于Duncans Amp Tools 里的软件了。 电源设计的基本考虑是,低内阻,低纹波。对小功率单端A类放大器来说,偏流大,所以电流的摆幅比较小。对内阻的要求比AB类放大器要低。只要输出端的储能电容足够大就好。另一方面,因为是单端,对纹波系数要求比较高。所以设计就是比较了两种滤波电路的纹波。 图1是采用CLC滤波。 第一个电容的大小决定最后B+的高低,因为我的电牛不是专门为这个设计做的。所以电压的高低是要通过滤波电路来调节。用这个软件的关键是设定负载电阻值。而负载电阻很容易计算。 R=B+/130mA. 图2是CLC滤波后在负载上的电压。纹波比较大,有将近1V。 图3是采用CLCRC滤波。 同样,用第一个小电容来调节电压。图4是经滤波后在负载上的电压。纹波电压为0.08Vpp。这样的纹波在喇叭端产生的噪声电压在1.1mVrms#p#分页标题#e#左右。尽管多一级RC会损失一些电压,但可以通过调节第一个C来补偿。所以最后选择CLCRC来作为滤波电路。 图5是石整流用于功放级固偏。这里选石整流十分重要。因为对固偏置来说,偏压要快于功放管的灯丝。不然灯丝和高压都起来了,功放管电流就会很大。另外这里的滤波也很关键,好在没有什么电流,我们可以用大电阻来提高滤波效果。图6是固偏电路的输出。 ![]() 电源设计完成了。 下面是完整的功放电路图。所有的值是计算值。最后的电路图和元件值根据安装会有小的调整。这将在下一篇安装篇里讨论。 3。制作篇。 先声明。本人手笨眼拙。做的东西纯属山寨土炮。实在无法和诸位朋友相比。所以本篇以从简为主。只想把制机过程中一些教训写一下。也许对有些朋友有用。 1。机箱。机箱我是选木框配一金属板面。电位器和所有安在木框上的开关接口都要外壳接地。安在木框上的好处是接地容易选择。这样也保证机器的使用安全。机箱还没有最后完成。先上一些照片。 ![]() ![]() ![]() 2。焊机是用搭棚。推动级地线和功放级的地线分开,最后在主滤波电容负级入地。同时也在那一点和金属面板连接。 3。推动级和功放级偏置电源用了两块洞洞板。 因为电路简单,焊机连线没有任何问题。因为电路选了固定偏置,我又在高压电路里加了一个电流表。这样可以随时注意电流的变化。 下面是开机以后的一些调整。 刚开机电流很大以至高压上不去。后来发现是C3漏电以至6AR6栅极电压过高引起的。立即把2个古董电容扔进垃圾筒内。换上两个好的电容。电流正常,高压也就正常了。 在调工作点的时候共栅级的栅极电压总是偏低。一开始没想到是电容漏电,因为总共才60V的电压,电容的耐压是200V,不应该有问题。但最后发现还是因为电容漏电造成的。实际上主要原因是我用的是高阻分压电路。R1是1M。电容只要有5uA的漏电流就会造成5V的压降。一般耐压低一点的古董电容很容易有几个微安的漏电流。用在别处可能还好,用在高阻分压电路要小心一点。我最后是用了1000V耐压的电容。纯2的分压电路也是高阻分压。各位朋友这里要小心一点。 高压的调试是通过C4。设计值是2。4uF。最后是用了1。5uF来获得362V的高压。这可能和电容的误差有关。 原来功放级是用一个偏置电压。但在调节过程中发现两个功放管不完全配对。同一组偏压会有不同的电流。后来在偏置电路中用了两组分压电阻。这样就用两组不同的电压以保证功放管的偏流相同。 制作篇结束。 4。测试篇。
测试部分是最好玩的部分。因为在这里可以验证所有的理论计算结果。如果测量结果和计算吻合,说明自己理解了电子管电路的设计原理。如果不吻合,也可以进一步想一想原因,也许可以再悟出一些东西。测量部分包括下面几部份。 1。 直流。 2。交流。 主要是频响和增益。 3。功率。 4。噪声。 1。直流测量。
图里红字标出了实际的电压测量值。括弧里的是理论计算值。可见测量结果和设计值十分接近。主要的变化是B+电压。不同的整流管得到的B+不一样。不过变化小于3%。想想当年那些工程师们还是很了不起的。他们没有计算机,没有自动测量设备,每一张图每一根线都要手工测,手工画。几十年过去了,还是那么准确。
2。交流测量。 1。推动级的交流增益。 推动级的交流增益测量过程如下。在输入端输入1kHz的正弦波,然后用示波器在共阴极的屏极和共栅级的屏极读出电压值由此得到推动级的电压增益。当然这里假定了示波器的输入阻抗为无穷大。 说明一点。用示波器测机内电压时要小心。因为有高压。所以示波器要用交流输入。我还在输入端加了一个0。5u/450V的隔直电容。 2。推动级的频率响应。 推动级的频率响应的测量也是利用信号发生器和示波器。基本过程和上面一样,就是测量点选在不同的频率。
下面是测量的结果。增益的测量值和设计值吻合得很好。3dB的增益点和计算的结果几乎完全一致。高频端的频响主要受输入端Miller电容的影响。低端的频响取决于共栅级的栅极接地电容。在30KHz左右有一很小的鼓包,具体原因还不清楚。
3。功放级的增益。 功放级的增益测量也是用1kHz的正弦波。因为功放管屏极上的电压太高,输出电压是在负载上测得。然后用输出牛的变压比来计算屏极上的交流电压。由此可以计算整机的增益。因为推动级的增益已经测得,功放级的增益就可以计算了。这里假设变压器的效率为80%。
4。因为功放级的频响主要受制于输出牛。而设计正确的放大器其通频带的带宽主要应由输出变压器决定。这里就测整机的频率响应。测量过程中的输出功率保持为一瓦。其对应的峰值电压为4V。负载是用8欧的功率电阻。负载上的电压值是用示波器读出。
3。功率测量。 功率测量的方法如下。输入1KHz的正弦波,用示波器在负载上读出最大不削顶电压。然后可以计算相对应当的输出功率。可是对这个6AR6的放大器来说,3极管接法有比较大的2次谐波失真,所以在波形出现削顶失真以前,波形已经有上下不对称。这样峰峰值的电压就不好取了。所以这里我是用示波器监视输出波形而用万用表读出输出的RMS电压。然后用万用表读出的电压计算输出功率。当然,之前我已经验证了对1KHz的正弦波, 示波器得到的有效值电压和万用表测得的是一致的。
用这个方法,功放的最大不削顶输出功率为4。5W。考虑变压器的效率,6AR6的的最大不削顶输出功率为5。6W。这个输出功率值高于计算值。估计是因为在最大不削顶输出时,2次谐波失真已经大于6%了。不过因为2次谐波丰富而且没有削顶,声音还是很好听的。我用同样的方法测过我的另一台6V6,6V6是波形基本是对称的,只要一出现不对称就立即削顶了。当然6V6是用了一些大环路反馈的。所以两台机器音色是不一样。 4。本底噪声测量。 噪声测量也分两部分。直流电源的噪声和交流噪声。 1。直流电源的噪声
图1是推动级直流电压噪声。示波器是在2mV/格。噪声的峰峰值在1mV左右。#p#分页标题#e#
2。交流噪声
图4是在功放输入端的噪声。示波器是在5mV/格。噪声的峰峰值在10mV左右。
我音箱的灵敏度大概是87dB. 耳朵贴在喇叭上可以听到一点点噪声。 测试篇结束。 最后简单讲讲听感,我听过的机器不多,又长一对木耳,所以也讲不好。和我的另一台6V6比较,感到功率大一点,声音也响一点。但好像比6V6更园润一点,乐器的细节多一点。另外我也让老婆和孩子听6V6和这台6AR6,她们都说6AR6好听。用孩子的话说是“每一个音符更清楚一点”。 后记。
文章总算写完了。写这文章的初衷是想把我整个设计测量过程介绍给诸位朋友。予人与鱼不如予人与渔。尽管这篇文章用的管子比较偏,但基本的设计方法是通用的。各位可以举一反三,用手头的原件自己设计自己的电路。这要比只在网上抄一电路,安装出问题再到处求救好玩的多。当然,装出好听的机器有一种成就感,但装一台自己设计的好听机器感觉就更好了。还有一点想说是理论还是非常有用的。比较一下这台机器的设计计算结果和实际测量结果就清楚了。 |















#p#分页标题#e#






















