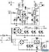
MIKAEL阿卜杜拉的单端(SE)KT88电子管放大器原理图流行的单端(SE)KT88电子管放大器原理图由Mikael阿卜杜拉。甲6DJ8 / ECC88管可用于代替的6N1P管具有良好的结果。 MIKAEL阿卜杜拉KT88单端电子管放大器原理图输出功率5W左右。这是一个75毫安板的最大功耗只有约68%的470欧姆的的阴极电阻设置偏置所以我们期待这个功放管寿命长。选择一个好品质的音频输出变压器,一个5K小学和额定至少10W。随着各种KT88放大器,取得了很好的结果,采用新的生产JJ KT88蓝色玻璃和Genalex -金狮奖KT88管。 DIY单端(SE)KT88电子管放大器下面的照片是Bernardo的DIY单端KT88电子管放大器MIKAEL阿卜杜拉的原理图。在照片的管恭维是Sovtek 6N1P驱动程序中的位置和输出位置中的一对匹配的电Harmonix的KT88EH。请参阅SE KT88电子管放大器由贝尔纳多线程他的身材的其他详细信息。
DIY单端KT88电子管放大器
后视图 - 自己动手做单端KT88电子管放大器
底面查看 - 自己动手做单端KT88电子管放大器(责任编辑:admin) |





























