|
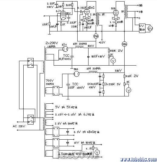
根据实际使用原器件画的图,还需要进一步调整。
积时计数器,记录机器工作时间(小时),便于维护机器,为防止直流灯丝负极侵蚀,可每100小时两只管子互换(焊接时管座正负相反),便于记录管子寿命(制作随机日志),总之一切都很严谨。现机器运行18小时目前在工地刚装配好 ,受条件限制暂时搭配先锋DVD,惠威2.1c书架箱凑活听,现在这种搭配感觉声音松弛,高低频都不错,解析力高,比家里300B气势大太多。刚在地下室搞到一间25平米房子,房子收拾好后搭配家里的ALTEC A5和EMT981细调后再发感受。 (责任编辑:admin) |


























