最好的电子音响科技diy制作网站

haoDIY_音响电子电脑科技DIY小制作发明

当前位置: 主页 > 音响DIY > 胆机DIY > 后级DIY >

“享受”DIY乐趣--6sq7+KT66电子管单端胆机制作

时间:2013-02-12 11:42来源:www.tubebbs.com 作者:同学 点击:
为了省钱从制作机壳开始(http://www.tubebbs.com/viewthread.php?tid=140546&highlight=),享受DIY过程的乐趣,计划KT66单端已经很久了,由于家里电视有点大,电视柜剩下左右空间较小,手里的机壳有些偏大,正好有块铝板放在此处空间有余,利用它制作了机壳。大家都说KT66是个好管子,一直想试试看,现在开始动手,确定电牛和输出牛摆位后,测试一下最小的干扰位置,固定好三支牛,这可是开始制作最重要的第一步,不能马虎。前级选择便宜大家认为较好6SQ7,采用一级放大,我的解码器模拟输出电平3V比高,为了降低输入幅度,在输入端串入一支560欧电阻,线路没什么新鲜的,采用标准接法(本人喜欢),加入电压反馈和大环反馈。电源部分
采取石整流加胆(5Z4P)提高电源效率。线路元件排列考虑了很久,目地是线路中不用屏蔽线来传送信号,减少制作麻烦,排线把电源线、和GND线分开,地线拐了个弯儿,此处线比较多担心会有涡流(瞎想的),内部尽量做的整齐些,有赏心悦目之感,目地是为了查线方便,对得起自己的辛苦的劳动成果,还有一个目的家里领导是检验门领导,不合格不能过关(呵呵!开玩笑),组装完毕通电后,一切正常,没有噪音的困扰,心中暗喜,在经过噪音处理后更低了,用耳贴喇叭听噪音可以用很低来形容,万表量0.5mv和0.6mv,制作前还怀疑6SQ7的推动能力,看来担心是多余的,确定推得很好!好就不评价了自己喜欢就行了,音源部分是WAV播放器加解码器,买了5张SD8G卡,把网上APE文件转换成WAV文件,不用再花CD钱了,有了WAV播放器后比CD机使用更方便了,没事么稀罕的都是穷人玩的东西,以上是制作过程乐趣心得。1.JPG 

2.JPG

3.jpg 

4.jpg

5.JPG
 

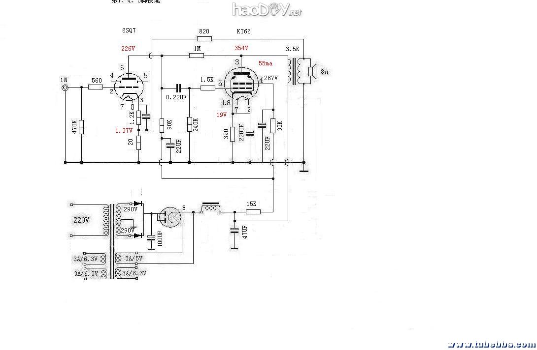
6SQ7+KT66.JPG (129.91 KB)

 

#p#分页标题#e#6SQ7+KT66.JPG


(责任编辑:admin)
织梦二维码生成器
顶一下
(0)
0%
踩一下
(1)
100%
------分隔线----------------------------
发表评论
请自觉遵守互联网相关的政策法规,严禁发布色情、暴力、反动的言论。
评价:
表情:
用户名: 验证码:点击我更换图片
栏目列表
推荐内容