音乐传真 X10 (6dj8电子管胆缓冲)全图,含电源
时间:2012-08-29 12:05来源:未知 作者:admin 点击:
次
评价: 在电路中,设计师采用经典的三极管放大电路,工作于听感好的甲类状态,整个电路无增益,即缓冲级,电路中巧妙地在输出端采用较深的负反馈电路,其电路的失真达到了惊人的指标,达到百分之0.008,而频响则达到10HZ-100KHZ,输出阻抗则降到了200欧,这对胆





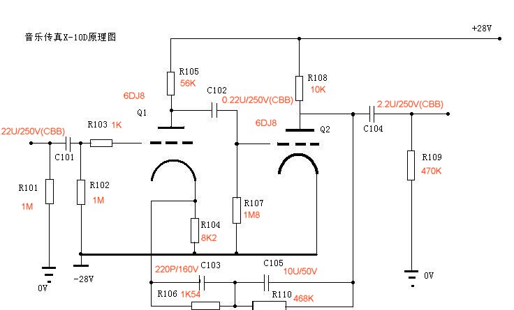
评价: 在电路中,设计师采用经典的三极管放大电路,工作于听感好的甲类状态,整个电路无增益,即缓冲级,电路中巧妙地在输出端采用较深的负反馈电路,其电路的失真达到了惊人的指标,达到百分之0.008,而频响则达到10HZ-100KHZ,输出阻抗则降到了200欧,这对胆机来说,这样指标已经是很理想的状况了。单独从以上指标来说,就没有不出好声的理由。另外一个很独特的地方采用6DJ8/6922/6N11管在屏压达50V仍能工作的特性,使配套的变压器只要12V交流,通过电路的倍压整流电路升压至双28V-30V左右,对管子的使用寿命大大延长,以及对电源的要求降低,省却大且贵重的高压器件,这些优点使得该款电路在世界音响圈包括各国的音响发烧发烧友的喜爱和仿制。

(责任编辑:admin) |
织梦二维码生成器
------分隔线----------------------------