6T9电子管AMP的如果你是刚进入做自己动手(DIY)的音频,并想建立一个电子管放大器,但被推迟的表面上的复杂性和高电压,6T9阀放大器可能就是答案。高电压关注的是一个真实的,并没有在这个项目中比任何其他不太重要的。但到底是什么软化生成复杂是整个放大器是基于一个单一的印刷电路板(PCB)。在这个项目中使用的阀门的的6T9 compactron这是一个三极管和五极管在一个信封。6T9电子管我用的是新老股票通用电气公司(NOS),便宜(约7美元),可以从几个在线资源,如管得宝。 示于图1和图2中的放大器和电源部的概略。(请注意,此电路©业余小玩意儿和权限主办的原理图在此网站上已经提供了业余小玩意儿。
该放大器的PCB就可以买到从业余小玩意儿 $ 16US。在一个下午的时间,你可以拥有整个电路板组装,下降到您所选择的机架。
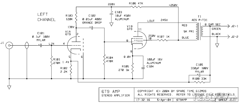
部件的选择和修改在零部件清单中的价值和类型的组件是下岗。但我喜欢做的是把我自己我建立每个放大器的转折。如果你不是一个经验丰富的的阀放大器建设遵循的规范,以信。我增加了输入和0.22 uF的耦合电容器用聚丙烯类型。这些组件的物理大于何谓为PCB,所以需要一些操作。我也很喜欢,使用缓冲电容器在任何可能的嘈杂的组成部分,如0.01μF的聚帽。跨越的长丝的阀门在二极管两端和1 uF电容。缓冲电路的滤波电容也是一个不错的主意,并我用0.1 uF的,却又站立起来,。我添加了一个额外的200 uF的电容,电源和发现,这帮助的低音响应。我用了一个哈蒙德369JX电力变压器和Edcor XSE15的的-8-5K输出变压器(OT)。一个较小的OT可以使用,但期望遭受的低音和高音。该Edcor OTS价格是非常合理的,也有一个超线性(UL)的自来水,这样你就可以运行在真正的UL模式的放大器。 电子管放大器建设我安装在电路板背面,这样我就可以露出可爱的小机箱外的热瓶的管座。钻孔模板与板。而不是昂贵的机箱,我用了7美元的烹饪锅。钻薄金属比钻了一个沉重的机箱,可以有更多的问题,所以要有耐心与钻探。我装上橡胶垫,切成两半的能力和职业治疗师。这样做是为了减少潜在的用于变压器的振动达到的管,它可以是话筒。薄机箱安装在厚亮漆的松树和硅脚,也有利于吸收振动。 用于信号衰减的阿尔卑斯蓝色天鹅绒50K立体声电位器,一个音频锥度。完成了与4盎司固体铜把手前的放大器。铜把手和衰减器是昂贵的,但我救了机箱上的,让我花费在其他领域,这是一个廉价的放大器,以建立。为放大器的总成本约为375AU(Hammond和其他进口配件价格昂贵澳大利亚),但可以很容易地约$ 250US在北美建立了这个功放使用好铁。
测量6T9 TUBE AMP随着Edcor职业治疗师,-3 dB点是在30Hz到20kHz。下面的镜头显示在100Hz,1kHz和10kHz的方波响应。
虽然波并不出众,也没有振铃,过冲或不稳定的迹象。顶部的海浪引起的低频滚降,这是一个小而简单的单端(SE)电子管功放并不完全出乎意料的倾斜。的最大额定功率输出为大约4W只有瓦特或两个的良好的输出。因此,不同类型的客房,高效的发言者可能是必需的。 6T9电子管功放的声音(责任编辑:admin) |
































