最好的电子音响科技diy制作网站

haoDIY_音响电子电脑科技DIY小制作发明

当前位置: 主页 > 音响DIY > 功放DIY > 后级DIY >

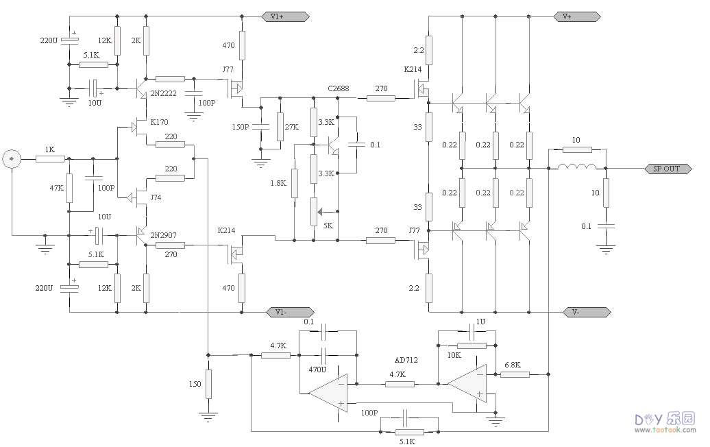
新德克-XA8500功放电路图

时间:2012-08-22 20:05来源:未知 作者:admin 点击:
-----------------------------------------著作权属于原作者
新德克-XA8500功放电路图

-----------------------------------------著作权属于原作者
(责任编辑:admin)
织梦二维码生成器
顶一下
(1)
33.3%
踩一下
(2)
66.7%
相关文章
------分隔线----------------------------
发表评论
请自觉遵守互联网相关的政策法规,严禁发布色情、暴力、反动的言论。
评价:
表情:
用户名: 验证码:点击我更换图片
栏目列表
推荐内容