最好的电子音响科技diy制作网站

haoDIY_音响电子电脑科技DIY小制作发明

当前位置: 主页 > 音响DIY > 功放DIY > 后级DIY >

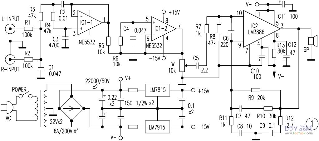
三款 NE5532运放+LM3886T低音炮功放电路

时间:2012-09-27 16:48来源:未知 作者:admin 点击:
NE5532+LM3886T低音炮功放电路 www.ShareDIY.net -----------------------------------------著作权属于原作者
NE5532+LM3886T低音炮功放电路

三款 NE5532运放+LM3886T低音炮功放电路


三款 NE5532运放+LM3886T低音炮功放电路www.ShareDIY.net
三款 NE5532运放+LM3886T低音炮功放电路 (责任编辑:admin)
织梦二维码生成器
顶一下
(3)
100%
踩一下
(0)
0%
------分隔线----------------------------
发表评论
请自觉遵守互联网相关的政策法规,严禁发布色情、暴力、反动的言论。
评价:
表情:
用户名: 验证码:点击我更换图片
栏目列表
推荐内容