最好的电子音响科技diy制作网站

haoDIY_音响电子电脑科技DIY小制作发明

当前位置: 主页 > 音响DIY > 功放DIY > 后级DIY >

从头玩起,再研究金嗓子P1000,看看能不能让KSA下岗

时间:2012-09-23 13:13来源:hifidiy.net论坛 作者:zheng1 点击:
朋友来我工作室,不小心给我的KSA100添加了一些作料-----半瓶康师傅绿茶,结果在一片灿烂的烟花中,我的KSA光荣下岗。 郁闷了几天后,不能忍受没有音乐的日子,翻开抽屉,从一大堆板子里面寻找替代品,正好看见这个蛐蛐的HGF400,05年的第一版,体质最接近,
朋友来我工作室,不小心给我的KSA100添加了一些作料-----半瓶康师傅绿茶,结果在一片灿烂的烟花中,我的KSA光荣下岗。

郁闷了几天后,不能忍受没有音乐的日子,翻开抽屉,从一大堆板子里面寻找替代品,正好看见这个蛐蛐的HGF400,05年的第一版,体质最接近,以前装过两台,影响不是很深刻,但是大家谈的小龙管理员曾经做的很成功,所以,我决定再试试。

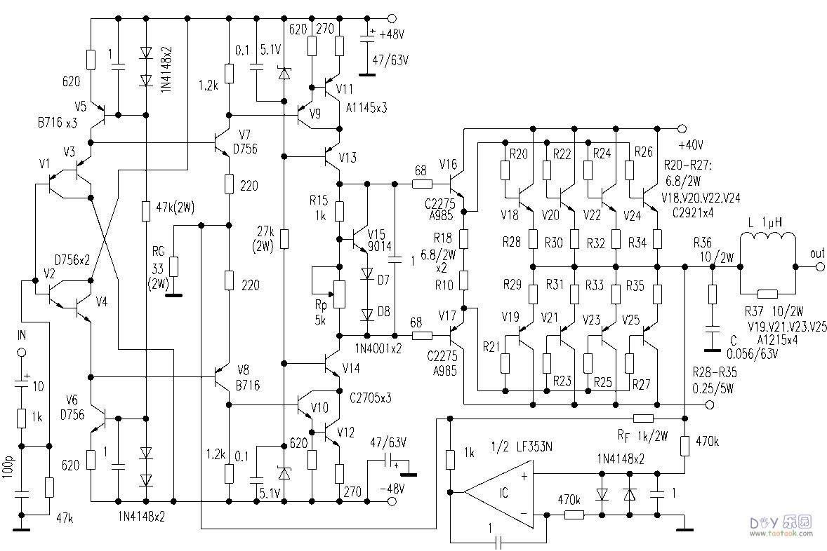
闲话少说,翻开原件盒,对照元件表,一样一样的往外找,旁边万用表伺候着,拿出来一个测量一个,这个过程很重要,以前吃过亏,万分之一的不良品就让我给上上了,结果。。。。。。。。这次就老实多了,电阻管子一个一个测,电阻误差0.1%,小管子用FET档测放大倍数,虽然采购的就是配对管子,还是自己测量一下放心。光搞这个就几乎花费了一整天,焊接起来倒是快多了,两个小时全部搞定,差分级的电流小小的调整了一下,达到1.5MA,其他的基本没动,电阻也是普通5环金属膜电阻,只有在输入部分用了一个1K欧的AB电阻,因为喜欢AB电阻温暖的声音。差分管子因为没有716/756,就换上了1191/2856,看参数差的不是太多,同时也因为喜欢1191/2856华丽的声音,电压放大还是1145/2705。推动还是985/2275,本来想用1930/5171来着,后来想推动管子比较重要,换掉以后声音改变会不会太多而作罢。输出管我是严重不喜欢1943/5200,手头正好有几个三肯的1216/2922,正好是在45V下配对的管子,就毫不犹豫的用上了。直流伺服运放原来建议是LH353或者OP07,看起来档次有点低,先用OPA604用着,输入耦合建议10UF,先上RIFA420。

焊接完成后,检查无误,通电!继电器像敲鼓一样,很有节奏的吸吸合合,晕!顶替喇叭了!

量中点电压,居然有6.5V的直流!赶紧找调零电阻,满板子也没有找见,这才想起来,这个板子设计是固定电阻!难道是伺服电路问题,换一个604,结果还一样,赶紧断电,拆下板子查找故障,万用表支起来以后,测得的各个数据简直让我头都大了,好像每一个元件都有问题,好像又都没问题。实测数值和应该的数值简直风牛马不相及,晕了!

痛下决心之后,我拆拆拆!拆一个量一个,下来了就都没有问题了。见鬼!  回家睡觉!

第二天,再拿起板子研究,看到背面的松香和焊膏突然心中一动:该不会是他们的问题吧?(我有一个习惯,喜欢用焊膏洗电烙铁,松香做助焊剂,有时候就带到板子上了)不管那么多,先用工业酒精洗板子,洗完晾干以后再用表量,这下子全对了,再通电,继电器咔嚓吸合了,接上喇叭,基本听不见噪声,量中点电压,4.5-7MV之间跳动,也算勉强了,比起6.5V来说可是差了1000倍啊!看来罪魁祸首就是焊膏引起漏电。又长了点经验,焊完以后一定要先处理焊点和板子上的杂物,洗版还是很重要的一个环节。虽然问题解决了,但是几MV的中点总是觉得不爽,我以前做KSA都能把中点控制在0.XMV,这个还是太高了!后来又把604换回OP07,中点电位一下子降低到0.2-0.4MV,看来并不是补品用在任何地方都好啊!怪不得蛐蛐版主说,OP07用在这里是最合适不过。

接信号试听,中频的密度确实不错,低频量感也可以,就是高频有些朦胧,我调电源,改反馈,调电流后效果有一些改善,但是还是不明显,最后眼光落到10U的耦合电容上,原来建议是用10U,总感觉有点大,当时没有多想,现在高频弱,低频软是不是和这个有关呢?耦合电容容量大,低频量感足但是脚软,速度慢。先不管那么多了,换!

换上ERO的蓝精灵4.7U并新德克的0.68UMKP,问题解决!电压板子上的104让我换成绿色ERO的105,本来还想上106来着,可惜安装位置太小,换不上去,这个电容虽然不是很好,将就用在电源上影响还不是很大。

电源板子我用国产江海CD135,100V/10000UF,一共四只,扁铜条连接,上面并新德克30UFMKP,国产50A整流桥,本来想用二极管来着,但是安装起来太麻烦,这个桥还马虎,也就不讲究了。江海CD135这个电容原来想应该和RIFA169差不多,实际接上对比过后发现,完全是两个风格,CD135的声音过于直白,直白的就像白开水,没有任何味道,速度力度分析力表现有余,厚度不足。RIFA169声音又过于华丽,中高频很突出,最后还是选用BHC。

牛牛我还没有拿定主意,是左右声道分开供电还是一起供电,分开供电虽然好,但是机箱空间有限。最主要是想尝试一下扁铜条绕出来的牛和漆包线的区别。现在每管600MA,每声道2对管,我不喜欢并太多管子,总感觉管子多了声音离散性大,只用一对感觉又单薄了一些。2对正好!


 

从头玩起,再研究金嗓子P1000,看看能不能让KSA下岗


从头玩起,再研究金嗓子P1000,看看能不能让KSA下岗

板子固定到散热器上
从头玩起,再研究金嗓子P1000,看看能不能让KSA下岗

正在加工中的电源板子
从头玩起,再研究金嗓子P1000,看看能不能让KSA下岗

先比划一下安装位置
从头玩起,再研究金嗓子P1000,看看能不能让KSA下岗

从头玩起,再研究金嗓子P1000,看看能不能让KSA下岗

自制的电源净化装置
从头玩起,再研究金嗓子P1000,看看能不能让KSA下岗

19继续调试P100
从头玩起,再研究金嗓子P1000,看看能不能让KSA下岗

24电源退偶部分换了一些好料,ELNA的(S)和新德克的MKP
从头玩起,再研究金嗓子P1000,看看能不能让KSA下岗


看看人家金嗓子P1000是怎么样得吧~从头玩起,再研究金嗓子P1000,看看能不能让KSA下岗

从头玩起,再研究金嗓子P1000,看看能不能让KSA下岗

其实是容量选择的问题,不是牌子的问题!RIFA420是我最喜欢的电容之一,也是我们能买得起的最好的电容之一,虽然我也有大S的电容,但是价格就贵多了。工作点问题不大,做之前就仔细算过了,换成4.7UF的RIFA420就不错!10U还是有些大了。最后用蓝精灵是因为我喜欢它的音染。嘿嘿!




那就改叫P100好了,少了10倍,不过这个看起来是寒酸了点!从头玩起,再研究金嗓子P1000,看看能不能让KSA下岗

下一步用这个电路烧这种大管子!从头玩起,再研究金嗓子P1000,看看能不能让KSA下岗
从头玩起,再研究金嗓子P1000,看看能不能让KSA下岗




呵呵!铜条压得紧。。。。压得紧!从头玩起,再研究金嗓子P1000,看看能不能让KSA下岗

主要铜条柔软,压管子不容易翘角,引起散热不良,同时也有一部分均热作用,虽然很小。

还有就是玄学了,铜条压管子效果好啊!能使管子工作更好,既防震,又能起到屏蔽电磁干扰作用,还有一个最大的好处,就是不用担忧管子和散热器短路!下面可以用整张绝缘云母片。从头玩起,再研究金嗓子P1000,看看能不能让KSA下岗

今天把电路稍微调整了一下,差分1.5MA每管,电压放大5MA每管,推动35MA,输出600MA,耦合用ERO蓝精灵3.3UF并了一对昭和N年的2UF油罐,电源退偶部分换上了ELNA的(S)级别的1000UF电解,把绿色ERO换成新德克MKP。供电电压+-56V,电压级和电流级合并供电(因为牛还没有绕好),效果基本满意了。

各频段比较均衡,速度力度和声音密度也上来了,高频圆润清澈,中频醇厚密实,低频量感和下潜深度也凑合了,最起码听不出来明显缺陷,现在,就等牛绕好了装箱!看来,电路因素只占一部分,调试功夫才是最主要的,以前做的也拿出来对比了一下,相同电路声音确实不是一个档次!

看来,对音响的理解和认识是一个漫长的过程,需要不断的提高自己,达到一定程度再掉头回去审视,感到自己以前的想法确实简单。

顺便我比较了一下1216/2922和1494/3858这两对经典名管,全是三肯自家的东西,很多人难以取舍,我个人感觉也是这样,1216声音厚实均衡,各频段表现都很不错,1494声场开阔,声音华丽,声音比1216通透但是细腻程度不如。



继续!换上我自己用扁铜条绕的1500W牛,双50A国产整流桥,ROE电解,装箱煲了一天,线路凌乱了一些,还没有整,再说听感,低频汹涌澎湃,拳拳到肉,下潜深度足够,高频延伸的极高,整体频段好像被拉长了,声场定位发生了一些变化,好像音箱在耳边炸响,整个声场很靠前,速度力度空气感一流,心脏也随着音乐在颤动,受不了。典型的石头声,原来温暖湿润的中频已经被掩盖的听不到了,人声的口齿音和咽吐沫声清晰可闻,但是中频过于通透,声音密度下降了。总的来说,不是我喜欢的声音,听交响乐和爵士乐到是不错的选择。我从来没有听到过惠威箱子能发出这么强劲的低频,比美之声还要牛X。!
把ROE电容换成RIFA169和飞利浦大水塘,感觉声音比ROE有韵味,厚度也有所增加,ROE声音过于直白,但是各频段很均衡,两种电容都有不错的表现,还原性和均衡性ROE不错。RIFA169有更华丽的声音。
现在分析问题,电路已经调整好,没有什么可以动手的地方,电源板子也是调整好的,只换了牛,现在就只好从牛上分析,牛初级没有变化,还是用我的音频牛绕法,就是次级把漆包线换成扁铜条,热熔胶灌封换成环氧树脂,扁铜条从理论上来说不应该比漆包线差,这个基本可以排除,最后感觉就是环氧树脂灌封的问题,因为灌封成一个整块,杜绝了机械震动的同时也让功放的声音发紧!也可能是没有煲开牛?准备用1000W碘钨灯并联3个接在牛上煲他个3-5天再看看!
连夜又绕了一个1000W的漆包线牛,热熔胶灌封,外面缠铜皮和绝缘带,温暖湿润的中频又回来了!高频不刺,低频不冲,还是这个声音合乎胃口!从头玩起,再研究金嗓子P1000,看看能不能让KSA下岗

还有,捎带把我绕牛初级的图片再发一下,看到很多坛友似是而非的绕法,觉得有些郁闷,失之毫厘,差之千里,不想研究理论,模仿也要一样吧!绕出来垃圾牛可是不要埋怨啊!

最后,看看我的工作室,已经没有好箱子了,只有惠威的D1.2/M1/南京箱子。


专门给这个电路绕的牛
从头玩起,再研究金嗓子P1000,看看能不能让KSA下岗

从头玩起,再研究金嗓子P1000,看看能不能让KSA下岗

还有,捎带把我绕牛初级的图片再发一下,看到很多坛友似是而非的绕法,觉得有些郁闷,失之毫厘,差之千里,不想研究理论,模仿也要一样吧!绕出来垃圾牛可是不要埋怨啊!
从头玩起,再研究金嗓子P1000,看看能不能让KSA下岗

实在没有精力收拾,凑合着
从头玩起,再研究金嗓子P1000,看看能不能让KSA下岗

继续!今天花费了一些时间吧几种螺丝口的电容做起来,也简单上机听了一下,现在还说不出好坏,煲两天再看!
下面图中是:国产江海CD135,德国红L.M.T,RIFA169,飞利浦,摩罗利,英国BHC-ALS-10,日立金字水塘,ROE电解,个子最高的是西电的电解。
后面又试验了一下CRC滤波方式,毛刺感少了一些。

准备测试的各种电容
从头玩起,再研究金嗓子P1000,看看能不能让KSA下岗

CRC滤波
从头玩起,再研究金嗓子P1000,看看能不能让KSA下岗

今天把所有电容全部接上听了,虽然差别很小,还是能稍微听出来一些。

RIFA169的声音最华丽,高频延伸很好,低频下潜的也可以,就是中频的密度有些欠缺,德国红L.M.T声音最暗淡,带一些乡土气息,声音柔和但是不够细腻。金色ROE高频亮丽,低频饱满,中频直白,还原性不错,厚度欠缺一些,江海CD135好像白开水,声音很清淡,冷,声音密度也不好。日立的金字电解中频倒是不错,低频的量感和下潜深度也可以,就是高频比较暗淡。飞利浦,BHC,都不错,声音比较均衡,音染也很少,还远忠实,最好的居然是西电的老古董电容,28000UF/60V的个头居然最大,机箱里面放不下,体积几乎是RIFA169/33000/70V的三倍!但是这个电容的声音十分的细腻,这个特点太突出了,细腻到我忘记试验其他电容,各个频段延伸的都很好,声音的密度和厚度也很好。几乎想为了这个电容换机箱了。

这些电容以前在KSA-100上也试验过,不过排名不是这样的,看来还是电路形式最重要,根据电路风格选电容才是正路!


最后留念!没有挂之前装箱试听的照片。

从头玩起,再研究金嗓子P1000,看看能不能让KSA下岗

从头玩起,再研究金嗓子P1000,看看能不能让KSA下岗

听说红色LED有最小的噪声,慢慢地也就不喜欢其他颜色的LED了。嘿嘿

从头玩起,再研究金嗓子P1000,看看能不能让KSA下岗

(责任编辑:admin)
织梦二维码生成器
顶一下
(7)
87.5%
踩一下
(1)
12.5%
------分隔线----------------------------
发表评论
请自觉遵守互联网相关的政策法规,严禁发布色情、暴力、反动的言论。
评价:
表情:
用户名: 验证码:点击我更换图片
栏目列表
推荐内容