|
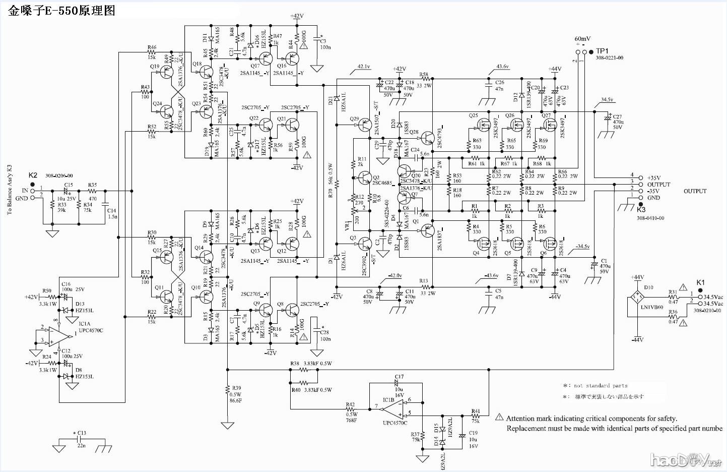
仿金嗓子E550已经有了一段时间,最近,网上公开了原机的原理图,于是对机器做了一番调整。 原来的帖子请看http://bbs.hifidiy.net/viewthread.php?tid=592630 这次调整主要有一下几个方面: 1、针对原理图,对板上的一些基本元件数值做了调整,另外对某些地方的电路结构做了修改。 2、换了一个新的机箱,使整机布局更加紧凑,这次特意做成了纯后级,以方便处理之前的噪声问题。 3、滤波电容根据需要换成了nichicon的品种,软启动,保护及表头驱动也采用了新的板子。 4、因为一次偶遇得到一个双针的单表头,所以整个机箱布局几乎是围绕这个表头而展开。 好了,先上一张整机图,下面在一一叙述: ![]() 首先,来看看原理图,再说说要修改的地方及修改方法: ![]() 第一,输入耦合电容C15(注:由于原理图的元件和板上的元件编号可能不一致,这里以原理图为准,下同。)改为负极性输入,以配合电路电位特性。 这个接法在仿铭140的时候出现并讨论过一次,最后的定论忘了是怎样了,大家有兴趣可以翻查一下论坛旧帖。 另外,C15采用无极的BP电容也是很好的选择,但电解有电解的韵味,呵呵。 第二,C14由原来的150p改成了1.5n,以降低高频截止上限;C21等由原来470p换成4.7n与R48的5.6k配合;C24、C6由原来的1500p换成5.6n;R12由170R换成270R;运放的退偶电容C12、C16有原47u换成100u。 以上只是一些数值的更改。 第三,原来板上的一些齐纳二极管都由1N4148代替了,现根据图纸换成了相应的型号。如图:
第四,接下来是几处结构的修改。首先是C5、C26由原来电源间对接改成推动电压对地接,修改方法是板子正面断开与末级电压连接,板子背面刮开阻焊层与地焊起来,如图:
其次是C4、C9、C20、C23四只63V/470u的电容改为推动级电压与末级电压之间连接,修改方法与上面一样,看图:
上面两点主要是这几个电容的修改
再有就是板上的运放空着的那一组的+-输入脚短起来了,但没下地,这里把它在附近下地了。 最后,提醒大家一点,原理图上C29、C2(470p)对地的接法经实践证明是忽悠人的,按原板上接电源的接法,不用修改。 上一张被忽悠的图:
好,第一点的修改主要就是这些了。 下面上一些关于新机箱布局的图片,之前所用的机箱,因为太大了,感觉有些浪费且布局有些凌乱,这次特意选了一款小一点的,散热器尺寸为150X310mm,基板10mm,翼宽50mm,很常规的散热器了。由于散热器上下都做了沉台阶,所以内部空间只有143mm,与E550的板子高度一样,分毫没有多余,所以开孔定位非常关键,不允许一点偏差。
|























![5W小怕死鬼[PASS]5w甲类功放](/uploads/allimg/121004/16151UB1-0-lp.jpg)







