|
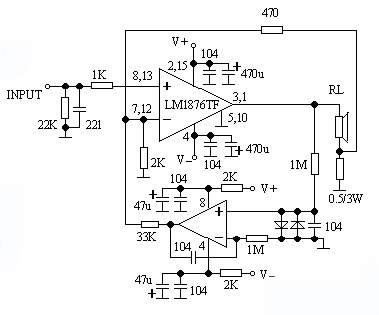
LM1876 是美国国半公司〔 NS 〕九五年底推出的高素质 音色 2 × 30W 功放集成电路 ,15 脚全绝缘封装 , 使用 安全方便 ,具有 NS 公司专利 SPIKE 瞬时温度骤失保护 电路 , 过压、欠压,过载保护 ,以及监视晶体管安全工 作区域保护功能 , 淡入、淡出静噪模式。本电路设计为 直流伺服恒流功放形式,比电压反馈式接法更为耐听。输 出采用四线制,不允许有公共端。输入线宜采用屏蔽线 , 以进一步提高信噪比。电源内阻要小 , 须预留足够的功 率储备 ,以防止大动态时出现削顶失真和过载失真。电 路主要参数∶ 1 、电源电压 : ± 20 —± 35V 2 、连续不失真功率 :2 × 20W 3 、总偕波失真〔 THD+N 〕 : 0.08% 4 、转换速率 :18v/us 5 、信噪比 :>98dB. 6 、通道分离度 :80dB 7 、输出电流 :3.5A 8 、峰值功率 :62.5W (责任编辑:admin) |




















