|
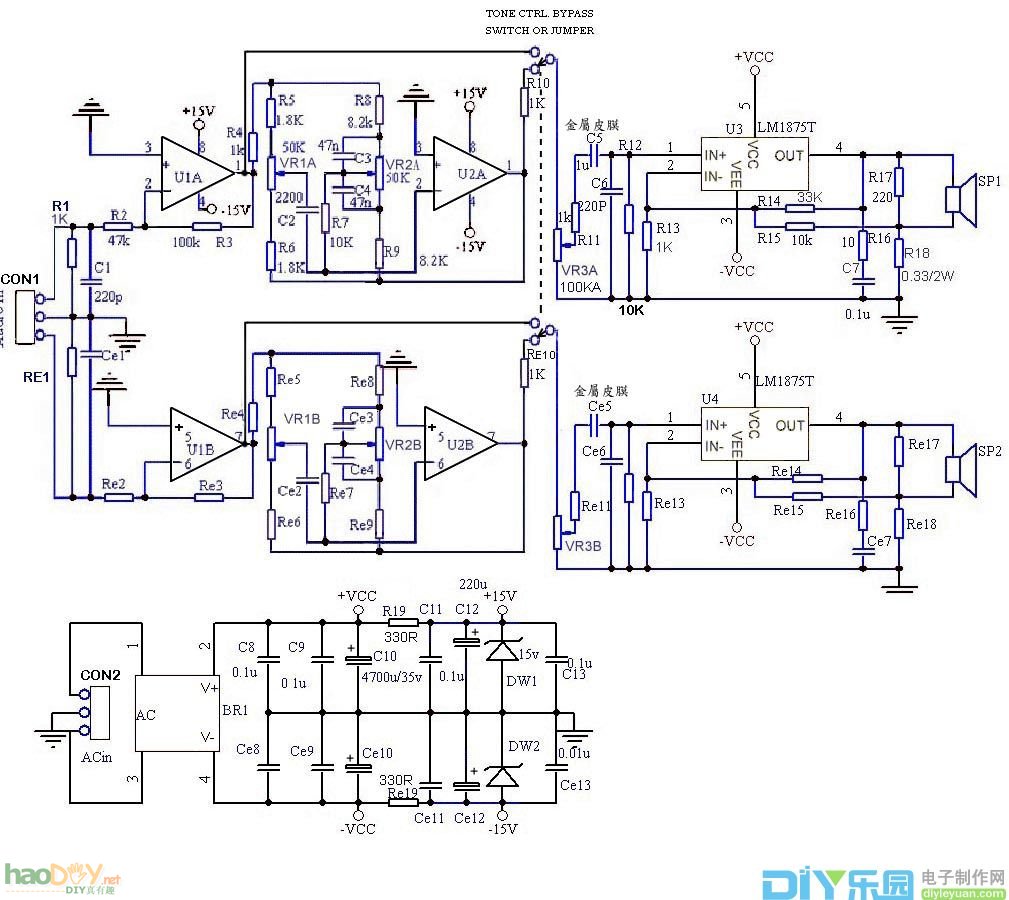
记得有几次跟站友们聊天时被问到,站上的的几个DIY后级, 功率对有些人可能有点大,跟本用不著,装了100W的TDA7294,然后在小小的宿舍里只能音量只能开得小小的,@@...........站长不弄个小瓦数的后级来玩玩吗?其实早就想过,但好声还是前提,不要说功率小一点就牺牲了音质! 考量小功率、电路简单、最好含音控(有些人好喜欢有音控的后级)、成本低、DIY容易(最好能给一些高职或专科电子科的新手实习,打完分数后还会想把它带回家)…. 想了好久,我看定位在20W~30W之间好了,也到网路上比较了好多电路,最后选择了LM1875这个功放IC的电路,巧的是,看了看还是对岸松胜的电路看来最好,评语也不错,但我个人想比较一下不经音控的真实音效效果如何,所以为它加上了音控Bypass的选择。 关于LM1875的详细内容我就不在文中特别说明了,相信大家可以找到它的DATA SHEET。 网路上也多人把它拿来比较低价位的TDA2030,且在市面上好像也留传不少是由TDA2030把字磨去,重新Remark成LM1875来卖,由于差价很大,自己买时小心一点,太低价的大概就有问题了,在规格上来说TDA2030是差一点,但如果要试试也未尝不可,脚位完全相容,可直接替换,但要小心, 它的工作电压较低,在使用TDA2030时用电压较低的变压器,比如输出为AC 12-0-12 V的变压器。 修正后的电路图如下: 电路板的LAYOUT,由于面积不大,这次採用双面板相信也成本也不会高太多,且在上层全面铺地,讯号处理会更为乾净。当然要一次LAYOUT成功好像也不容易,做完的板子,一开始焊就发现,上层贯孔的焊点在锁散热片时会短路到,结果先把上层的跳线挖去,先从下面焊;做好之后,一上电,量输出直流0V,已放了半个心了,通常我会由讯号产生器上送个讯号,到放大器的输入,输出先接示波器来看波形,一方面可以看有没正常的放大,另一方面也可以看看有没杂讯,好像都不错;再来试试Tone Control Bypass看看,结果没声 ! 用示波器一追,哇!Jumper那里的Layout错了,只好先以手工切铜箔、加跳线修正电路,全部OK了,大家也可放心,POST上来的电路板LAYOUT图档都已改正过了,是正确的,完整修正了。 再来当然是实测了,接上自己的DAC上音源,接上喇叭,先试有音控的效果,耶!自己做的自己夸一下,没想到小瓦数的AMP也有这样的效果,音控的控制能力也不错,虽可感觉瓦数较小,但声音算来还很温顺,OP原使用TI的NE5532,已经算有水准了,也换了大S的NE5532看看,声音好像更温暖。 当然也要试试Bypass音控后的感觉看看,当然高音消了一点,但算圆润,低音的感觉差别较大,少了音控的BASS,当然低音没那么沉了,但我想这就是原音的感觉,毕竟LM1875本来的风评就不错! 当然不同的人会有不同的感觉,由你们自己来品尝啦。 这是我完成后的照片:
以下为电路板底片图及零件配置图:
焊接时注意,由于是双面板,手工洗板者要注意上下层贯孔的问题,上图在PAD上有点红色标记的为贯孔点,需使用导线贯通双面焊接;有绿色标记的表示上下零件的脚都要焊。 (责任编辑:admin) |





























