最好的电子音响科技diy制作网站

haoDIY_音响电子电脑科技DIY小制作发明

当前位置: 主页 > 音响DIY > 功放DIY > 后级DIY >

LM1876功放制作完成!装了一半!先秀一下

时间:2012-09-23 17:21来源:hifidiy.net论坛 作者:解放牌卡车 点击:
这个是LM1876的BTL图 感觉还不错的! 这次搞得爽了!买了个超薄机箱!先装一半!明天再装!为什么呢?因为感冒的这个箱子是不带水晶座的!5555 手上没了呀! 下载次数:11 2007-7-16 22:25 耦合电容用的是西门子!准备用国产的DBS替换!我已经定了货!这个电
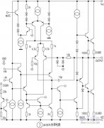
这个是LM1876的BTL图
感觉还不错的!
LM1876功放制作完成!装了一半!先秀一下

LM1876功放制作完成!装了一半!先秀一下

LM1876功放制作完成!装了一半!先秀一下

这次搞得爽了!买了个超薄机箱!先装一半!明天再装!为什么呢?因为感冒的这个箱子是不带水晶座的!5555 手上没了呀!

 

LM1876功放制作完成!装了一半!先秀一下



耦合电容用的是西门子!准备用国产的DBS替换!我已经定了货!这个电容非常不错的!纯手工制作!下次这个厂家的资料打上来给大家看看!听感不错的!

终于装好了!给大家看看效果!呵呵!小家伙热量很大呢!没办法加了个小小风扇!噪音可以忽略!很小的!呵呵!

 

LM1876功放制作完成!装了一半!先秀一下



 


LM1876功放制作完成!装了一半!先秀一下



 

LM1876功放制作完成!装了一半!先秀一下



 

LM1876功放制作完成!装了一半!先秀一下



 

LM1876功放制作完成!装了一半!先秀一下

LM1876功放制作完成!装了一半!先秀一下



(责任编辑:admin)
织梦二维码生成器
顶一下
(1)
100%
踩一下
(0)
0%
------分隔线----------------------------
发表评论
请自觉遵守互联网相关的政策法规,严禁发布色情、暴力、反动的言论。
评价:
表情:
用户名: 验证码:点击我更换图片
栏目列表
推荐内容