含音控前級的LM1875-22W功率放大器
时间:2012-09-02 17:38来源:未知 作者:admin 点击:
次
記得有幾次跟站友們聊天時被問到,站上的的幾個DIY後級, 功率對有些人可能有點大,跟本用不著,裝了100W的TDA7294,然後在小小的宿舍裡只能音量只能開得小小的,@@...........站長不弄個小瓦數的後級來玩玩嗎?其實早就想過,但好聲還是前提,不要說功率小一
記得有幾次跟站友們聊天時被問到,站上的的幾個DIY後級, 功率對有些人可能有點大,跟本用不著,裝了100W的TDA7294,然後在小小的宿舍裡只能音量只能開得小小的,@@...........站長不弄個小瓦數的後級來玩玩嗎?其實早就想過,但好聲還是前提,不要說功率小一點就犧牲了音質!
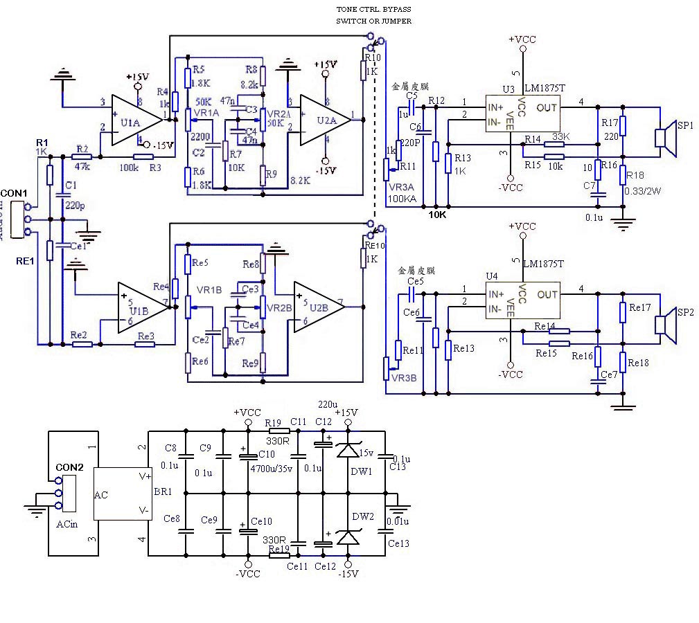
考量小功率、電路簡單、最好含音控(有些人好喜歡有音控的後級)、成本低、DIY容易(最好能給一些高職或專科電子科的新手實習,打完分數後還會想把它帶回家)…. 想了好久,我看定位在20W~30W之間好了,也到網路上比較了好多電路,最後選擇了LM1875這個功放IC的電路,巧的是,看了看還是對岸松勝的電路看來最好,評語也不錯,但我個人想比較一下不經音控的真實音效效果如何,所以為它加上了音控Bypass的選擇。
關於LM1875的詳細內容我就不在文中特別說明了,相信大家可以找到它的DATA SHEET。
網路上也多人把它拿來比較低價位的TDA2030,且在市面上好像也留傳不少是由TDA2030把字磨去,重新Remark成LM1875來賣,由於差價很大,自己買時小心一點,太低價的大概就有問題了,在規格上來說TDA2030是差一點,但如果要試試也未嘗不可,腳位完全相容,可直接替換,但要小心, 它的工作電壓較低,在使用TDA2030時用電壓較低的變壓器,比如輸出為AC 12-0-12 V的變壓器。
修正後的電路圖如下:

#要觀看原圖請對圖按右鍵另存新檔
電路板的LAYOUT,由於面積不大,這次採用雙面板相信也成本也不會高太多,且在上層全面鋪地,訊號處理會更為乾淨。當然要一次LAYOUT成功好像也不容易,做完的板子,一開始焊就發現,上層貫孔的焊點在鎖散熱片時會短路到,結果先把上層的跳線挖去,先從下面焊;做好之後,一上電,量輸出直流0V,已放了半個心了,通常我會由訊號產生器上送個訊號,到放大器的輸入,輸出先接示波器來看波形,一方面可以看有沒正常的放大,另一方面也可以看看有沒雜訊,好像都不錯;再來試試Tone Control Bypass看看,結果沒聲 ! 用示波器一追,哇!Jumper那裡的Layout錯了,只好先以手工切銅箔、加跳線修正電路,全部OK了,大家也可放心,POST上來的電路板LAYOUT圖檔都已改正過了,是正確的,完整修正了。
再來當然是實測了,接上自己的DAC上音源,接上喇叭,先試有音控的效果,耶!自己做的自己誇一下,沒想到小瓦數的AMP也有這樣的效果,音控的控制能力也不錯,雖可感覺瓦數較小,但聲音算來還很溫順,OP原使用TI的NE5532,已經算有水準了,也換了大S的NE5532看看,聲音好像更溫暖。
當然也要試試Bypass音控後的感覺看看,當然高音消了一點,但算圓潤,低音的感覺差別較大,少了音控的BASS,當然低音沒那麼沈了,但我想這就是原音的感覺,畢竟LM1875本來的風評就不錯! 當然不同的人會有不同的感覺,由你們自己來品嚐啦。
這是我完成後的照片:

(责任编辑:admin) |
织梦二维码生成器
------分隔线----------------------------