|
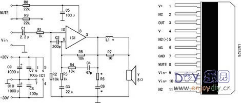
LM3886是单声道、中功率、高性能音频功放IC,是美国国家半导体(NS)公司的“序曲”(OVerture)音频功放系列具有代表性的IC之一。它采用11脚TO-220封装并具有输入静音功能,适合小型有源音箱、环绕声放大器和高保真立体声电视机等用作功放。 LM3886主要性能简介 1、连续平均输出功率: 60W/4Ω(Vcc=±28V) 30W/8Ω(Vcc=±28V) 50W/8Ω(Vcc=±35V) 2、瞬时最大输出功率: 150W 3、失真度:(THD+噪声)0.03%(20Hz~20kHz) 4、噪声电平: 2.0μV 5、信噪比:>92dB 6、互调失真:(按SMPTE标准)0.004% 此IC的最大特点是自身保护功能齐全,无须外接各种保护电路,它内含NS公司研制的SPIKe(自身瞬时温度)保护电路,对输出级晶体管的安全工作区(SOA)进行动态检测与保护,从而全面实现过压、欠压、过载、输出短路(包括短路到地与短路到电源)、热失控和瞬时温度冲击等保护功能。附图1是3886内部等效电路。 电路工作原理简析 R2为LM3886的同相输入端提供偏压;并联在两个输入端的C2是用来减小放大器的高频增益,以免输出管出现振荡,同时抑制输入的电磁干扰噪声;R5、R4、C4组成反馈回路,放大器的低频响应和高频转折频率fH取决于R3、C3;R4、C4、R5和R3决定高频增益和低通转折频率fL(fH、fL的计算公式略)。 C4是补偿元件,它与R4、R5共同起减小高频增益的作用。 R8、R9、C5与开关(图中虚线所示)组成静音控制电路:当开关断开时,LM3886停上输出,即静音起作用;接通开关时静音解除,R8将⑧脚输出电流限制到0.5mA(LM3886的⑧脚电流≥0.5mA)。C5为静音通、断提供较大的时间常数。 R6、C6的作用为防止放大器产生高频振荡。 L1、R7作用:如果负载呈容性(如扬声器电缆较长),则放大器在高频下会过载,并使方波响应出现转折,为避免此现象,在输出端串入LR组成的并联电路,此时L呈现较大感抗,10Ω电阻将放大器与容性负载隔离开来并降低L与容性负载所构成回路的Q值;低频下则10Ω电阻被L短路,放大器通过感抗很小的L直接驱动负载。 自制中几点注意事宜 本文介绍的150W Hi-Fi功放电路见附图2所示。由于该系列IC的引脚彼此兼容,故附图3 所示的印制电路板既可安装LM3876(50W),也可用来安装LM3886(150W),为此,在电路板上IC1的⑤脚接到电源,以适合LM3886,而在安装LM3876时,由于⑤脚是NC端(内部不连接),故仍然适合。 为了取得最佳性能,用C7~C10对电源进行退耦,并对电路板的所有地线进行一点接地;IC1装在电路板的一侧,以便于把它固定在散热器上,散热器的热阻小于1.5kΩ/W。 空芯电感L1可用1mm漆包线在10mm胎具上绕13圈脱胎而成;电阻R7装在L1里面,并将它们的两端并联焊在电路板上。 本电路的MUTE端接上一只开关,当开关断开时,ICl即处于静音状态;若不需要静音,则应在MUTE端焊上一段短路导线。R6~C6用来改善放大器的高频稳定性,通常可以省去,但最好还是加上。 LM3886(或LM3876)的最佳负载是8Ω,如果用于4Ω负载,则当电源电压下降到27V左右时,IC1内部的SPIKE保护电路将起作用,使输出功率减小到10W左右。因此,所用扬声器的阻抗最好不要小于8Ω。 (责任编辑:admin) |




























