最好的电子音响科技diy制作网站

haoDIY_音响电子电脑科技DIY小制作发明

当前位置: 主页 > 音响DIY > 功放DIY > 后级DIY >

hood jlh1969小甲类功放[06心血之作]

时间:2012-08-25 14:09来源:未知 作者:admin 点击:
做一台有一定素质的桌面小功放是由来已久的想法了,上半年一小段短暂的休闲期,我开始着手对功放的规格和功能做了一些规划: 1: 功率不必太大,桌面使用前提下聆听距离不会超过1米,而在不大的房间内其功率也可以满足要求。 2: 音质有一定要求,IC功放制作
做一台有一定素质的桌面小功放是由来已久的想法了,上半年一小段短暂的休闲期,我开始着手对功放的规格和功能做了一些规划:
1:功率不必太大,桌面使用前提下聆听距离不会超过1米,而在不大的房间内其功率也可以满足要求。
2:音质有一定要求,IC功放制作快捷,但限于俺的水平,还没做出理想的声音来。制作精良的分立件功放更容易满足要求。
3:在功放的人机和外观上做一些突破,同时也为以后的更高档次的功放制作储备经验。
4:成本在可承受的范围之内。
    经过考虑选择了J.L.HOOD 1969年发表的10W甲类功放(以下简称JLH),择其制作简单,稳定的优点。由于当年发表的电路年代久远管子已经难觅,故用现代常见的音响管子代之。

效果图:
hood jlh1969小甲类功放[06心血之作]




hood jlh1969小甲类功放[06心血之作]

线路图: 
hood jlh1969小甲类功放[06心血之作]

    JLH基本属于单端甲类的工作状态,效率比纯推挽甲类更低,输出功率不大,功耗不小,于是专门定做了30X86X200的散热器。而机箱是在昊然处定做的全铝结构,外形参考高文。取其清新素雅的优点。
hood jlh1969小甲类功放[06心血之作]

    接下来是主PCB的LAYOUT,左右声道的主放大PCB设计成镜象对称形式贴放在散热器上,这样比较美观,走线也更合理些,但是PCB的设计工作量大了一倍。PCB为单面,这样摩机拆改更方便些,双面板往往没几个来回的折腾不是过孔掉了就是铜箔剥离。PCB设计中要注意地线的设置,如果PCB发图后再发现问题岂不是劳命伤财?很多时候要做到完全的一点接地是有困难的,但是可以分析回路的电流走向,做到强弱地线无公共回路,将地线拓扑的影响减小到最小。
    JLH的原版电路是一组串联稳压电源有其道理,因为JLH作为单端电路其电源抑制能力很差。电源的波动反映到喇叭上就是可闻的噪声。稳压电路其实可以看作放大电路的一部分,即是提高了电源抑制能力,但在这个制作中暂时没有装稳压电源,而是普通的全波整流滤波电路,滤波电容总容量18000UF已经够用。JLH使用单电源,配带中心抽头的变压器可以使用两个二极管做全波整流,二极管压降为4个二极管的一半。
    等PCB和机箱到手居然又开始忙起来了,两个项目压的人喘不过气来,JLH已经顾不上了,只好扔在一边不管。。。一直拖到8月还有了段空闲时间,回到家里继续完成我的JLH小甲类功放。
    在电脑前做了几个月总算可以开工焊机机拉。此时元件齐备,功放管用C5200,输入级A970,中间的推动就用最常见的D669。输出耦合电容比较关键,这里用菲利普轴向LL的4700UF/40V,不仅声音平衡度好,最重要的是高温下的长寿和稳定。电阻为北京718厂的5%的金属膜,718电阻在国内领先,光看引脚就比普通的金膜粗不少,虽是5%的,但是实测温漂很小。PCB上没几个元件不一会就搞定,随便从垃圾板上拆了个电位器当音量,开声嗡声大作,俺脑子里也跟着嗡了一下,查!短路输入端,居然宁静如止水,贴到喇叭上也听不到一点噪音!分析肯定是电位器接触不良造成触点有时开路,这样感应的交流声就很容易串入电路。换了一个电位器,问题解决。
hood jlh1969小甲类功放[06心血之作]

接下来进行试听,NEC6X加论坛的1543DAC4片并联,静态电流1.7A,声音具有温文而雅的气质,依稀能看到胆机的影子,但是散热片巨热,估计温度在70度以上,手不可超过3秒,安全考虑,将R8由560欧调整到1.2K,静态电流降到了800MA,声音有所变化,主要是低频控制力下降,高频更亮一点。最后电阻装了拆拆了装几个来回,将电阻阻值调整到680(如果是双面板过孔早掉了)这样静态电流在1.3A,散热片温度稳定后在62度左右。在这个状态下连听了两天边听边老化,总之感觉相当之爽,总算没辜负付出的劳动。
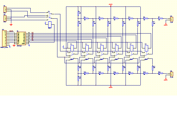
  此机制作之初就考虑在人机上要有一些改进,主要体现在音量控制上,用继电器控制音量应该是不错的方法。功放采取64级音量控制,这样基本没有低档数步进电位器分界明显的缺点。但是64级如果用串联或并联来实现,继电器数量是相当的可观。最后选择R-2R方式控制,这样只需要6个继电器就能实现2的6次方个状态64级音量,成本也下来了。

hood jlh1969小甲类功放[06心血之作]

hood jlh1969小甲类功放[06心血之作]

送给继电器的6位的8421BCD码由旋转编码开关输入,其控制器可由CPLD或单片机来实现。开始考虑用CPLD,只用其组合逻辑,状态完全由输入的旋转编码器来改变,这样省掉了讨厌的时钟,对主电路没有干扰。CPLD先用现成的FPGA开发板来调试程序(Verilog)。但是调试过程中发现旋转编码器消抖是个大问题,用正反馈法,74HC14,74HC123试过有一定效果但是这样电路反而复杂,自找麻烦。折腾了三天后决定放弃,走回到单片机的老路上来。
  单片机选择超低功耗的MSP430F413,音量的显示用LED数码管。413的管脚通过HC245通通接到数码上做静态显示,这样不象动态显示可能存在干扰的问题。由于430系列的超低功耗,对主电路干扰也不会大。接下来是LAY音量控制板,继电器板,板子很快做回来,调试过程中发现居然还是抖动问题,状态在相临状态来回跳转。郁闷!用逻辑分析仪看居然脉冲中间有很多小坑!!!难怪再高明的消抖措施也没用。拆开旋转编码器发现在导电盘上有层厚厚的阻尼油,难道是阻尼油造成开关接触不良?试着用WD40洗干净导电盘上的油迹,装回去问题已经基本解决。。。看来下次这种东西还是得选ALPS的。

hood jlh1969小甲类功放[06心血之作]

hood jlh1969小甲类功放[06心血之作]

    接下来的安装调试比较easy,很快就搞好了。再下来就是上仪器测试,示波器是LECROY的6050A,信号源TEK的AFG3252,都是一般烧友可望不可及的好东西。测试过程相当顺,波形和预想中基本一致,此时没有采取任何补偿措施波形稍有过冲但还显也很干净,接下来打算进一步的测试和检验,那就是后话了。
hood jlh1969小甲类功放[06心血之作]

图中测试频率50HZ,JLH由于输出隔直电容的存在会影响低频响应,因此方波会有下切
hood jlh1969小甲类功放[06心血之作]

再传几张制作过程中的图

制作中的继电器板:
hood jlh1969小甲类功放[06心血之作]

制作中的电源部份:
hood jlh1969小甲类功放[06心血之作]

制作中的MCU控制板:
hood jlh1969小甲类功放[06心血之作]

装配中的机机:
hood jlh1969小甲类功放[06心血之作]

完成的机机:
hood jlh1969小甲类功放[06心血之作]
hood jlh1969小甲类功放[06心血之作]

本站经原作者同意,愿意公布E-mail:laurel_lei@163.com 与各位发烧友交流经验。

hood jlh1969小甲类功放[06心血之作]
镀金板经典hood 1969发烧级hifi小甲纯甲类功放板diy散件套件成品
¥28.50

(责任编辑:admin)
织梦二维码生成器
顶一下
(1)
100%
踩一下
(0)
0%
------分隔线----------------------------
发表评论
请自觉遵守互联网相关的政策法规,严禁发布色情、暴力、反动的言论。
评价:
表情:
用户名: 验证码:点击我更换图片
栏目列表
推荐内容