2sa1943,2sc5200 简单的末级功率放大器
时间:2012-08-25 12:08来源:未知 作者:admin 点击:
次
本文介绍一个末级功率放大器,电路简单,制作容易。 工作原理(电路如附图所示):V1、V2组成单端输入、单端输出的差分放大器,V3构成电压放大。为了保证有足够的增益及改善失真,用V4作温度补偿。V5、V6为电流推动管。主要为功放管提供必要的电流和动态降低功
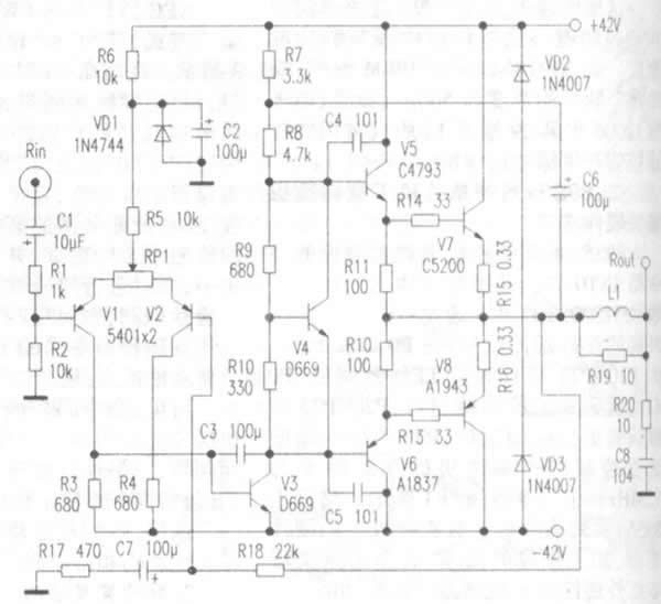
本文介绍一个末级功率放大器,电路简单,制作容易。
工作原理(电路如附图所示):V1、V2组成单端输入、单端输出的差分放大器,V3构成电压放大。为了保证有足够的增益及改善失真,用V4作温度补偿。V5、V6为电流推动管。主要为功放管提供必要的电流和动态降低功放管的输入阻抗,减小后级管对高频的影响。大功率管采用时下流行的ZSC5200/2SAl943配对管。R18为负反馈电阻,整机的闭环增益由R18、R17决定,C6为自举电容。RPl为调零电位器。VD2、VD3为限幅二极管。由L1、R19、R20、C8构成的消振网络,有效地减小了喇叭感性负载对功放的影响。提高了放大器工作的稳定性。本机电阻除R15、R16为5W水泥电阻外,其余电阻均为1/2W金属膜电阻。

(责任编辑:admin) |
织梦二维码生成器
------分隔线----------------------------