|
TDA7293芯片的主要参数
标称最大输出功率:100W
别具一格的并联工作模式
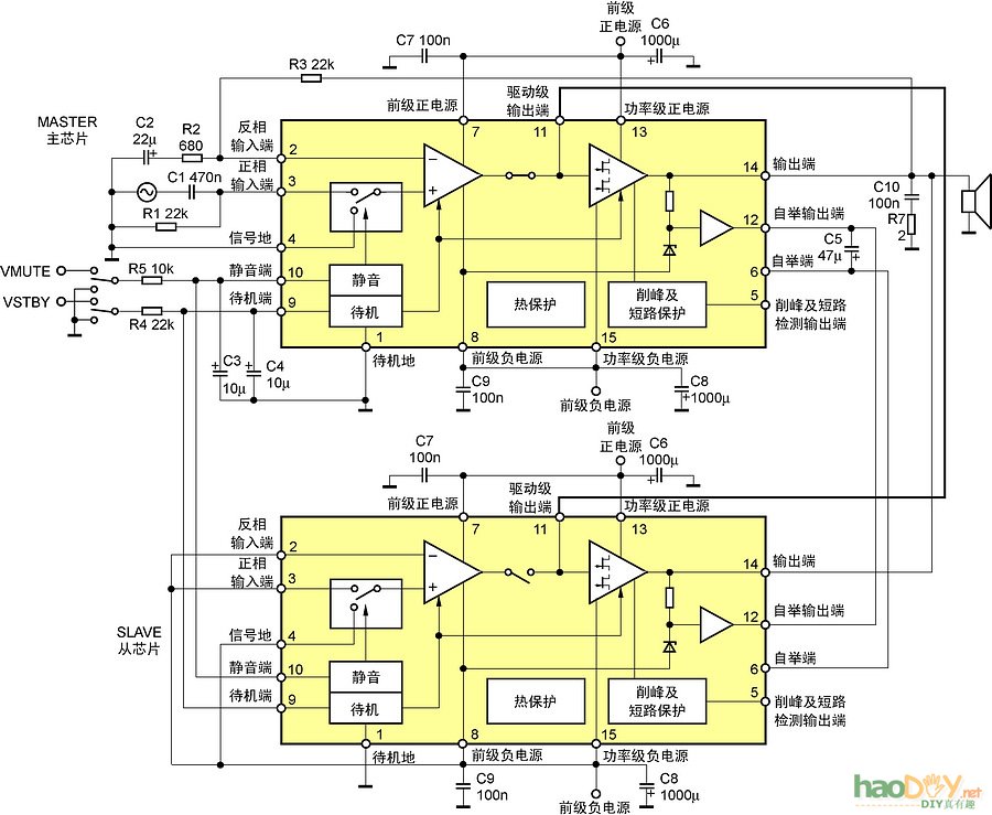
简单地说,主从并联就是指两个或者两个以上的芯片并联协同工作,其中的一个芯片从输入到输出的全部电路都在工作,这个芯片就被称之为主芯片,而与主芯片并联的其他芯片的前级部分被屏蔽,只有后级的功率输出部分在工作,这样的芯片则被称之为从芯片。以这种形式工作的模式被称为主从并联。 TDA7293所独有的主从并联模式,克服了传统集成芯片在遇到大动态信号或者大功率音箱时显得力不从心的问题,并联在一起的两个或者两个以上的功率输出后级,具备了2倍或2倍以上的电流输出能力,在对付大动态信号或者大功率音箱时游刃有余。并联工作的另一大好处就是多个芯片平均分担了输出功率,使单个芯片的发热量更低,失真更小。与单芯片的比较,实际听音效果是高音更纤细,中音更圆润,低音更震撼。 图2所示的是官方推荐的并联工作原理图,从图中可以看出,TDA7293的9脚和10脚分别经电阻和开关来控制待机与静音。由于TDA7293芯片对待机和静音有时序要求,如果按照图2所示电路来设计电路板,使用时是非常不方便的。于是在实际应用中,将待机与静音的部分电路又做了改进,如图3所示,即由3只电阻、2只电容和1只二极管来配合芯片完成开关机的自动静音。
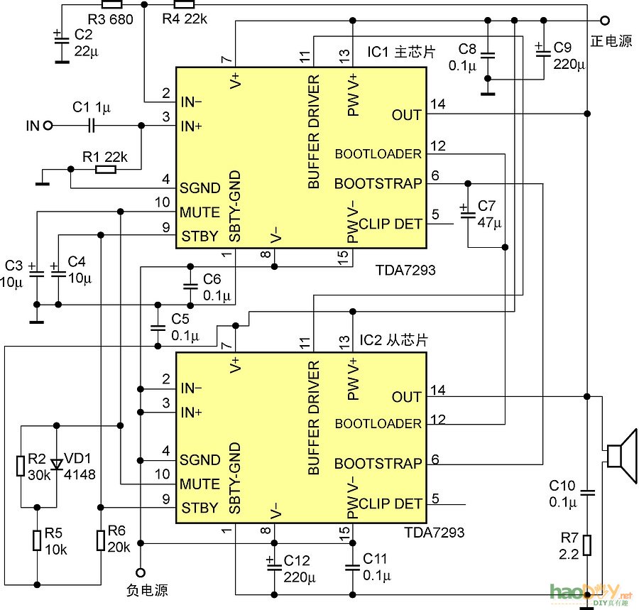
实际应用时的电路原理图如图4所示,该图是根据ST意法半导体公司推荐的原理图绘制而成的。此电路具有工作稳定、制作简单、成功率高、无需调试、音质优良等特点,是DIY时首选的电路。图中C1为输入电容,R1为输入电阻,C3、C4、R2 、R5 、R6、VD1构成开关机静噪电路。整个电路的放大倍数由R3和R4决定(32倍左右)。C2是反馈电容,C7是自举电容,C10和R7组成吸收网络,电容C5、C6、C8、C11为高频退耦电容,C9、C12为低频退耦电容。整个电路所需要的元器件参数如附表所示。
序号 器件名称 器件参数 用量
专用电解电容 C9、C12 220μF /50V 2
C8、C10、C11 0.1μF /50V 5
|







(责任编辑:admin)

















